Iklan 300x250

40 cub cadet 1515 belt diagram

Cub cadet 1525 belt diagram? - Answers Changing a driver belt on a Cub Cadet CC 1023 RD can be quite the challenge. You will have to take off the deck, take off the old belt, put the one belt on by placing it over the transmission and ... Need a diagram for replacing belt on a cub cadet 1515 as ... Need a diagram for replacing belt on a cub cadet 1515 as diagram in manual is very unclear - Answered by a verified Technician We use cookies to give you the best possible experience on our website. By continuing to use this site you consent to the use of cookies on your device as described in our cookie policy unless you have disabled them.

Show you a diagram of belt for 1515 series cub cadet ... Show you a diagram of belt for 1515 series cub cadet? Wiki User. ∙ 2014-04-18 22:00:35. Add an answer. Want this question answered? Be notified when an answer is posted. 📣 Request Answer.

Cub cadet 1515 belt diagram

Cub cadet 1515 belt diagram

Cub Cadet 1515 (13A-201F100) - Cub Cadet ... - PartsTree 1515 (13A-201F100) - Cub Cadet Garden Tractor 38-Inch Cutting Deck Parts Diagram Garden Tractor 38-Inch Cutting Deck Parts Diagram 1 Cub Cadet Part# 16606 Bracket, Hook, Retainer (Superseded to 96606) In Stock, Qty 15 $ 6.13 Add to Cart 0 2 Part# Spindle Assembly, 38" (Not available as assembly) Not available 3 Cub Cadet Part# 683-0611-0716 Cub Cadet Parts Diagrams, Cub Cadet 1515 13A-201F100 Buy Genuine OEM Cub Cadet parts for your Cub Cadet 1515 13A-201F100 and ship today! Huge in-stock inventory of OEM Cub Cadet parts. How to Change Deck Belt on Cub Cadet Lawn Tractor - YouTube Video tutorial on how to change deck belt on Cub Cadet XT1-LT50 Lawn Tractor. Explained in detail to make the job easy for You. Belt for Tractor 954-04077A...

Cub cadet 1515 belt diagram. Cub Cadet Lawn Tractor - Model 1515 | Cub Cadet US Find parts for your 1515 Cub Cadet Lawn Tractor. Parts diagrams and manuals available. Free shipping on parts orders over $45. Cub Cadet Tractor 1000 | 1515 | eReplacementParts.com Cub Cadet 1515 (13A-201F100) Tractor 1000 Parts We Sell Only Genuine Cub Cadet Parts Steering Pinion Gear $9.23 Add to Cart Key $6.87 Add to Cart Hex Flange Nut $6.34 Add to Cart Hex Washer Head Screw $3.77 Add to Cart Washer $3.66 Add to Cart Hex Washer $3.27 Add to Cart Linkage Retaining Bushing $5.60 Add to Cart Fl-Wash. (Hardened) $3.93 ARIMain - WEINGARTZ Find parts for your cub cadet 38-inch cutting deck with our free parts lookup tool! Search easy-to-use diagrams and enjoy same-day shipping on standard Cub Cadet parts orders. 855-669-7278 ... Cub Cadet 1515 13A-201F100 38-Inch Cutting Deck Zoom Image Tag Part # ... Cub Cadet 1515 Belt Diagram - schematron.org Sep 19, 2018 · Starting at $1, How to Change the PTO Belt on a Cub Cadet Riding Lawn Mower. Step 1 - Prepare for PTO belt repair. Place your riding lawn mower on a flat, level surface. Turn the engine off and make sure it is cool. Remove the ignition key and disconnect the spark plug ignition wire. Be sure PTO lever is disengaged and engage the parking break.

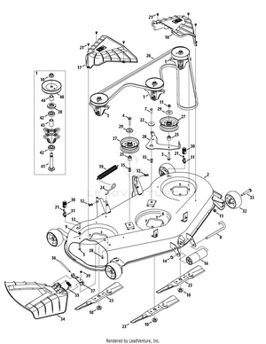
PDF Cub Cadet Parts Manual for Model 1515 - mymowerparts.com 1515 page 2 of 48 38-inch cutting deck ref # part number qty s/p/f description 1 16606 1 s bracket, hook, retainer 2 spindle assembly, 38" (not available as assembly) 2 3 683-0611 1 s deck assembly, 38" (shell) 731-1032b 1 s chute assembly, side discharge 731-2363 1 /p plug, mulch 783-1297 1 s skirt, deck 4 703-1890 2 s wheel, deck, 5.0 od w/ … Cub cadet model 190-281-100 belt diagram - Ask Me Help Desk New Member. Jul 29, 2010, 01:49 PM. Cub cadet model 190-281-100 belt diagram. I need a diagram for the belt routing on my 48 in deck replaced two idler pulleys and put new blades on it and have the new belt the old one snapped and trying to put the new one on. mekanic68. View Public Profile. Cub Cadet 1515 Deck Belt Diagram - schematron.org Apr 06, 2019 · CUB CADET Series Operator's Manual. Deck belt (Bottom) Left Hand Pulley PTO belt (Top) Right Hand Pulley (beneath belt guard) Page 28 • electric PTO clutch. Lower the engine pulley far If you don't, see your Cub Cadet dealer to have the belt enough to be able to remove the upper drive belt changed. Page Maintenance Chart. 1515 (13A-201F100) - Cub Cadet Garden Tractor Parts Lookup ... Repair parts and diagrams for 1515 (13A-201F100) - Cub Cadet Garden Tractor. The Right Parts, Shipped Fast! Reviews ...

8TEN Deck Belt for Cub Cadet 38 inch Mower 1515 1525 Lawn ... This item: 8TEN Deck Belt for Cub Cadet 38 inch Mower 1515 1525 Lawn Tractors 754-0641 954-0641 $17.85 Oregon 75-823 Replacement Belt for Cub Cadet 954-0640/754-0640, 1/2-inch x 79-1/2-inch $23.48 Affordstores Replacement for Cub Cadet 754-0641 954-0641 Belt fit 38 Inch Mower Deck 1515 1525 Lawn Deck Tractors $14.99 Cub Cadet Lt1042 Drive Belt Diagram Thread the transmission drive belt around the engine pulley, following the configuration in the photo or diagram. Reconnect the PTO Power Source and Deck. Cub Cadet MTD Drive belt LT, , , LT, SLT Image. diagramweb.net - Select Cub Cadet LT (13BX11CG, 13BX11CG, 13BX11CG, 13AX11CG, 13AX11CG) - Cub Cadet Lawn Tractor ( & before) Diagrams and order ... How to Change the Deck Belt on a Zero-Turn - Cub Cadet Step 7: Install the replacement belt. Place the belt in position as per the routing diagram. Step 8: Route the belt around the PTO clutch. Step 9: Route the belt through the idler pulleys. Using both a 9/16" socket and wrench tighten both of the idler pulley bolts. Step 10: Route the belt around the spindle pulleys. What Size Belt Does My 2000 Series Cub Cadet Tractor Use ... Model Numbers. The size of belts required for Cub Cadet 2000 series mowers varies depending on deck size. For 38- and 42-inch decks, belts are 110 1/2 inches long and 5/8 inch thick. The belts can ...

Cub Cadet 1515 13A-201F100 Engine Crankshaft & Crankcase

Cub Cadet 1515 13A-201F100 Engine Crankshaft & Crankcase

Cub Cadet Belt Sizes - Outdoor Belt Info Manufacturer List >>> Cub Cadet Belt Sizes. Enter your OEM Belt Part Number for replacement pricing and availablitiy. Click to Search VBeltSupply.com for Replacement Belt. Cub Cadet Lawn & Garden Tractor Belts Model: OEM Part: Application - Dimensions: 70 3766230-R1 Generator(3/8"x31") 70 386160-R1

SOLVED: Diagram of PTO belt to deck for a bat wing Z 48 - Fixya

SOLVED: Diagram of PTO belt to deck for a bat wing Z 48 - Fixya

Cub Cadet 1515 Belt Diagram - Wiring Diagrams Cub Cadet 1515 Belt Diagram Hi there, Save hours of searching online or wasting money on unnecessary repairs by talking to a 6YA Expert who can help you resolve this. Need a diagram for replacing belt on a cub cadet as diagram in manual is very unclear - Answered by a verified Technician. View and Download CUB CADET Series operator's manual online.

Model 1527, Changing the transmission drive belt | Cub Cadet ...

Model 1527, Changing the transmission drive belt | Cub Cadet ...

Cub Cadet 1515 Deck Belt Diagram Apr 15, 2019 · I need a belt diagram for a cub cadet 1515 - Cub Cadet Street Sign- tractor lawn riding mower parts Easy Ordering, Fast Shipping and Great Service! Your Preferred Source for Lawn and Garden Equipment Parts. I need a deck belt diagram for a modle cub cadet. No one will send me a belt diagram that's all I need.

Cub Cadet 1515 13A-201F100 38-Inch Cutting Deck

Cub Cadet 1515 13A-201F100 38-Inch Cutting Deck

Electrical Wiring Diagrams - Cub Cadet Electrical wiring diagrams may be found in the Operator's Manual. More in-depth electrical troubleshooting information may also be found in the Professional Shop Manual for the product. For electrical diagrams for specific engines and independent brands, see below. Please use the following links to contact the engine manufacturers via their web ...

Cub Cadet Tractor | 2155 | eReplacementParts.com

Cub Cadet Tractor | 2155 | eReplacementParts.com

How to replace cub cadet drive belt without taking off ... Cub cadet won't drive. How to replace cub cadet drive belt. How to replace cub cadet mower belt. Quickest way to replace cub cadet mower belt. Cub cadet gt 1...

Cub Cadet Tractor 1000 | 1517 | eReplacementParts.com

Cub Cadet Tractor 1000 | 1517 | eReplacementParts.com

Deck Drive Belt Tension Adjustment - Cub Cadet There are no belt tension adjustments on our Step-Thru (aka: Fast Attach, Autodrive, Pedal Drive) style tractor cutting deck drives.It is very important that only Original Equipment Manufacture (OEM) belts be used on these models for this reason. Verify that the belt is installed properly and that the spring-loaded tension idler pulley is properly positioned.

How to replace a cub cadet drive belt

How to replace a cub cadet drive belt

Cub Cadet 1515 front-engine lawn tractor parts | Sears ... Here are the diagrams and repair parts for Cub Cadet 1515 lawn tractor, as well as links to manuals and error code tables, if available. There are a couple of ways to find the part or diagram you need: Click a diagram to see the parts shown on that diagram. In the search box below, enter all or part of the part number or the part's name.

CUB CADET 1515 OPERATOR'S MANUAL Pdf Download | ManualsLib

CUB CADET 1515 OPERATOR'S MANUAL Pdf Download | ManualsLib

I need a deck belt diagram for a modle 1515 cub cadet. No ... Sep 11, 2018 · I need a deck belt diagram for a modle 1515 cub cadet. Mechanic's Assistant: I'll do all I can to help. How long have you been dealing with this? No one will send me a belt diagram that's all I need. Mechanic's Assistant: Do you plan on doing the work yourself? Yes I have taken the deck loose just need a diagram for the belt

Deck Rebuild Kit Blade Spindle Belt Husqvarna AYP Z4822 Z4824 ...

Deck Rebuild Kit Blade Spindle Belt Husqvarna AYP Z4822 Z4824 ...

TractorData.com Cub Cadet 1515 tractor information Cub Cadet 1515 tractor overview. ©2000-2019 - TractorData™. Notice: Every attempt is made to ensure the data listed is accurate.

Cub Cadet 1515 13A-201F100 38-Inch Cutting Deck | Shank's ...

Cub Cadet 1515 13A-201F100 38-Inch Cutting Deck | Shank's ...

Cub Cadet 1515, 13A-201F100 Parts - Messick's Cub Cadet 1515, 13A-201F100 Parts

cub cadet drive belt tensioner spring> OFF-65%

cub cadet drive belt tensioner spring> OFF-65%

How to Change Deck Belt on Cub Cadet Lawn Tractor - YouTube Video tutorial on how to change deck belt on Cub Cadet XT1-LT50 Lawn Tractor. Explained in detail to make the job easy for You. Belt for Tractor 954-04077A...

Cub Cadet Tractor | 2155 | eReplacementParts.com

Cub Cadet Tractor | 2155 | eReplacementParts.com

Cub Cadet Parts Diagrams, Cub Cadet 1515 13A-201F100 Buy Genuine OEM Cub Cadet parts for your Cub Cadet 1515 13A-201F100 and ship today! Huge in-stock inventory of OEM Cub Cadet parts.

Cub Cadet Lawn Tractor - Model 1515 | Cub Cadet US

Cub Cadet Lawn Tractor - Model 1515 | Cub Cadet US

Cub Cadet 1515 (13A-201F100) - Cub Cadet ... - PartsTree 1515 (13A-201F100) - Cub Cadet Garden Tractor 38-Inch Cutting Deck Parts Diagram Garden Tractor 38-Inch Cutting Deck Parts Diagram 1 Cub Cadet Part# 16606 Bracket, Hook, Retainer (Superseded to 96606) In Stock, Qty 15 $ 6.13 Add to Cart 0 2 Part# Spindle Assembly, 38" (Not available as assembly) Not available 3 Cub Cadet Part# 683-0611-0716

770 10448D Yard Man 604G And 604H Auto Drive Lawn Tractor ...

770 10448D Yard Man 604G And 604H Auto Drive Lawn Tractor ...

Cub Cadet 1515 13A-201F100 38-Inch Cutting Deck

Cub Cadet 1515 13A-201F100 38-Inch Cutting Deck

Page 20 of Cub Cadet Lawn Mower 1212 User Guide ...

Page 20 of Cub Cadet Lawn Mower 1212 User Guide ...

Cub Cadet Tractor 1000 | 1515 | eReplacementParts.com

Cub Cadet Tractor 1000 | 1515 | eReplacementParts.com

Optical Encoder (RPM Sensor) 39155R.S- DC Screw Drive Models ...

Optical Encoder (RPM Sensor) 39155R.S- DC Screw Drive Models ...

Installation, Repair and Replacement of v-belts on Cub Cadet ...

Installation, Repair and Replacement of v-belts on Cub Cadet ...

How to Change the Deck Belt on a Cub Cadet Riding Lawn Mower Using Model  13WX90AS010

How to Change the Deck Belt on a Cub Cadet Riding Lawn Mower Using Model 13WX90AS010

Cub Cadet Tractor | 2155 | eReplacementParts.com

Cub Cadet Tractor | 2155 | eReplacementParts.com

John Deere Mower Deck and Lift Linkage, 54 inch ( - 030000)

John Deere Mower Deck and Lift Linkage, 54 inch ( - 030000)

cub cadet drive belt tensioner spring> OFF-65%

cub cadet drive belt tensioner spring> OFF-65%

I have a cub cadet hds 2185 with 48

I have a cub cadet hds 2185 with 48" lt deck 301190. can you ...

Cub Cadet 1515 13A-201F100 38-Inch Cutting Deck | Shank's ...

Cub Cadet 1515 13A-201F100 38-Inch Cutting Deck | Shank's ...

How to Change the Deck Belt on a Cub Cadet Riding Lawn Mower Using Model  13AK92AK010

How to Change the Deck Belt on a Cub Cadet Riding Lawn Mower Using Model 13AK92AK010

Cub Cadet 1515 Lawn Tractor Service Repair Manual by ...

Cub Cadet 1515 Lawn Tractor Service Repair Manual by ...

I need the mower deck belt diagram for a Cub Cadet 3206 48

I need the mower deck belt diagram for a Cub Cadet 3206 48" deck

MTD/Cub Cadet 38 in. Tractor Deck Belt HD95404062

MTD/Cub Cadet 38 in. Tractor Deck Belt HD95404062

Gutbrod Rasentraktoren 1114 AWS 00097.01 (1992) Sitz ...

Gutbrod Rasentraktoren 1114 AWS 00097.01 (1992) Sitz ...

Cub Cadet Mower Belt (coming off) Deck Fix LT 1045 Part 1

Cub Cadet Mower Belt (coming off) Deck Fix LT 1045 Part 1

How do I replace the drive belt on a cub cadet 1554 ...

How do I replace the drive belt on a cub cadet 1554 ...

Troybilt 13AP609G063 User Manual LAWN TRACTOR Manuals And ...

Troybilt 13AP609G063 User Manual LAWN TRACTOR Manuals And ...

Simple Cub Cadet belt replacement and deck install

Simple Cub Cadet belt replacement and deck install

280ARC PARTS LIST

280ARC PARTS LIST

Cub Cadet 1515 13A-201F100 Power Take-Off (Pto) System ...

Cub Cadet 1515 13A-201F100 Power Take-Off (Pto) System ...

Cub Cadet 1515 front-engine lawn tractor parts | Sears ...

Cub Cadet 1515 front-engine lawn tractor parts | Sears ...

Cub Cadet | 1212 | User manual | Series 1000 and 1500 | Manualzz

Cub Cadet | 1212 | User manual | Series 1000 and 1500 | Manualzz

SOLVED: Diagram of PTO belt to deck for a bat wing Z 48 - Fixya

SOLVED: Diagram of PTO belt to deck for a bat wing Z 48 - Fixya

SHERPA Ersatzteilkatalog

SHERPA Ersatzteilkatalog

0 Response to "40 cub cadet 1515 belt diagram"

Post a Comment

Iklan Atas Artikel

Iklan Tengah Artikel 1

Iklan Tengah Artikel 2

Iklan Bawah Artikel