Iklan 300x250

36 raspberry pi zero w diagram

The Raspberry Pi Zero is a low-power, incredibly cheap and small computer standing at only 65 mm by 30 mm and weighing just 9 grams. Do not belittle the Raspberry Pi Zero capabilities as even at its cost of $5, it can still be used for many projects. Its features include: 1GHz, Single-core CPU 512 MB RAM Single Mini HDMI port

A powerful feature of the Raspberry Pi is the row of GPIO (general-purpose input/output) pins along the top edge of the board. A 40-pin GPIO header is found on all current Raspberry Pi boards (unpopulated on Pi Zero and Pi Zero W). Prior to the Pi 1 Model B+ (2014), boards comprised a shorter 26-pin header.

Raspberry Pi 10/100 Ethernet. Raspberry Pi POWER ON LED STATUS OK LED. Raspberry Pi. Title: RPI00021.sbk Author: pete Created Date: 4/17/2012 9:45:48 PM ...

Raspberry pi zero w diagram

Raspberry pi zero w diagram

The diagram above depicts the connections for the power, audio and gamepad. Use this as a reference for wiring the components. Note, the length of wires and position of components are not exactly how the circuit will be - it's just a diagram to show connections. ... This links to the guide Raspberry Pi Zero NPR One Radio. Raspberry Pi Zero ...

The image does not work with the Raspberry Pi Zero W - If you're using the Pi Zero W, you will need to manually setup the software. We recommend you go with the ready-to-download image rather than trying to do this by hand, but here's details if you're interested! ©Adafruit Industries Page 12 of 64

The Raspberry Pi Zero (and Zero W) are amazing devices for such a low cost. But they are missing one feature needed for many projects. That is sound. The only audio they have by default is via HDMI TV monitor. They support "earphone" audio, but lack the jack and audio filter circuitry that the bigger Raspberry Pi's have.

Raspberry pi zero w diagram.

Consider that Raspberry Pi Zero and Zero W have an unpopulated pin area. This means that you must solder pins element (usually inside Pi Zero kit or sold alone). Raspberry Pi Zero WH, on the other hand, has GPIO pins already present like all other models. All pinout remains as above explained.

It is designed for Raspberry Pi Zero/Pi 2 /Pi 3 Model B / B+ and can also be used on other hardware platforms which have SPI interfaces. The highlights of this display module is that it supports plug and play without rebooting the Pi and the SPI speed runs as fast as 32MHz to support games and videos. 3.5 inch TFT RPi Display Pin Diagram

Nov 23, 2021 · Raspberry pi or RPI Zero 2W is the second generation Zero board released by the RPI foundation. It has a 64 bit Quad-core CPU with four A53 cores clocked at 1 GHz and a 512 Mb LPDDR2 Ram clocked at 450 MHz. It’s worth mentioning that both of these are placed in a single SIP (system in package) chip called RP3-AU or RP3.

Step 3: Design Layout. Here is the design summary: Use patched pin header map 2x20 Pi Zero pins to breadboard 20 upper component columns and 20 lower component columns. Since Pi Zero board will hide the lower part of point, it need to line out the pins to beside column. Pi Zero border still hide 3 more lower columns on both side, lined out pins ...

Re: Pi Zero W motor hookup. Fri Sep 20, 2019 8:25 pm. Hi. So looking up the TB6612 on the adafruit site I could only find the following connections marked. ani1, ain2, bin1, bin2, pwma, pwmb, stby, gnd, vcc, vm, motora, motorb. No mention of i2c or spi. So it might help if you post a link to the board you have.

Nov 15, 2021 · Towers the call goes out A NEW PI IS BORN! LONG LIVE THE PI! The Pi Zero - the smallest, thinnest, most-affordable Pi ever. So much so, it comes free with every issue of MagPi #40. Want to get your own? Pick up a Raspberry Pi Zero starter kit, basic kit or just the bare computer board at the adafruit shop. (https://adafru.it/jEe) What's new?

Dec 22, 2021 · Raspberry Pi Zero Wh. Here are a number of highest rated Raspberry Pi Zero Wh pictures upon internet. We identified it from reliable source. Its submitted by handing out in the best field. We say you will this nice of Raspberry Pi Zero Wh graphic could possibly be the most trending topic subsequently we allocation it in google benefit or facebook.

Oct 16, 2019 · Raspberry Pi Zero Audio Circuit Othermod. Raspberry pi zero w built in wifi github hallard rak831 electropeak wireless gpio pinout circuit diagram pigrrl everything about 2 v1 1 schematics 3 development 15 banana m2 board is a what opensource com schematic repair checking for doentation electronics and audio othermod perfect plates project 22a dimensions footprint guide projects vs arduino ...

For this project I'm using a Raspberry Pi Zero W (the model with wireless and Bluetooth built in) along with the Adafruit DHT22 humidity and temperature sensors. I want to monitor the humidity in three locations so I've actually got three DHT22 units to wire up and retrieve data from.

The Raspberry Pi Zero W board contains a single 40-pin expansion header labeled as 'J8' providing access to 28 GPIO pins. (Pins 1, 2, 39 & 40 are also labeled below.) (click here for hi-resolution image) J8 Pinout (40-pin Header) The diagram below illustrates the GPIO pinout using the Pi4J/WiringPi GPIO numbering scheme.

The Raspberry Pi computer, although a powerful device, works on a 3.3V Logic. If you want this powerful computer to control your electrical loads, like an LED strip running along your garden or kitchen, you cannot interface them directly as the electrical loads work on AC Mains supply and the Raspberry Pi works on 3.3V DC (technically).

Raspberry Pi Zero is the smallest chipset in the Raspberry Pi series and is 40% faster than the original Raspberry Pi but nearly half of its size. Raspberry pi Zero GPIO Pinout or Pin diagram, and programming methods are explained in detail in this post.

Raspberry Pi Zero W - Schematics and Circuit

Raspberry pi zero w - schematics and circuit

WiFi and Bluetooth. As with the Raspberry PI 3, the Zero W offers both 802.11n wireless LAN and Bluetooth 4.0 connectivity. This frees up many of the connections that would have been made over USB, such as a WiFi dongle and a USB keyboard and mouse if substituting a Bluetooth keyboard/mouse.

New Raspberry Pi Zero 2 W - 5 x Faster! - Documents - Raspberry Pi ...

New raspberry pi zero 2 w - 5 x faster! - documents - raspberry pi ...

Raspberry Pi Mechanical Drawings & Dimensions. 1. By Matt on March 13, 2012 Hardware. Here you will find mechanical drawings for all models of the Raspberry Pi including the Pi 3, Pi 2, Pi Zero, Pi Zero W, B+ and A+ as well as the original Pi Model B. The drawings show the position of major components with dimensions.

Cara Membangun Monitor Kulkas / Freezer Raspberry Pi

Cara membangun monitor kulkas / freezer raspberry pi

The GPIO header on your Raspberry Pi has a total of 40 GPIO pins. On the Raspberry Pi Zero W, pins 1 and 17 supply 3.3 volts; pins 2 and 4 supply 5 volts, while pin 9, 25, 39, 6, 14, 20, 30, and 34 are all attached to ground. Here, you can see a list of all 40 pins of Raspberry Pi Zero W and their connection to Raspberry Pi zero.

Raspberry Pi Zero: the WIRED starter guide | WIRED UK

Raspberry pi zero: the wired starter guide | wired uk

If you have a Raspberry Pi without headers, pin 1 has a square pad while all the others are round. Also, there's a small diagonal corner cutout on the board silkscreen by pin 1. ... Power Raspberry Pi Zero W through GPIO. 0. Pi Zero Gpio Extender Reset. 0. Raspberry pi camera pinout.

Asli Raspberry Pi Zero W Paket D Pengembangan Dasar Kit Micro SD ...

Asli raspberry pi zero w paket d pengembangan dasar kit micro sd ...

Raspberry pi zero wireless gpio pinout circuit diagram pigrrl w built in wifi everything about 2 what is and guide vs arduino github hallard rak831 Getting Started With The Raspberry Pi Zero Wireless Learn Sparkfun Com Raspberry Pi Zero Gpio Pinout Specifications And Programming Language Getting Started With The Raspberry Pi Zero Wireless Learn Sparkfun Com… Read More »

Hsv Papan Wh Board Raspberry Pi Zero Wh Ukuran 3x6.5cm / 1.18x2 ...

Hsv papan wh board raspberry pi zero wh ukuran 3x6.5cm / 1.18x2 ...

PWM is useful when you want to dim a LED or make a poor man's Digital to Analog Converter (DAC). On the Raspberry Pi's with the 40 pin connector, 28 of the pins are available as GPIO. (Although 2 are reserved for the HAT I2C interface, but can be used as normal GPIOs if not using a HAT board) The rest is power and ground pins.

The Pi4J Project – Pin Numbering - Raspberry Pi Zero W

The pi4j project – pin numbering - raspberry pi zero w

For the configuration of this tutorial we will use the Raspberry Pi Zero W, due to its small size, low power consumption and ease of use, however it is possible to use a Raspberry Pi 3, but you will have to use a much more powerful power bank, besides that the size is much bigger.

Pin on Raspberry Pi

Pin on raspberry pi

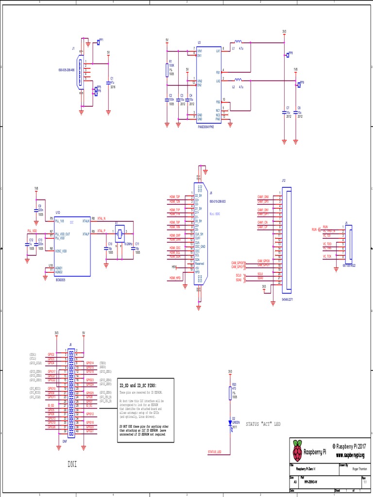
rpi-zero-w 1.1 raspberry pi zerow a3 11 roger thornton gpio1 u1e bcm2835 gpio0 h2 gpio1 h6 gpio2 j6 gpio3 j4 gpio4 h1 gpio5 h3 gpio6 g1 gpio7 f2 gpio8 f1 gpio9 g2 gpio10 g3 gpio11 g4 gpio12 h7 gpio13 g5 gpio14 d4 gpio15 e2 gpio16 c1 gpio17 e1 gpio18 b4 gpio19 g8 gpio20 e5 gpio21 c4 gpio22 b3 gpio23 c5 gpio24 a4 gpio25 a5 gpio26 d6 gpio27 b5 ...

Raspberry Pi Zero v 1.3 Board | Shopee Indonesia

Raspberry pi zero v 1.3 board | shopee indonesia

The Raspberry Pi Zero 2 W was connected to the LED as shown in the diagram below. Wiring diagram. Now you can run your program! In the terminal type:./blinky. And now you should see the LED blinking on and off! Published November 19, 2021 By MarkS. Categorized as Raspberry Pi.

What is Raspberry Pi Zero? Pinout, Specs, Projects & Datasheet ...

What is raspberry pi zero? pinout, specs, projects & datasheet ...

On all models of Raspberry Pi since the Raspberry Pi B+ (2014) except the Zero range, there is low-voltage detection circuitry that will detect if the supply voltage drops below 4.63V (+/- 5%). This will result in a warning icon being displayed on all attached displays and an entry being added to the kernel log.

Raspberry Pi Nol WH Murah Cash Down Pi, dengan Built-In WiFi dan  Bluetooth-Disolder GPIO Header

Raspberry pi nol wh murah cash down pi, dengan built-in wifi dan bluetooth-disolder gpio header

The Raspberry Pi GPIO pinout guide. This GPIO Pinout is an interactive reference to the Raspberry Pi GPIO pins, and a guide to the Raspberry Pi's GPIO interfaces. Pinout also includes dozens of pinouts for Raspberry Pi add-on boards, HATs and pHATs. Support Pinout.xyz. If you love Pinout, please help me fund new features and improvements:

Getting Started with the Raspberry Pi Zero Wireless - learn ...

Getting started with the raspberry pi zero wireless - learn ...

Testing points on a Raspberry Pi. July 27, 2016. Mark Williams 2 Comments. Below is a list of test points which can be found on Raspberry Pi 2, 3 and some are also on b+. With the use of a multimeter, these test points can help with troubleshooting hardware issues. I have yet to find any formal documentation about these test points.

Official Raspberry Pi Zero W Overview and Case - Hackster.io

Official raspberry pi zero w overview and case - hackster.io

The Pi Zero W is a small-scale version of the popular Raspberry Pi (RPi) Linux single board computer (SBC). You can build the same awesome Raspberry Pi projects with a Pi Zero W. This tutorial will show you how to set up a Pi Zero W. The Pi Zero W Features. The Pi Zero W has the same features as the RPi.

Getting Started with the Raspberry Pi Zero Wireless - learn ...

Getting started with the raspberry pi zero wireless - learn ...

Basic GPIO Control on Raspberry Pi Zero W – Blinking an LED

Basic gpio control on raspberry pi zero w – blinking an led

New Raspberry Pi Zero 2W Specs, Board layout and Pinout

New raspberry pi zero 2w specs, board layout and pinout

Communicating with Raspberry Pi via MAVLink — Dev documentation

Communicating with raspberry pi via mavlink — dev documentation

Pi Zero W Web Server – UnBrick.ID

Pi zero w web server – unbrick.id

File:Raspberry Pi Zero - Location of connectors and ICs.svg ...

File:raspberry pi zero - location of connectors and ics.svg ...

Raspberry Pi Zero W V1.1 Schematics | PDF | Network Protocols ...

Raspberry pi zero w v1.1 schematics | pdf | network protocols ...

Raspberry Pi Zero W module (Source: Raspberry Pi Foundation ...

Raspberry pi zero w module (source: raspberry pi foundation ...

Raspberry Pi Zero Guide: Projects, Specs, GPIO, Getting Started ...

Raspberry pi zero guide: projects, specs, gpio, getting started ...

Raspberry Pi Documentation - Raspberry Pi Hardware

Raspberry pi documentation - raspberry pi hardware

Pin on Gadgets and circuits

Pin on gadgets and circuits

Raspberry Pi Zero GPIO Pinout, Specifications and Programming language

Raspberry pi zero gpio pinout, specifications and programming language

GitHub - hallard/RAK831-Zero: Pi Zero RAK831 Adapter board

Github - hallard/rak831-zero: pi zero rak831 adapter board

Raspberry basics: Project 29a Raspberry PI Zero W board ...

Raspberry basics: project 29a raspberry pi zero w board ...

The Pi4J Project – Pin Numbering - Raspberry Pi Zero W

The pi4j project – pin numbering - raspberry pi zero w

Raspberry Pi Zero W

Raspberry pi zero w

Introducing the Raspberry Pi Zero W - Raspberry Pi Spy

Introducing the raspberry pi zero w - raspberry pi spy

RPI Zero 2W Board Layout: GPIO Pinout, Specs, Schematic in detail

Rpi zero 2w board layout: gpio pinout, specs, schematic in detail

Raspberry Pi Zero W Review - KaliTut

Raspberry pi zero w review - kalitut

What

What "wiring" pin numbers on pi zero pinout diagram mean ...

Componentes de la Raspberry Pi Zero W. | Download Scientific Diagram

Componentes de la raspberry pi zero w. | download scientific diagram

Sjk Raspberry Pi Zero W include Cassing LED MiniHDMI MicroUSB MicroSD

Sjk raspberry pi zero w include cassing led minihdmi microusb microsd

0 Response to "36 raspberry pi zero w diagram"

Post a Comment

Iklan Atas Artikel

Iklan Tengah Artikel 1

Iklan Tengah Artikel 2

Iklan Bawah Artikel