Iklan 300x250

36 pump control panel wiring diagram schematic

Connect the wires coming from the pumps to the pump terminals. Refer to the panel wiring diagram for the correct terminal connections for your system. 3. Connect the incoming power to the panel. Power to the panel must be appropriate to the control panel and pump motor (120 VAC, single-phase for a 120 VAC motor, 240 VAC single-phase for a 240 Apr 23, 2020 · 36 Volt Ez Go Golf Cart Wiring Diagramwiring diagram is a simplified pleasing pictorial representation of an electrical circuit.It shows the components of the circuit as simplified shapes, and the knack and signal connections in the middle of the devices.

Duplex Pump Control Panel Wiring Diagram Schematic. Duplex 115 208 230v 1 phase control panel three alternating pump m sprecher schuh custom lift station demand wd3p 4 booster controllers overview eaton sewage model 322 sje rhombus. Duplex Demand Control Panel 115 230v Single Phase Individual Pump Circuit Breakers Definite Purpose Contactor.

Pump control panel wiring diagram schematic

Pump control panel wiring diagram schematic

Sep 21, 2021 · When including a PLC in the ladder diagram still remains. But, it does tend to become more complex. Figure 5 below shows a schematic diagram for a PLC based motor control system, similar to the previous motor control example. This figure shows the E-stop wired to cutoff power to all of the devices in the circuit, including the PLC. All critical ... Automatic Star / Delta Starter with Timer for 3-Phase AC Motors. In this tutorial, we will show the Star-Delta (Y-Δ) 3-phase induction AC Motor Starting Method by Automatic star-delta starter with Timer with schematic, power, control and wiring diagram as well as how star-delta starter works and their applications with advantages and disadvantages. Nov 17, 2018 · Holiday Rambler Wiring Schematic. Assortment of holiday rambler wiring schematic. A wiring diagram is a streamlined conventional pictorial depiction of an electrical circuit. It shows the components of the circuit as simplified forms, and the power and also signal connections in between the gadgets. A wiring diagram generally provides info regarding the family member…

Pump control panel wiring diagram schematic. Usually your wiring diagram is either pasted to the inside of the door panel, or else contained in a plastic pouch inside the door itself. Either way, you must remove the door panel to get to it as described in section 5-2. If you already know how to read a wiring diagram, you can skip this section. Two-Wire Control Two-Wire Control circuits — or Low Voltage Release One of the common control wiring circuits used is known as Two-Wire or Low Voltage Release (LVR). It utilizes a main-tained contact type of pilot device — such as a thermostat, float switch or presence sensor. Figure 6 shows the line and wiring schematics for this circuit. https://ryb.com.bd/ 3 Phase DOL Starter Control and Power Wiring Diagram! water Pump Controller with float switchauto manual connection of water pump motor w... Pump Control Panel Wiring Diagram Schematic - wiring diagram is a simplified conventional pictorial representation of an electrical circuit. It shows the components of the circuit as simplified shapes, and the capability and signal associates amid the devices. A wiring diagram usually gives guidance roughly the relative face and concord of ...

Duplex Pump Control Panel Wiring Diagram Sample. Variety of duplex pump control panel wiring diagram. A wiring diagram is a streamlined traditional pictorial depiction of an electric circuit. It shows the parts of the circuit as simplified forms, and the power as well as signal connections between the gadgets. A wiring diagram normally provides info about the… Installation instructions, wiring diagrams, etc. for septic system control and alarm . The diagram below references a V pump and wiring. Over 95% of aerobic septic systems use v rather than v. BIO-D Single Light Control Panel for Aerobic Treatment Systems. We recommend using. 3 Phase Water Pump Control Panel Wiring Diagram. angelo. June 19, 2021. 3 Phase Wiring Diagram For House Http Bookingritzcarlton Info 3 Phase Wiring Diagram Fo Electrical Circuit Diagram Electrical Wiring Basic Electrical Wiring. Submersible Pump Control Box Wiring Diagram For 3 Wire Single Phase Submersible Pump Submersible Well Pump Submersible. Single-phase submersible pump control box wiring diagram - 3 wire submersible pump wiring diagram. In the submersible pump control box, we use a capacitor, a resit-able thermal overload, and a DPST switch (double pole single throw). The wiring connection of the submersible pump control box is very simple. Here is the complete guide step by step.

3 phase submersible pump control panel circuit diagram. It has inbuilt single phase. A wiring diagram is a streamlined standard pictorial depiction of an electric circuit. 240 volt well pump wiring diagram wiring diagram is a simplified all right pictorial representation of an electrical circuit it shows the components of the circuit. FIRE PUMP CONTROLLER WIRING DIAGRAM: DIGITAL INPUTS. DIGITAL INPUTS Connector JF (10 Poles) JF-1. MCB1 FAILURE. This input detects a failure of the battery charger 1. You can connect the output alarm relay of the battery charger '1'. The alarm triggers when you connect this input to the battery minus. Remember that what you’re wiring is a means of turning things on and off. Thinking carefully about when you want something off, and when it should turn on, will help you as you visualize the wiring and apply the schematic to real world control. We’re going to look at a progression of straightforward pump control arrangements using float ... The diagrams for both the two and three wire pumps can be downloaded using Adobe. To replace the two wire pump: After determining the voltage is zero, disconnect the motor wires directly from the pressure switch box, M1 and M2. The green ground wire should also be terminated to the box and a ground coming from the panel.

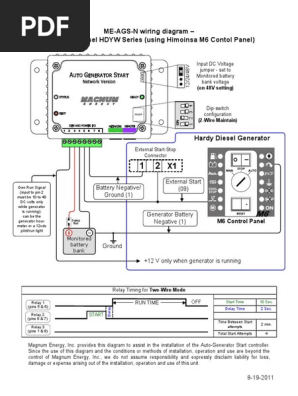
Me Ags N Hardy Diesel Hdyw Series Generators With M6 Contol Panel Rev 8 19 2011 Pdf Pdf Electric Generator Relay

Me Ags N Hardy Diesel Hdyw Series Generators With M6 Contol Panel Rev 8 19 2011 Pdf Pdf Electric Generator Relay

pump control panel wiring diagram schematic - What's Wiring Diagram? A wiring diagram is a schematic which uses abstract pictorial symbols showing each of the interconnections of components inside a system.

Aim Manual Page 54 Single Phase Motors And Controls Motor Maintenance North America Water Franklin Electric

Aim Manual Page 54 Single Phase Motors And Controls Motor Maintenance North America Water Franklin Electric

Assortment of duplex pump control panel wiring diagram. A wiring diagram is a simplified traditional pictorial representation of an electric circuit. It reveals the components of the circuit as streamlined shapes, and also the power as well as signal links in between the gadgets.

1 Phase Starter Panel

1 Phase Starter Panel

IDENTIFICATION OF BARNES STEALTH SERIES DUPLEX CONTROL PANEL FOR ESPS-200 LEVEL CONTROL WIRING To determine the proper wiring schematic you will need to fi rst determine the panel type you have using the information listed below. The information can be located inside the control panel door on the panel schematic.

American Manufacturing Company S Series Simplex Controls

American Manufacturing Company S Series Simplex Controls

Wiring Diagram Electrical Wires Cable Schematic Sump Pump Png 1080x897px Area Harness. Sump pump control panel wiring diagram how to create a circuit fill controller float switch installation switches pilot devices solid state submersible single phase simplex automatic water full 3 bat waterproofing ups for back up electrical wires cable tank ...

Automatic Water Level Controller Wiring Diagram For 3 Phase Motor Submersible Pump Submersible Pump Electrical Installation Water Pump Motor

Automatic Water Level Controller Wiring Diagram For 3 Phase Motor Submersible Pump Submersible Pump Electrical Installation Water Pump Motor

for 20mA. See the wiring diagrams (Figures 7 & 8) at the end of this manual for the proper wiring of the current transmitter. 2.0 APPLICABLE DOCUMENTS none 3.0 REQUIREMENTS 3.1 GENERAL DESCRIPTION The Duplex Pump Control System (CPC-2) is a system that automatically controls one or two pumps in pump down type applications.

Circuit Diagram Of Water Pump Control System Download Scientific Diagram

Circuit Diagram Of Water Pump Control System Download Scientific Diagram

Single Phase Simplex Grinder Septic Products Inc. Float Switch Installation Wiring Control Diagrams Apg. Spi Bio Pump Control Panel With High Water Alarm Model 50b010 Whap Tg Wastewater. Id 164 Steps In Constructing A Pressure Distribution Septic System. Sim A Single Phase Simplex Sump Pump Control Panel See Water Inc.

Aim Manual Page 57 Single Phase Motors And Controls Motor Maintenance North America Water Franklin Electric

Aim Manual Page 57 Single Phase Motors And Controls Motor Maintenance North America Water Franklin Electric

Basics 7 4.16 kV 3-Line Diagram : Basics 8 AOV Elementary & Block Diagram : Basics 9 4.16 kV Pump Schematic : Basics 10 480 V Pump Schematic : Basics 11 MOV Schematic (with Block included) Basics 12 12-/208 VAC Panel Diagram : Basics 13 Valve Limit Switch Legend : Basics 14 AOV Schematic (with Block included) Basics 15 Wiring (or Connection ...

Boat Building Standards Basic Electricity Wiring Your Boat

Boat Building Standards Basic Electricity Wiring Your Boat

Pump Control Panel Wiring Diagram Schematic. Assortment of pump control panel wiring diagram schematic. A wiring diagram is a simplified traditional photographic depiction of an electric circuit. It shows the parts of the circuit as simplified shapes, as well as the power as well as signal links between the devices. A wiring diagram typically provides info…

3 551290 See Water Inc Three Phase Simplex Demand Ws3p Tp Pump Control Panel Wiring Diagram

3 551290 See Water Inc Three Phase Simplex Demand Ws3p Tp Pump Control Panel Wiring Diagram

pumps and control circuit or the control circuit can be wired to a separate power supply to insure alarm integrity in case of a tripped main breaker. ... • Field wiring diagram, panel schematic and installa-tion instructions included.

Diagram 2004 Ram Fuse Diagram Full Version Hd Quality Fuse Diagram Diagramex Scuoleamichedellasalute It

Diagram 2004 Ram Fuse Diagram Full Version Hd Quality Fuse Diagram Diagramex Scuoleamichedellasalute It

Note: In this publication the line diagrams show the control circuits only - power circuits are omitted for clarity, since they can be traced readily on the wiring diagrams (heavy lines). A wiring diagram gives the necessary information for actually wiring-up a group of control devices or for

Wiring Diagram On Boiler Wiring Diagram In 2021 Diagram Control Panel Boiler

Wiring Diagram On Boiler Wiring Diagram In 2021 Diagram Control Panel Boiler

Wiring diagrams for all control and electrical panels. Diagrams shall (e) Electrical schematic diagram of the pump station as supplied, prepared in. Economy Duplex Sump Pump Control The duplex control provides alternating operation of two volt pumps. Plug-in ready wiring makes installation easy! Simply plug the pumps into the provided receptacles.

Sprecher Schuh Duplex Pump Custom Control Panel

Sprecher Schuh Duplex Pump Custom Control Panel

Figure 2 1 Control Panel Wiring Diagram Sheet Of 4. Submersible Pump Microcontroller Wiring Diagram Three Phase Electric Power Png 1000x648px Circuit Breaker. Control Panel For Submersible Molock Pumpset Pump Starter Circuit. Aim Manual Page 54 Single Phase Motors And Controls Motor Maintenance North America Water Franklin Electric.

3

3

V10-T6-4 Volume 10—Enclosed Control CA08100012E—November 2012 www.eaton.com 6 6 6 6 6 6 6 6 6 6 6 6 6 6 6 6 6 6 6 6 6 6 6 6 6 6 6 6 6 6 6.1 Pump Panels Industrial Pump Panels Catalog Number Selection Pump Panel Notes 1 More information on Type 1, 3R, 4X and 12 duplex pump panels is on Page V10-T6-23.Product Selection is on Page V10-T6-26. 2 For other voltages and single-phase applications ...

Solar Panel Charge Controller Wiring Diagram Best Guide

Solar Panel Charge Controller Wiring Diagram Best Guide

JPCV and PMCVE Drawings. Dimensionals. 10605 - JPCV: NEMA 2, Variable Speed Jockey Pump Controller. 24180 - PMCVE: NEMA 2,12 Variable Speed Pressure Mainenance Controller. External Wiring. 10604 - JPCV: Three Phase Variable Speed Jockey Pump Controller.

2

2

Components Disconnects (Fuse vs. Breakers) Generator Provisions Motor Protection (Fuses, Breakers, Thermal) Motor Controls (Starters, Soft Starters, Drives) Transformers Logic (Relay, Controllers, PLC) Alarm Dialers / Telemetry Pilot Devices Intrinsically Safe

Pin On Electronics Circuit

Pin On Electronics Circuit

Pump Control Panel Wiring Diagram Schematic Sample. pump control panel wiring diagram schematic - Just What's Wiring Diagram? A wiring diagram is a kind of schematic which makes use of abstract photographic signs to show all the interconnections of components in a system. Electrical wiring diagrams are comprised of 2 things: signs that stand for the parts…

Model 122 Sje Rhombus

Model 122 Sje Rhombus

Jul 04, 2019 · Boat Wiring for Dummies Diagramwiring diagram is a simplified satisfactory pictorial representation of an electrical circuit.It shows the components of the circuit as simplified shapes, and the faculty and signal associates in the middle of the devices.

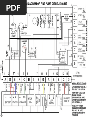
Wiring Diagram Of Fire Pump Diesel Engine Pdf Machines Mechanical Engineering

Wiring Diagram Of Fire Pump Diesel Engine Pdf Machines Mechanical Engineering

Nov 17, 2018 · Holiday Rambler Wiring Schematic. Assortment of holiday rambler wiring schematic. A wiring diagram is a streamlined conventional pictorial depiction of an electrical circuit. It shows the components of the circuit as simplified forms, and the power and also signal connections in between the gadgets. A wiring diagram generally provides info regarding the family member…

1

1

Automatic Star / Delta Starter with Timer for 3-Phase AC Motors. In this tutorial, we will show the Star-Delta (Y-Δ) 3-phase induction AC Motor Starting Method by Automatic star-delta starter with Timer with schematic, power, control and wiring diagram as well as how star-delta starter works and their applications with advantages and disadvantages.

Fire Pump Wiring Diagram Electrical Diagram Electrical Circuit Diagram Motorcycle Wiring

Fire Pump Wiring Diagram Electrical Diagram Electrical Circuit Diagram Motorcycle Wiring

Sep 21, 2021 · When including a PLC in the ladder diagram still remains. But, it does tend to become more complex. Figure 5 below shows a schematic diagram for a PLC based motor control system, similar to the previous motor control example. This figure shows the E-stop wired to cutoff power to all of the devices in the circuit, including the PLC. All critical ...

Basic Electrical Design Of A Plc Panel Wiring Diagrams Eep

Basic Electrical Design Of A Plc Panel Wiring Diagrams Eep

Three Phase Simplex Demand Ws3p Tp Pump Control Panel See Water Inc

Three Phase Simplex Demand Ws3p Tp Pump Control Panel See Water Inc

Automatic Pressure Control Starter Control Wiring And Operation Single Phase Youtube

Automatic Pressure Control Starter Control Wiring And Operation Single Phase Youtube

Soft Starter For Potable Water Well Pump Wiring Diagram Troubleshooting Example Eep

Soft Starter For Potable Water Well Pump Wiring Diagram Troubleshooting Example Eep

Float Switch Installation Wiring Control Diagrams Apg

Float Switch Installation Wiring Control Diagrams Apg

File Wiring Diagram Of Motor Control Centre On Pump Station Jpg Wikimedia Commons

File Wiring Diagram Of Motor Control Centre On Pump Station Jpg Wikimedia Commons

Details Here Https Dantuckerautos Com Luxury Isuzu Trooper Parts Catalogue Electrical Wiring Diagram Electric Furnace Home Electrical Wiring

Details Here Https Dantuckerautos Com Luxury Isuzu Trooper Parts Catalogue Electrical Wiring Diagram Electric Furnace Home Electrical Wiring

Aim Manual Page 54 Single Phase Motors And Controls Motor Maintenance North America Water Franklin Electric

Aim Manual Page 54 Single Phase Motors And Controls Motor Maintenance North America Water Franklin Electric

3 Phase Dol Starter Control And Power Wiring Diagram Water Pump Controller With Float Switch Youtube

3 Phase Dol Starter Control And Power Wiring Diagram Water Pump Controller With Float Switch Youtube

Aim Manual Page 56 Single Phase Motors And Controls Motor Maintenance North America Water Franklin Electric

Aim Manual Page 56 Single Phase Motors And Controls Motor Maintenance North America Water Franklin Electric

Diesel Generator Control Panel Wiring Diagram Electrical Circuit Diagram Electrical Wiring Diagram Electrical Panel Wiring

Diesel Generator Control Panel Wiring Diagram Electrical Circuit Diagram Electrical Wiring Diagram Electrical Panel Wiring

Nordic India Electrical Control Panel Design Services

Nordic India Electrical Control Panel Design Services

Submersible Pump Control Box Wiring Single Phase Earth Bondhon Submersible Pump Submersible Pumps

Submersible Pump Control Box Wiring Single Phase Earth Bondhon Submersible Pump Submersible Pumps

Aim Manual Page 55 Single Phase Motors And Controls Motor Maintenance North America Water Franklin Electric

Aim Manual Page 55 Single Phase Motors And Controls Motor Maintenance North America Water Franklin Electric

How To Wire Contactor And Overload Relay Contactor Wiring Diagram Electrical Online 4u Electrical Circuit Diagram Diagram Electrical Wiring Diagram

How To Wire Contactor And Overload Relay Contactor Wiring Diagram Electrical Online 4u Electrical Circuit Diagram Diagram Electrical Wiring Diagram

Control Panel Wiring Schematic

Control Panel Wiring Schematic

0 Response to "36 pump control panel wiring diagram schematic"

Post a Comment

Iklan Atas Artikel

Iklan Tengah Artikel 1

Iklan Tengah Artikel 2

Iklan Bawah Artikel