Iklan 300x250

37 hot water recirculating pump diagram

Hot Water Recirculation Pumps: Pros, Cons, and Costs Learn about the pros and cons along with the potential water and energy savings in this in-depth product guide. Hot Water Recirculation Pumps: Pros, Cons, and Costs JavaScript is required to view this site. PDF Installation and Operation Manual - Watts Step C - Disconnect the hot water heater at the hot water discharge. (See Picture #1) Step D - Install pump onto the water heater discharge, using the 3/4" female fi tting and gasket supplied on the pump. The pump should be installed so that the pump is pumping away from the hot water heater, towards the house. Con-

Water Recirculation Piping Diagram (with Dedicated Return ... Water Recirculation Piping Diagram (Under Sink Application) Pump can be installed under sink (furthest fixture) for retrofit applications that does not have dedicated return lines. This can be done by using appropriate fittings (not provided in this kit).

Hot water recirculating pump diagram

Hot water recirculating pump diagram

Dedicated Recirc System hot water circulation system As hot water moves through your house your it cools off and needs to be reheated. By turning off the recirc pump the hot water stays in the water heater which is much more efficient at keeping heat. Studies show that hot water is used less than 3% of the time. That means, 97% of the time you could be saving energy! Residential Plumbing Diagrams | Hot Water Circulation Schematics showing several residential plumbing layouts utilizing a hot water circulation pump. We are open! Mon - Fri 7:00 am to 6:00 pm PST. ... WaterQuick Tankless Easy Installation Specification Sheets Tankless Diagrams Cold Water Stop. Dedicated Recirc Systems ... New Products Home Automation Module Constant Hot Water Module WaterQuick RV ... Hot-Water Circulation Loops - Fine Homebuilding The first step is to insulate all your hot-water pipes. The second step is to reduce the diameter of the pipe from the water heater to the fixture. (If permitted by code, 3⁄8-in. tubing can be used to serve a single lavatory, while 1⁄2-in. tubing can serve a single shower.

Hot water recirculating pump diagram. Rheem Performance 40 Gal. Tall 6 Year 40,000 BTU Natural ... The Rheem Performance 40 Gal. Natural Gas Tall Power Vent Water Heater comes with a 40,000 BTU/hour environmentally friendly low NOx burner that provides ample hot water for households with 2 to 4 people. Common Pressure-Washer Parts To Fix "Leaks Water" The thermal release valve keeps the water in the pump within a safe temperature range to prevent overheating, which can be caused by the recirculating water within the pump system. When the washer is not spraying water, it is recirculated within the pump system to keep it under pressure, which also causes the water to heat up. If the water inside of the pump is allowed to … Domestic Circulating Water Heaters - Hot Water from A. O ... Domestic Hot Water Boilers Description Series Piping Diagram PDF Piping Diagram DWG One Temperature, One Burkay® Boiler with Vertical Storage Tank HW 300 670 AOSDG61000 AOSDG61000 One Temperature, One Burkay® Boiler with Horizontal Storage Tank HW 300 670 AOSDG61001 AOSDG61001 How Does Hot Water Recirculation Pump Work? #Diagram ... The hot water recirculating pump, as the name indicates, creates a loop for the hot water to move across all the fixtures, taps, and faucets in your water circulation system. The hot water is continuously recirculated through the entire plumbing including even the farthest of the fixtures.

2016 CALIFORNIA CODES KITCHEN, BATH & LAUNDRY REMODEL ... • All piping ¾ inch or more in diameter and all hot water pipes from the heating source to the kitchen fixtures must be insulated with min. 1-inch thick insulation [CNC 150.0(j)2]. Existing inaccessible piping does not require insulation. Comparative Study of Refrigerations Systems for Ice Rinks ... The first one was the almost unanimous adoption and integration of heat recovery from the hot gas at the outlet of the compressors for preheating domestic hot water. The second change was the use of condensation heat to meet other ice rink heating loads using a secondary loop. The use of secondary loops has the added benefit of confining the refrigerant in mechanical rooms, … Rinnai Recirculation Diagram - schematron.org Technical Bulletin -RUR98i/e Piping Diagrams and Pump Settings for 2-Unit Installations 2-Unit Dedicated Return Line In applications utilizing a dedicated return line: The tankless water heater WITHOUT a recirculation pump will be the FIRST unit feeding off the cold water supply line. correctly for recirculation and mode. 500800 - Watts Watts Premier Hot Water Re-Circulating pump provides water to your faucet or shower instantly, eliminating water waste caused by waiting for water to heat up. This pump offers quiet, maintenance-free operation and includes a programmable timer that can be set to activate the pump only when you need it or set it to run 24-hours a day.

energy-models.com › centrifugal-chiller-fundamentalsCentrifugal Chiller - Fundamentals - Energy-Models.com Hot gas bypass is a means of recirculating hot discharge refrigerant back into the evaporator. The refrigerant must pass through a pressure reducing device (Hot Gas Bypass Valve). The purpose of hot gas bypass is to maintain a minimum gas volume flow rate through the compressor to avoid surging or stalling during low load conditions. Hot water heater with circulating pump diagram | Terry ... Basically use the left half of the first diagram for the water heater side, the right half of the second for the baseboard side (but add in a filling valve.) There's not much pumping head to either loop- a 1/40 HP pump like a Taco 003 or 006 would should be enough. Best On-Demand Under Sink Hot Water Recirculation Pump ... The hot water recirculation pumps with the on-demand under sink functionality can be a great option for achieving the best standards in this context. There are two types of pump installations used for hot water recirculating pumps - on demand under the sink hot water recirculating pump and the above the water heater hot water recirculating pumps. Hot Water Recirculators 101 - Hot Water Recirculators With a hot water recirculation system: Time to 95° F (shower): 2 seconds Time to 120° F (washing dishes): 4 seconds. Water Saved: Having a hot water recirculation system saves water by not having to run the faucet while waiting for hot water. Watts claims that using their system will save the average user 11,000+ gallons of water each year.

Domestic Hot Water Recirculation Part 5: Recirculation ...

Domestic Hot Water Recirculation Part 5: Recirculation ...

Gravity Hot Water System - No Pump Required ... Locate the end of your existing hot water line. Cut into the pipe at this location where the pipe in the basement turns up to go into the fixture on the first floor. Install a tee fitting in place of the 90-degree fitting. One part of the tee will allow you to reconnect to the hot water line.

Hot Water Circulation How It Works Circulate Hot Water More ...

Hot Water Circulation How It Works Circulate Hot Water More ...

What is a Hot Water Recirculating Pump? - TLC Plumbing A hot water recirculating pump is installed on your water heater, returning unused hot water back to the water heater. It is designed to provide hot water on demand. Two Types of Recirculating Pumps Option #1 Full Recirculating Pump System With this option, an additional pipe that is designated for hot water is installed in your home's plumbing.

How to Get Hot Water with a Recirculating Pump | Ask This Old House

How to Get Hot Water with a Recirculating Pump | Ask This Old House

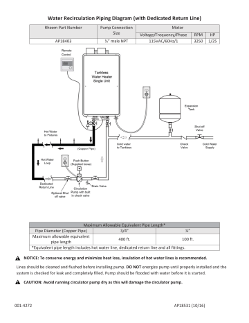
PDF Hot Water Recirculating System Installation Instructions The table on page 4 provides the list of water heaters that have the recirculation logic feature. Ground! Remote Control Tankless Water Heater Single Unit Hot Water to Fixtures Hot Water Loop Dedicated Return Line Circulation Pump with built in check valve Expansion Tank Wire to Connect Pump to heater (8 ft long) Cold water to Tankless Cold ...

Residential Plumbing Diagrams | Hot Water Circulation ...

Residential Plumbing Diagrams | Hot Water Circulation ...

Rinnai Recirculation Diagram - Wiring Diagrams Rinnai Recirculation Diagram. Technical Bulletin - RUR98i/e Piping Diagrams and Pump Settings for The tankless water heater WITHOUT a recirculation pump will be the FIRST unit. operational cycles of the recirculation pump through the Rinnai Water Heaters that Incorporate Circ-Logic™ .. Refer to Figure 5: Electrical Diagram.

Example of Recirculating Pump Traditional Grundfos, Laing, Taco

Example of Recirculating Pump Traditional Grundfos, Laing, Taco

Piping / Recirculation Diagram - Watts Water Technologies Piping / Recirculation Diagram ... HOT WATER (LTHW). (TO FIXTURES) ... *MUST RUN RECIRC PUMP CONTINUOUSLY WHEN REQUIRED MINIMUM FLOW IS LESS.2 pages

How Does Hot Water Recirculation Pump Work? #Diagram - Water ...

How Does Hot Water Recirculation Pump Work? #Diagram - Water ...

How to Install a Hot Water Recirculating Pump 3 INSTALL THE PUMP With an adjustable wrench, disconnect the hot water discharge line coming out of your water heater. Insert a gasket into the female fitting on the recirculating pump and screw it onto the threads of the water heater discharge outlet. Use Teflon tape and tighten with a wrench.

RFQ Cover

RFQ Cover

Hot Water Recirculating Pump (VIDEO) & Instructions - This ... Accessing Hot Water With a Recirculation Pump A recirculation line is a separate water pipe that runs off the hot-water line from the farthest plumbing fixture back to the water heater. A pump at the water heater moves hot water through the recirculation line. Any cold water in the recirculation line is returned to the heater.

Hot Water Recirculation Pumps: Pros, Cons, and Costs

Hot Water Recirculation Pumps: Pros, Cons, and Costs

Quicker Hot Water With a Hot Water Recirculating System Near the water heater area, a recirculating pump pulls the water from the furthest fixture back into the water heater, creating a loop. This loop keeps hot water going throughout the house so when a fixture is used, hot water is right there. If you have a dedicated return line, then this is a great system to use.

Example of Recirculating Pump Traditional Grundfos, Laing, Taco

Example of Recirculating Pump Traditional Grundfos, Laing, Taco

Re-circulating hot water without a pump - Charles Buell ... Re-circulating hot water without a pump Hot water is less dense than cold water, making it more buoyant. In this sense it will float on the cooler water. It will displace cooler water which then sinks—because it is denser. This can become an endless loop driven by the hot water in your water heater.

Hot-Water Circulation Loops - Fine Homebuilding

Hot-Water Circulation Loops - Fine Homebuilding

Hot Water Circulation and Hot Water Recirculation ReadyTemp is a dual compatible hot water circulation / recirculation system. Working proficiently on both a closed loop system in which a dedicated return line exist as well as in homes in which no dedicated return line exists. installs at the farthest faucet from the water heater as shown by the below diagram.

SMART RECIRCULATION CONTROL - Smart Hot Water Recirculating ...

SMART RECIRCULATION CONTROL - Smart Hot Water Recirculating ...

Chiller Cooling Capacity - How to calculate - The ... 22.07.2017 · (Hot water supply to roof storage tanks usage 12 cu.metres per day) Also, the heat loss on a 50mm diameter with 25mm insulation over a distance from chiller to roof storage tanks is est. 100m in length. What’s the possible heat loss? Appreciate for prompt reply Paul. Thank you & cheers. Best regards, Tony. Reply. hassan Jan 30, 2018 At 10:30 am. hi good day, please …

Instant Hot Water Recirculating Pump - OHMefficient

Instant Hot Water Recirculating Pump - OHMefficient

Hot Water Recirculation Pumps - DIY Plumbing Advice Hot water recirculation pumps can be located either at the water heater itself, or at a point of use (fixture) in the building, and either timer aquastat driven or on demand & aquastat Pump at the water heater (dedicated return line) Pumps located at the water heater are suitable for installations with a pre-installed hot water return line.

Hot Water Recirculator Pumps Speed up Delivery of Hot Water ...

Hot Water Recirculator Pumps Speed up Delivery of Hot Water ...

Installing an Instant Hot Water Recirculating Pump Screw the pump onto the hot side of the water heater. As you tighten it, make sure the timer face is turned in a direction where it can be readily adjusted. Plumber's tape can be used on the threads of the water heater nipple, but it is usually not necessary if there is a rubber gasket inside the female nut of the pump fitting.

Use a Tankless water heater with a Recirculation Loop

Use a Tankless water heater with a Recirculation Loop

S192100 EFX25 Emergency Fixture Thermostatic Mixing Vale • Built-in Cold Water Bypass, Assuring Cold Flow • Positive Shutoff of Hot Supply When Cold Supply is Lost • Easy Installation and Serviceability • Dirt and Lime Resistant • Dial Thermometer • Factory Assembled and Tested • Universal Mounting Capability • Cabinet Features: — 18 Gauge Body & Door — Left-Hand Hinge — Cylinder Lock — Inlet/Outlet Knock-Out Holes for ...

Tech Topic: Domestic Hot Water Recirculation | 2017-10-30 ...

Tech Topic: Domestic Hot Water Recirculation | 2017-10-30 ...

Range/Stove/Oven Parts: Fast Shipping - Frigidaire ... Range/Stove/Oven Parts - Shop online or call 888-343-4948. Fast shipping. Open 7 days a week. 365 day return policy.

Circulating pump - Plumbing Inspections - InterNACHI®️ Forum

Circulating pump - Plumbing Inspections - InterNACHI®️ Forum

› topics › engineeringVenturi Effect - an overview | ScienceDirect Topics This leads to the formation of fewer eddies and smaller areas of recirculating flow. As we shall see later, this leads to less loss of energy in the form of frictional heat and so the device creates less of a load to the pump producing the flow. A typical Venturi meter is shown in Figure 3.2.15.

Hot Water Recirculation System Controls - Bob Vila

Hot Water Recirculation System Controls - Bob Vila

en.wikipedia.org › wiki › Automobile_air_conditioningAutomobile air conditioning - Wikipedia In 1954, the Nash Ambassador was the first American automobile to have a front-end, fully integrated heating, ventilating, and air-conditioning system. The Nash-Kelvinator corporation used its experience in refrigeration to introduce the automobile industry's first compact and affordable, single-unit heating and air conditioning system optional for its Nash models.

Amazon.com: PROZRTED Smart Instant Hot Water Recirculating ...

Amazon.com: PROZRTED Smart Instant Hot Water Recirculating ...

Hot Water Recirculating Loop - Ask the Builder A hot water recirculating system can give you instant hot water, but you must mind some important safety tips! Follow this guide for proper installation of your recirculating hot water system. Ask the Builder. Secondary Navigation. ... you need to use a recirculating water pump.

Residential Hot Water Distribution Options

Residential Hot Water Distribution Options

The hot water boiler circulating system - grayfurnaceman.com The above diagram is a simplified boiler gravity circulating system. As the water arrives at the bottom of the boiler, the burning fuel warms the water. The warm water naturally rises through the angled pipes to the terminal unit which transfers the heat from the water to the heated space.

Rheem RH18537 1/25 HP Hot Water Recirculating Pump with Under ...

Rheem RH18537 1/25 HP Hot Water Recirculating Pump with Under ...

PDF Application, Selection & Installation Guide - TACO Connections are made from the hot and cold lines to the suction and discharge side of the pump using adapter tees and stainless flex lines provided. When hot water is needed, the pump is activated by pressing a starter button, runs only long enough to supply hot water to the fixture and then automatically stops.

Hot Water On Demand - Recirculating Pump Systems

Hot Water On Demand - Recirculating Pump Systems

Tankless Water Heater with Recirculation Diagram | DIY ... This setup utilizes a hot water circulation pump. When a person walks into the bathroom/kitchen, a motion sensor is activated and which starts the pump, which fires the Tankless Water Heater. The pump is pumping water in a recirculation loop. Each of the bathroom and kitchen fixtures is on the loop.

How Does A Hot Water Recirculating System Work? - Home ...

How Does A Hot Water Recirculating System Work? - Home ...

Grundfos 59896341 UPS15-58FC Super Brute Circulator, Red ... AB WiseWater Circulation Pump, Hot Water Recirculating Pump, 3 Speed Switchable Circulator Pump with 1'' Threaded Flanges for Hydronic Radiant Heating, Floor Heating And Other Water Heater System. 4.3 out of 5 stars 94. 1 offer from $75.99. BELL & GOSSETT 103251 Bell & Gossett Nrf-22 Cast Iron Wet Rotor Circulator Pump. 4.7 out of 5 stars 270. Amazon's …

Hot Water Recirculation Systems: How They Work - Fine ...

Hot Water Recirculation Systems: How They Work - Fine ...

Hot-Water Circulation Loops - Fine Homebuilding The first step is to insulate all your hot-water pipes. The second step is to reduce the diameter of the pipe from the water heater to the fixture. (If permitted by code, 3⁄8-in. tubing can be used to serve a single lavatory, while 1⁄2-in. tubing can serve a single shower.

What is a Recirculation Pump & How Does it Work?

What is a Recirculation Pump & How Does it Work?

Residential Plumbing Diagrams | Hot Water Circulation Schematics showing several residential plumbing layouts utilizing a hot water circulation pump. We are open! Mon - Fri 7:00 am to 6:00 pm PST. ... WaterQuick Tankless Easy Installation Specification Sheets Tankless Diagrams Cold Water Stop. Dedicated Recirc Systems ... New Products Home Automation Module Constant Hot Water Module WaterQuick RV ...

Re-circulating hot water without a pump - Charles Buell ...

Re-circulating hot water without a pump - Charles Buell ...

Dedicated Recirc System hot water circulation system As hot water moves through your house your it cools off and needs to be reheated. By turning off the recirc pump the hot water stays in the water heater which is much more efficient at keeping heat. Studies show that hot water is used less than 3% of the time. That means, 97% of the time you could be saving energy!

Instant Hot Water Recirculating Pump - OHMefficient

Instant Hot Water Recirculating Pump - OHMefficient

5 Best Hot Water Recirculating Pumps (Spring 2022) – Reviews ...

5 Best Hot Water Recirculating Pumps (Spring 2022) – Reviews ...

J. PIPING DIAGRAMS

J. PIPING DIAGRAMS

Recirculation Pump Installation and Repair in Saddle Brook, NJ

Recirculation Pump Installation and Repair in Saddle Brook, NJ

Bradford Hot Water recirculating Installation and Repair

Bradford Hot Water recirculating Installation and Repair

J. PIPING DIAGRAMS

J. PIPING DIAGRAMS

Circulation Pump FAQ – BACO ENGINEERING

Circulation Pump FAQ – BACO ENGINEERING

TacoGenie | Instant Hot Water | www.tacocomfort.com

TacoGenie | Instant Hot Water | www.tacocomfort.com

Recirculation Systems

Recirculation Systems

Hot Water Circulation How It Works Circulate Hot Water More ...

Hot Water Circulation How It Works Circulate Hot Water More ...

Hot Water Recirculating Pump for Instant Hot Water -

Hot Water Recirculating Pump for Instant Hot Water -

Hot water recirculating system - DoItYourself.com Community ...

Hot water recirculating system - DoItYourself.com Community ...

0 Response to "37 hot water recirculating pump diagram"

Post a Comment

Iklan Atas Artikel

Iklan Tengah Artikel 1

Iklan Tengah Artikel 2

Iklan Bawah Artikel