Iklan 300x250

39 troy bilt mustang 50 deck belt diagram

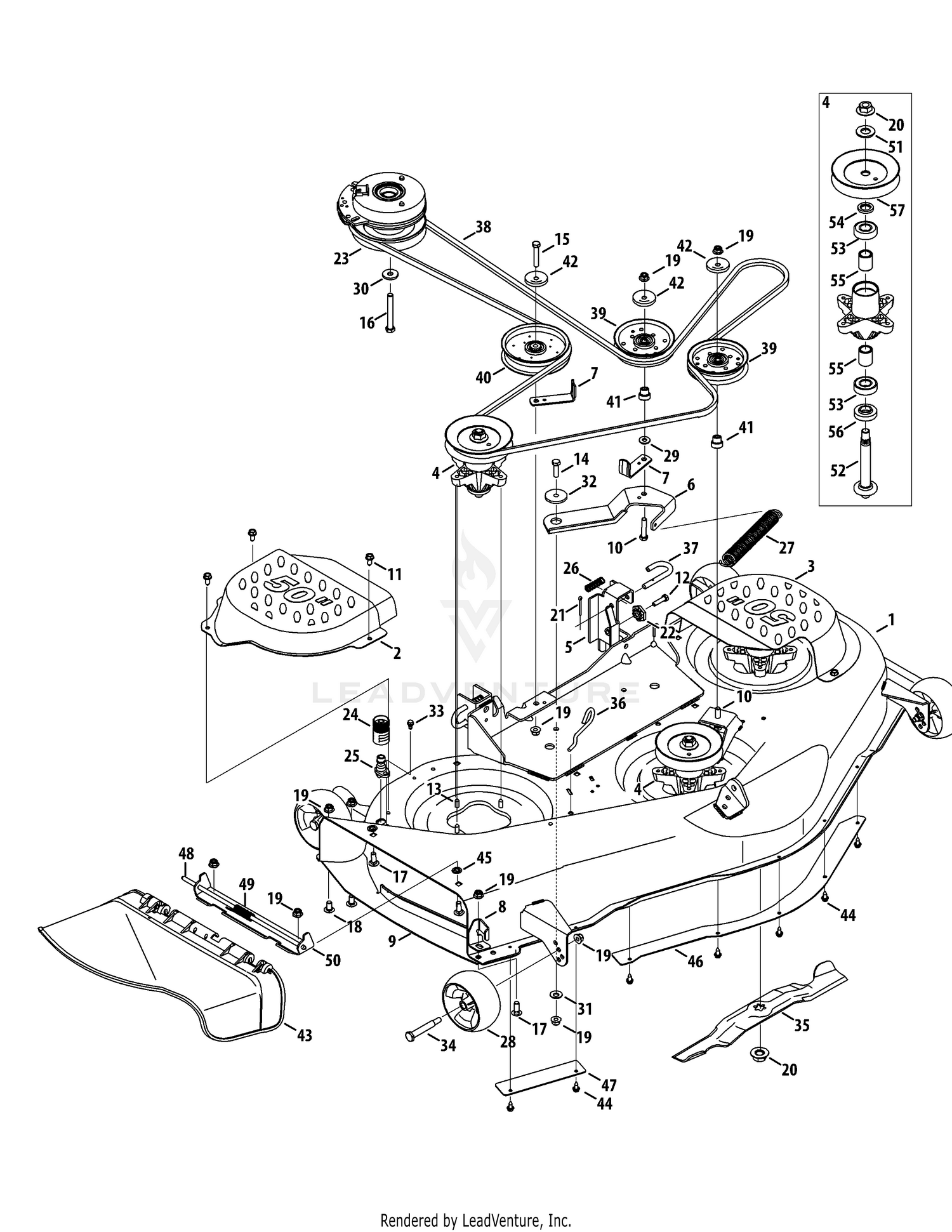
Troy-Bilt 17ARCACP011 - Troy-Bilt Mustang XP 50" Zero-Turn ... Mower Deck 50-Inch diagram and repair parts lookup for Troy-Bilt 17ARCACP011 - Troy-Bilt Mustang XP 50" Zero-Turn Mower (2014) The Right Parts, Shipped Fast! ... Belt Cover, RH. Usually ships in 5 to 10 days ... How to Change the Deck Belt on Troy-Bilt Zero-Turn Mower ... Deck Installation 1 Ensure that the pivoting hanger rod is still clear, and carefully slide the deck back under the tractor. Once in place, slide the deck forward and visually align the upper pivot...

PDF 50 inch troy bilt mower deck belt diagram Troy bilt mustang 50 deck belt diagram. Zero turn mower deck belt replacement. Drive belt troy bilt zero. It is easy and free. View and download troy bilt rzt 50 operators manual online. Shop all service parts. How to replace a troybuilt zero turn mower drive belt in under 3 min the easy way. Deck belt 1 deck height adjustment 1 deck level 1

Troy bilt mustang 50 deck belt diagram

Troy bilt mustang 50 deck belt diagram

Troy Bilt Bronco Riding Mower Belt Diagram - schematron.org Instructions. Step 1: Turn the mower off and make sure . Need to fix your 13WX78KS (Bronco) () Lawn Tractor? We have parts, diagrams, accessories and repair advice to make your tool repairs easy. Place the new belt over the sheaves (pulleys and tensioners) according to your mower's routing diagram. Premature belt failures Troy Bilt ZTR Mustang 50" Why are ... 17AF2ACP766 - Troy-Bilt Mustang RZT 50" Zero-Turn Mower (2007) Mustang RZT 50" Zero-Turn Mower. Replacing the solenoid. Failed to mark the location for the green wire. I ask this question last night b … read more ARIMain - Weingartz 50 RZT-L/S DECK BE Price Loading Add to Cart Add To Cart 33 490-501-Y070 Troy-Bilt 50" DECK DRIVE BELT No Longer Available: No Longer Available: 34 CC756-04511B ARI Sku: 756-04511B Pulley-Flat Idler Price Loading

Troy bilt mustang 50 deck belt diagram. Troy Bilt 17ARCACQ011 Mustang 50 XP (2015) Parts Diagrams Troy Bilt 17ARCACQ011 Mustang 50 XP (2015) Parts Diagrams .Quick Reference Bumper Controls Deck Lift Drive System Engine Accessories (Kohler) Frame & Electrical Front Axle Fuel Tank Label Map 17ARCACQ011 Mower Deck 50-Inch Operators Platform Seat Adjustment Wiring Schematic Attachment JavaScript Disabled - Unable to show Cart Troy-Bilt Mustang RZT 50" Zero-Turn Mower | 17AF2ACP711 ... Troy-Bilt 17AF2ACP711 (2007) Mustang RZT 50" Zero-Turn Mower Parts Frame_And_Front_Axle Page B Seat_Adjustment Electrical OperatorS_Platform OperatorS_Controls Mower_Deck Engine_Connections Hydro_Transmaission_And_Rear_Wheels Frame_And_Front_Axle Fig # 1 Frame Assembly Part Number:603-04680A Ships in 4 - 9 business days Troy-Bilt Parts Diagrams Troy-Bilt Parts Diagrams Lookup Parts by Diagram Use our parts diagram tool below to find the parts you need for your machine. Select the model and year, then browse the parts diagrams to find the right part. Add to cart when you're ready to purchase and we'll ship it to you as soon as possible! Troy-Bilt - 17AF2ACP766 MUSTANG RZT 50 (2007) Troy-Bilt - 17AF2ACP766 MUSTANG RZT 50 (2007) Click and drag to pan. Zoom. Diagrams.Quick Reference ; Attachment ; Deck Lift & Controls ; Electrical ... SHELL-50 DECK : Qty: Add to Cart: 1: 777S32598 : LABEL-RZT DECK WAR : Qty: Add to Cart: 1 ...

Troy Bilt 17WF2ACP011 Mustang XP (2012) Mower Deck 50-Inch ... Troy Bilt 17WF2ACP011 Mustang XP (2012) Parts Diagram for Mower Deck 50-Inch Troy Bilt 17WF2ACP011 Mustang XP (2012) Mower Deck 50-Inch Exploded View parts lookup by model. Complete exploded views of all the major manufacturers. It is EASY and FREE Jacks works best with JavaScript enabled Learn More Please leave us a message! Close Loading ... Troy Bilt Mustang Xp 50 Wiring Diagram Troy-Bilt's Mustang™ 50 XP zero-turn lawn mower is perfect for larger yards. With advanced zero-turn technology & a wide mowing deck, this zero-turn mower will cut down your lawn care time/5(). Oct 10, · i need a wiring diagram for a troy bilt 50" zeroturn mower.rzt 50 wiring schematic Questions & Answers (with Pictures) - FixyaTroy-Bilt ... Troy Bilt 17AF2ACP766 MUSTANG RZT 50 (2007) Parts Diagrams Troy Bilt 17AF2ACP766 MUSTANG RZT 50 (2007) Parts Diagrams .Quick Reference Deck Lift & Controls Electrical Engine Connections Frame Assembly Front Axle Assembly Hydro Transmission & Rear Wheels Mower Deck Operator's Platform Seat Adjustment Attachment JavaScript Disabled - Unable to show Cart Troy Bilt 17ARCACQ011 Mustang 50 XP (2015) Parts Diagram ... Troy Bilt 17ARCACQ011 Mustang 50 XP (2015) Mower Deck 50-Inch Parts Diagram .Quick Reference Bumper Controls Deck Lift Drive System Engine Accessories (Kohler) Frame & Electrical Front Axle Fuel Tank Label Map 17ARCACQ011 Mower Deck 50-Inch Operators Platform Seat Adjustment Wiring Schematic 17ARCACQ011 Mustang 50 XP (2015) Mower Deck 50-Inch

PDF Troy-Bilt Parts Manual - mymowerparts.com 17AF2ACP766 MUSTANG RZT 50 (2007) Page 12 of 21 Mower Deck Ref # Part Number Qty S/P/F Description 1 603-04328 1 S Housing, Deck 1 777S32598 1 Graphic, Danger 1 777S30503 1 /P Graphic, Danger 1 777I22282 1 S Graphic, Instruction 1 777D10896 1 Graphic, Troy-Bilt 2 618-04126A 3 S Spindle Assembly 3 631-04070A 1 /P Chute Assembly, Discharge Riding Mower 54-inch Deck Belt - 954-04329A | Troy-Bilt US Free Shipping on Parts*. $83.99. Fits RZT Mowers with a 54-inch Cutting Deck (2013 -) For Troy-Bilt, Cub Cadet and Craftsman. Fits Cub Cadet S54, L54 KH, S54 KH, S54 KW, LX 54 KW, SX 54 KW. Fits Cub Cadet ZT1 and ZT2 Ultima Series 54 KH and 54 KW. Fits Craftsman Z560, Z6600, Z6900. Riding Mower 50-inch Deck Belt - 490-501-M018 | Troy-Bilt US Free Shipping on Parts*. $52.99. Fits Residential Zero-Turn (RZT) Mowers with a 50-in Cutting Deck (2007 - 2012) For Cub Cadet, Troy-Bilt, Craftsman, MTD Gold, White Outdoor and Yard-Man. Fits Cub Cadet RZT22, RZT50, RZT50 KH, RZT50 KW, RZT50 VT, Z-Force S 48 LP, Z-Force S 48-KH. Fits Troy-Bilt Mustang RZT 50, Mustang XP. Troy Bilt 17BF2ACP011 Mustang XP (2009) Mower Deck 50 Inch ... Troy Bilt 17BF2ACP011 Mustang XP (2009) Mower Deck 50 Inch Exploded View parts lookup by model. Complete exploded views of all the major manufacturers. It is EASY and FREE

Troy-Bilt 17WF2ACP011 Mustang XP (2012) Mower Deck 50-Inch

Troy-Bilt 17WF2ACP011 Mustang XP (2012) Mower Deck 50-Inch

Troy-Bilt Mustang XP | 17BF2ACP011 | eReplacementParts.com Repair Parts Home Lawn Equipment Parts Troy-Bilt Parts Troy-Bilt Lawn Mower Parts Troy-Bilt 17BF2ACP011 (2010) Mustang XP Parts. ... (50" Deck) $455.90. Ships in 4 - 9 business days Add to Cart $455.90 Add to Cart ... Label-Belt Route. $17.36 Part Number: 977I22282. In Stock, 1 available ...

Buy MTD 954-04044A Replacement Belt for RZT With 50-Inch ...

Buy MTD 954-04044A Replacement Belt for RZT With 50-Inch ...

Troy-Bilt 17AFCACP011 - Troy-Bilt Mustang XP 50" Zero-Turn ... Troy-Bilt repair parts and parts diagrams for Troy-Bilt 17AFCACP011 - Troy-Bilt Mustang XP 50" Zero-Turn Mower (2013) The Right Parts, Shipped Fast! ... Mower Deck. Operators Platform. Seat Adjustment. Wiring Schematic. Attachments For This Model (3) Hide .

Deck Belt for Troy Bilt Mustang XP with 54

Deck Belt for Troy Bilt Mustang XP with 54" Cut 754-04329, 754-04329A, 954-04329, 954-04329A

Troy Bilt Deck belt Replacement - YouTube Easy steps to replace your drive belt.Join the Experience!! Thanks for watching, Comment ,Rate and Subscribe!.. Thanks to all of my Googlers you guys are ...

TROY-BILT RZT 50 OPERATOR'S MANUAL Pdf Download | ManualsLib

TROY-BILT RZT 50 OPERATOR'S MANUAL Pdf Download | ManualsLib

PDF Troy-Bilt Parts Manual - mymowerparts.com 17AF2ACP011 MUSTANG RZT 50 (2008) Page 1 of 23 Electrical For Discount Troy Bilt Parts Call 606-678-9623 or 606-561-4983

How to Replace a Troy-Bilt Zero-Turn Riding Mower Ground Drive Belt

How to Replace a Troy-Bilt Zero-Turn Riding Mower Ground Drive Belt

Troy-Bilt 17WF2ACP011 - Troy-Bilt Mustang XP Zero-Turn ... Mower Deck 50-Inch diagram and repair parts lookup for Troy-Bilt 17WF2ACP011 - Troy-Bilt Mustang XP Zero-Turn Mower (2011) The Right Parts, Shipped Fast! ... Belt Cover, LH. Usually ships in 5 to 10 days ...

lawn - Hydrostatic mower drive belt - Troy Bilt Horse - Home ...

lawn - Hydrostatic mower drive belt - Troy Bilt Horse - Home ...

Troy-Bilt 17ARCACQ011 - Troy-Bilt Mustang XP 50" Zero-Turn ... 1 Troy-Bilt Part# 903-05189-4033 50" Deck (Superseded to 903-05189B-4033) Not available 2 Troy-Bilt Part# 903-05211 Deck Idler Assembly (Superseded to 603-05350-0637) Not available 3 Troy-Bilt Part# 603-05215-0637 Deck Lift Bracket (Superseded to 603-05215A-0637) Usually ships in 5 to 10 days $ 46.58 Add to Cart 0 4

34

34" Dash XD Parts Manual - 940742CE - HTDSXS034KAWFR541VC

Amazon.com: troy bilt rzt 50" deck. Savior 754-04044 Replacement Belt for MTD Troy-Bilt 954-04044 754-04044A 954-04044A Mower RZT 50" Deck Belt. 4.3 out of 5 stars. 21. $15.99. $15. . 99. Get it as soon as Thu, Feb 10. FREE Shipping on orders over $25 shipped by Amazon.

Engine Connections | Troy-Bilt Mustang 50 | Parts Manual ...

Engine Connections | Troy-Bilt Mustang 50 | Parts Manual ...

Riding Mower 50-inch Deck Belt - 954-04044A | Troy-Bilt US Riding Mower 50-inch Deck Belt. Original Equipment Genuine Part (OEM) Item#: 954-04044A. Free Shipping on Parts*. $61.59. No rating value average rating value is 0.0 of 5. Read 0 Reviews Same page link. 0 Reviews. Write a review.

Troy-Bilt 17ARCACP011 Mustang 50 XP (2014) Mower Deck 50-Inch

Troy-Bilt 17ARCACP011 Mustang 50 XP (2014) Mower Deck 50-Inch

RZT 50-inch Deck Belt - 954-05078 | Troy-Bilt US Read reviews and buy RZT 50-inch Deck Belt954-05078. Free shipping on parts orders over $45. ... Fits Troy-Bilt Mustang XP 50, Mustang Z50; This belt is also available as Item 490-501-C070 . Quantity. Add to Cart ... If you purchase the wrong part from Troy-Bilt or a Troy-Bilt authorized online reseller, Troy-Bilt, or your Troy-Bilt authorized ...

troy bilt riding lawn mower drive belt replacement ...

troy bilt riding lawn mower drive belt replacement ...

Troy-Bilt 50-in Deck/Drive Belt for Riding Lawn Mowers in ... Fits Troy-Bilt and MTD 50" RZT mowers. Replaces OE # 754-04044, 754-04044A, 954-04044, and 954-04044A. Specifically engineered tension and compression materials used to resist wear and provide optimum strength and performance. Consult lawn mower operator's manual for installation instructions. Contains 1 belt

Troy-Bilt Mustang 50 Zero-Turn Mower - Review - Tools In ...

Troy-Bilt Mustang 50 Zero-Turn Mower - Review - Tools In ...

RZT 50 Inch Mower Decks RZT 50" Deck Rebuild KIT - Spindles Belt Blades & Bolts Cub Cadet, MTD, Troy-Bilt & Craftsman RZT Mowers with 50" decks (903-04328 Series) Z-Force Deck Shell 50" Genuine Cub Cadet Z-Force 50" Yellow Deck Shell 02002769-4021

Troy Bilt 17ARCACS011 Mustang 42 XP (2015) Parts Diagram for ...

Troy Bilt 17ARCACS011 Mustang 42 XP (2015) Parts Diagram for ...

Troy-Bilt 17ARCACQ011 - Troy-Bilt Mustang XP 50" Zero-Turn ... Deck diagram and repair parts lookup for Troy-Bilt 17ARCACQ011 - Troy-Bilt Mustang XP 50" Zero-Turn Mower (2016) ... V-BELT B SEC x 143.5 LG.

Troy-Bilt 50-in Drive Belt for Riding Lawn Mowers in the Lawn ...

Troy-Bilt 50-in Drive Belt for Riding Lawn Mowers in the Lawn ...

ARIMain - Weingartz 50 RZT-L/S DECK BE Price Loading Add to Cart Add To Cart 33 490-501-Y070 Troy-Bilt 50" DECK DRIVE BELT No Longer Available: No Longer Available: 34 CC756-04511B ARI Sku: 756-04511B Pulley-Flat Idler Price Loading

Troy-Bilt Mustang 25-HP V-twin Dual Hydrostatic 50-in Zero ...

Troy-Bilt Mustang 25-HP V-twin Dual Hydrostatic 50-in Zero ...

Premature belt failures Troy Bilt ZTR Mustang 50" Why are ... 17AF2ACP766 - Troy-Bilt Mustang RZT 50" Zero-Turn Mower (2007) Mustang RZT 50" Zero-Turn Mower. Replacing the solenoid. Failed to mark the location for the green wire. I ask this question last night b … read more

SOLVED: LH idler pulley bracket assembly seems to be - Fixya

SOLVED: LH idler pulley bracket assembly seems to be - Fixya

Troy Bilt Bronco Riding Mower Belt Diagram - schematron.org Instructions. Step 1: Turn the mower off and make sure . Need to fix your 13WX78KS (Bronco) () Lawn Tractor? We have parts, diagrams, accessories and repair advice to make your tool repairs easy. Place the new belt over the sheaves (pulleys and tensioners) according to your mower's routing diagram.

I have a Troy-Built 50'' zero turn mower. Mustang XT model ...

I have a Troy-Built 50'' zero turn mower. Mustang XT model ...

Troy-Bilt 17ARCACQ011 - Troy-Bilt Mustang XP 50

Troy-Bilt 17ARCACQ011 - Troy-Bilt Mustang XP 50" Zero-Turn ...

How to change the deck belt | Troy-Bilt riding lawn mower ...

How to change the deck belt | Troy-Bilt riding lawn mower ...

Troy-Bilt RZT - Colt ZT42 Lawn Tractor | 17BE2ACG011 ...

Troy-Bilt RZT - Colt ZT42 Lawn Tractor | 17BE2ACG011 ...

Amazon.com : UpStart Components 2-Pack 954-04044A Riding ...

Amazon.com : UpStart Components 2-Pack 954-04044A Riding ...

Troy-Bilt Mustang 50 XP__Zero-Turn Riding Lawn Mower User's ...

Troy-Bilt Mustang 50 XP__Zero-Turn Riding Lawn Mower User's ...

Troy-Bilt 17ARCACQ211 Mustang 50 XP (2015) Mower Deck 50-Inch ...

Troy-Bilt 17ARCACQ211 Mustang 50 XP (2015) Mower Deck 50-Inch ...

SOLVED: The deck belt keeps falling off of my Troy-Bilt - Fixya

SOLVED: The deck belt keeps falling off of my Troy-Bilt - Fixya

What is the belt diagram for troy buit 3312grs - Fixya

What is the belt diagram for troy buit 3312grs - Fixya

Troy-Bilt Mustang 50 Zero-Turn Mower - Review - Tools In ...

Troy-Bilt Mustang 50 Zero-Turn Mower - Review - Tools In ...

Troy-Bilt 17ARCACQ211 Mustang 50 XP (2015) Mower Deck 50-Inch ...

Troy-Bilt 17ARCACQ211 Mustang 50 XP (2015) Mower Deck 50-Inch ...

Troy-Bilt 17AF2ACP766 Mustang RZT 50 '07 17-Z Series ...

Troy-Bilt 17AF2ACP766 Mustang RZT 50 '07 17-Z Series ...

How To Tighten The Belt On A Troy-Bilt Riding Mower ...

How To Tighten The Belt On A Troy-Bilt Riding Mower ...

Deck Belt Replacement | Troy-Bilt Mustang 54 Support

Deck Belt Replacement | Troy-Bilt Mustang 54 Support

Deck Belt Replacement | Troy-Bilt Mustang 54 Support

Deck Belt Replacement | Troy-Bilt Mustang 54 Support

troy bilt mustang 50 deck belt diagram,Free delivery,www ...

troy bilt mustang 50 deck belt diagram,Free delivery,www ...

Troy-Bilt Mustang 50 Zero-Turn Mower - Review - Tools In ...

Troy-Bilt Mustang 50 Zero-Turn Mower - Review - Tools In ...

8TEN Deck Belt for Troy-Bilt Mustang Colt XP Cub Cadet RZT42 GT2550 GT2554  MTD RZT 42 954-04137 954-04137A

8TEN Deck Belt for Troy-Bilt Mustang Colt XP Cub Cadet RZT42 GT2550 GT2554 MTD RZT 42 954-04137 954-04137A

Troy-Bilt 17AFCACP011 Mustang 50 XP '13 17-Z Series ...

Troy-Bilt 17AFCACP011 Mustang 50 XP '13 17-Z Series ...

Troy Bilt 17ADCACT066 Mustang 46 XP (2015) Parts Diagram for ...

Troy Bilt 17ADCACT066 Mustang 46 XP (2015) Parts Diagram for ...

954-04044A V-Belt 50

954-04044A V-Belt 50" Deck Cub Cadet Zero Turn Mower Troy-Bilt Mustang RZT RZT50 | eBay

John Deere 60

John Deere 60" Deep Accel Complete Mower Deck BUC10747

Troy Bilt Lawn Mower Belt Replacement Deck Drive Belt A94

Troy Bilt Lawn Mower Belt Replacement Deck Drive Belt A94

Troy-Bilt Mustang XP RZT 50 50

Troy-Bilt Mustang XP RZT 50 50" Zero Turn Lawn Mower Deck Parts Kit

0 Response to "39 troy bilt mustang 50 deck belt diagram"

Post a Comment

Iklan Atas Artikel

Iklan Tengah Artikel 1

Iklan Tengah Artikel 2

Iklan Bawah Artikel