Iklan 300x250

39 honda gcv160 parts diagram

PDF Honda Engine Gc 160 Diagram - cms.nationnews.com Honda Gcv160 Engine Parts Diagram | Reviewmotors.co Page 1/3. Read PDF Honda Engine Gc 160 Diagram Honda Lawn Mower Carburetor Honda Gcv Carburetor you will need your Model & serial number off of the engine to find the diagram. I have Honda HRTS3DA powered by GCV engine. It seems to me that there is a problem with the linkage or the governor is ... PDF Honda gcv160 carburetor parts diagram Honda gcv160 carburetor parts diagram Hi, I'm in the process of servicing my Honda lawnmower, with Honda GCV160 engine. I'm looking for a service manual and parts list and diagram for this engine. Also, are there any diagrams for the carbs that show all the chambers/holes to be cleaned? My carb is p/n 16100-Z0L-023. Thanks for any help.

Honda Engines | Small Engine Models, Manuals, Parts ... The OHV layout, with enhanced valve positioning and combustion chamber, the new GCV 170 pumps out an increase in torque of 18 percent and a nine percent horsepower gain over the GCV160; GCV 200: also showed a strong increase in torque of 13 percent and 10 percent horsepower gain over the GCV 190 Over Head Valve The superior choice for manufacturers

Honda gcv160 parts diagram

Honda gcv160 parts diagram

Honda Engines - Parts Look Up - Official Site The official parts look up site for Honda Engines. Look up and order parts for Honda GX, GC, GCV, and GXV small engines. A complete parts catalog is available. Honda GCV160 (GJAE) Engine Parts | Honda GCV160 Engine ... Back to Honda GCV Engine Parts Honda GCV160 Engine Parts. Honda GCV160E (GJAAE) Engine Parts; Honda GCV160 (GJAE) Engine Parts; Honda GCV160A (GJAEA) Engine Parts PDF GCV160-GCV190 Manual - ppe-pressure-washer-parts.com GCV160 • GCV190 B WARNING: B The engine exhaust from this product contains ... Refer to the individual diagrams below to determine your engine control type when reading the Operation section and ... parts. 5. Check the equipment powered by this engine.

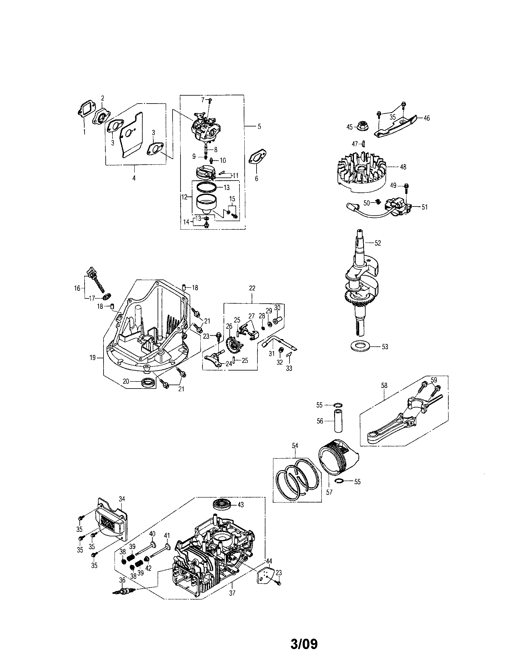
Honda gcv160 parts diagram. Honda GCV135 Engine (GCV135-A7E) Parts Diagram Honda GCV135 Engine (GCV135-A7E) Parts Diagram Select a page from the Honda GCV135 Engine diagram to view the parts list and exploded view diagram. All parts that fit a Honda GCV135 Engine . Pages in this diagram. CYLINDER BARREL. MUFFLER . FLYWHEEL-IGNITION. THROTTLE CONTROL. DECAL. PISTON-CONNECTING ROD. OIL PAN. Honda Gcv160 Engine Parts Diagram | My Wiring DIagram Honda Gc160 Parts Diagram Engine Honda Gcv160 as3h2 5 5h Honda Gc160 Parts Diagram Engine c95e9409 f3cc 4eb4 a79e a fbd7 We collect plenty of pictures about Honda Gcv160 Engine Parts Diagram and finally we upload it on our website. Many good image inspirations on our internet are the most effective image selection for Honda Gcv160 Engine Parts ... Amazon.com: honda gcv190 parts HOODELL GCV160 Air Filter Tune Up Kit for Honda GCV190 GC190 GC160 GX100 Engine HRC216 HRR216 HRR2169VKA HRX217 Lawn Mower, Replace GCV160 Spark Plug 17211-ZL8-023 Air Cleaner. 4.4 out of 5 stars. 81. Honda Small Engine | GCV160A | eReplacementParts.com Need to fix your GCV160A (Type BHH)(VIN# GJAEA-1000001-5386302) Small Engine? Use our part lists, interactive diagrams, accessories and expert repair advice to make your repairs easy.

PDF Gcv160/Gcv190 Auto Choke System (Acs) New Parts GCV160/GCV190 AUTO CHOKE SYSTEM (ACS) NEW PARTS Several changes were recently made to the GCV160/190 ACS. The thermowax shape was changed from cylindrical to square and the auto choke control assembly was redesigned to match the characteristics of the new thermowax assembly. SP555 (Honda GCV160) Parts and Spares - DIY Spare Parts SP555 (Honda GCV160) Parts and Diagrams Use our interactive exploded view diagrams to easily identify the parts that fit your machine, select a popular part, or view the complete list of all parts that fit a SP555 (Honda GCV160). Popular for this machine. Mountfield Cable Holder Block. Honda Small Engine | GCV160 | eReplacementParts.com manual for honda gcv parts list and diagram (type a2r vin#gjae1000001-9999999 parts has exploded diagrams and numbered but doesn't say what part is called??? garry for model number gjae asked on 2019-10-14. Hi Garry, if you can cross reference the figure number with our parts list you can find the part name. If the figure number is not listed ... Honda Engines GCV170 GCV Series OEM ... - Honda Lawn Parts Honda Engines GCV170 GCV Series Original Equipment Manufacturer Parts at Shank's Lawn Honda. Please select a model. GCV170LA A1A. GCV170LA G5B. GCV170LA G5BR. GCV170LA S3B.

42 honda gcv160 carburetor linkage diagram - Wiring ... 42 honda gcv160 carburetor linkage diagram. Shop online for OEM CARBURETOR parts that fit your Honda Engines GCV160 A1A, search all our OEM Parts or call at 269-385-1540 Honda GCV160 throttle control setup. YAMAKATO Gx390 Throttle Return Spring Linkage Kit Carburetor Spring Governor Link Rod Speed Control ... Honda GCV160 LA0 S3B (GJARA) - Parts Lookup and OEM Diagrams Recommended Parts Show GCV160 LA0 S3B (GJARA) - Honda Engine, Made in USA (SN: GJARA-1000001 - GJARA-9999999) > Parts Diagrams (14) Hide AIR CLEANER CAMSHAFT PULLEY CARBURETOR CONTROL CRANKSHAFT CYLINDER BARREL FAN COVER FLYWHEEL FUEL TANK LABEL/TOOL MUFFLER OIL PAN PISTON + CONNECTING ROD RECOIL STARTER Manual and Parts list for Honda GCV160 - Lawn Mower Forum Hi, I'm in the process of servicing my Honda lawnmower, with Honda GCV160 engine. I'm looking for a service manual and parts list and diagram for this engine. Also, are there any diagrams for the carbs that show all the chambers/holes to be cleaned? My carb is p/n 16100-Z0L-023. Thanks for any... Honda Gcv160 Engine Parts Diagram | Automotive Parts ... Description: Honda Gcv160La0 Parts List And Diagram - (Type S3A)(Vin# Gjara within Honda Gcv160 Engine Parts Diagram, image size 590 X 294 px, and to view image details please click the image.. Actually, we have been realized that honda gcv160 engine parts diagram is being one of the most popular issue right now. So we attempted to obtain some great honda gcv160 engine parts diagram photo ...

Honda GCV160 LA N5AF (GJAEA) - Honda Engine, Made in USA (SN ...

Honda GCV160 LA N5AF (GJAEA) - Honda Engine, Made in USA (SN ...

Honda Engines GCV160 A1A ENGINE, JPN ... - Small Engine Parts Honda Engines GCV160 A1A ENGINE, JPN, VIN# GJAE-1000001 TO GJAE-9999999 CARBURETOR Parts Diagram AIR CLEANER AIR CLEANER (2) CAMSHAFT PULLEY CAMSHAFT PULLEY (2) CARBURETOR CARBURETOR (2) CONTROL (1) CONTROL (2) CRANKSHAFT CRANKSHAFT (1) CYLINDER BARREL CYLINDER BARREL (2) FAN COVER FAN COVER (1) FLYWHEEL FLYWHEEL (1) LABEL/TOOL LABELS MUFFLER

Honda Small Engines GCV160LA0 N7A1 VIN# GJARA-1000001 OEM ...

Honda Small Engines GCV160LA0 N7A1 VIN# GJARA-1000001 OEM ...

Honda GCV-160-5.5-A1 lawn & garden engine parts | Sears ... Honda GCV-160-5.5-A1 lawn & garden engine parts - manufacturer-approved parts for a proper fit every time! We also have installation guides, diagrams and manuals to help you along the way!

Honda Small Engine | GCV160 | eReplacementParts.com

Honda Small Engine | GCV160 | eReplacementParts.com

Honda Engines GCV Parts Lookup by Model Honda Engines GCV Exploded View parts lookup by model. Complete exploded views of all the major manufacturers. It is EASY and FREE. ... Honda Engines Gcv Parts Diagrams GCV135 A1A ENGINE, JPN, VIN# GJAF-1000001 TO GJAF- 9999999. GCV135 A1D ENGINE, JPN, VIN# GJAF-1000001 TO GJAF- 1011083 ...

Honda GCV160 GCV190 Engine Owners Manual

Honda GCV160 GCV190 Engine Owners Manual

Honda GXV160 Engine Parts Diagram - Lawnmower Pros Honda Illustrated Parts Diagrams : Honda GXV160 Engine Part Diagram: No: Description: Original Honda Part: Aftermarket Honda Replacement Part: 1 Starter Assembly OEM Honda Part No: 28400-ZG9-802: This part is no longer available and has been replaced by Honda 28400-ZG9-803. Aftermarket Part No: 31-070:

Honda HRB216 HXAA LAWN MOWER, USA, VIN# MAAA-1000001 Parts ...

Honda HRB216 HXAA LAWN MOWER, USA, VIN# MAAA-1000001 Parts ...

Honda Gc190 Parts Diagram Honda Gc190 Parts Diagram. Shop our large selection of Honda Engines GC GC Series OEM Parts, original equipment manufacturer parts and more online or call at () The official parts look up site for Honda Engines. Look up and order parts for Honda GX, GC, GCV, and GXV small engines. A complete parts catalog is.

Honda Engines GCV160 A2A ENGINE, JPN, VIN# GJAE-1000001 TO ...

Honda Engines GCV160 A2A ENGINE, JPN, VIN# GJAE-1000001 TO ...

Honda Gcv160 Carburetor Linkage Diagram - schematron.org I don't have a diagram, is there a spring that goes around the bolt that. Clean dissasembled parts with Honda Carburetor/Combustion Cleaner and then . type, and serial number when accessing the appropriate parts diagram.Feb 10, · how are the 3 linkages installed on the Honda GCV engine carb. I need a free online diagram.

89 MIKE HUGHES ideas | veggie garden, outdoor gardens ...

89 MIKE HUGHES ideas | veggie garden, outdoor gardens ...

Honda Gcv160 Engine Diagram Honda Gcv160 Engine Diagram. HONDA GCV ENGINE. HONDA GCV For practical operations, the bhp load and engine speed should not exceed the limit WIRING DIAGRAMS. diagramweb.net - Select Honda GCV N2 - Honda Engine, Made in Japan, SN: GJAE TO GJAE Diagrams and order Genuine Honda. We have parts, diagrams, accessories and repair advice to make your ...

Honda GCV160\A2G7\14ZM01E4 parts lists and schematics

Honda GCV160\A2G7\14ZM01E4 parts lists and schematics

Honda GCV135 GCV160 GCV190 Engine Parts OEM Parts. Honda 08207-MTL-100; Honda Parts by Series. Honda Engine Parts. Honda GC ENGINE PARTS. Honda GC135 GC160 GC190 Engine parts; Honda GCV Engine Parts. Honda GCV135 GCV160 GCV190 Engine Parts; Honda GCV520 GCV530 Engine Parts; Honda GS160 GS190 Engine Parts; Honda GX Engine Parts. Honda GX22 GX25 GX31 GX35 GX50 GXH50 Engine Parts; Honda ...

Mountfield SP555 (Honda GCV160) (2014) Parts Diagram, Page 6

Mountfield SP555 (Honda GCV160) (2014) Parts Diagram, Page 6

Honda GCV160-LAOS3B lawn & garden engine parts | Sears ... Honda GCV160-LAOS3B lawn & garden engine parts - manufacturer-approved parts for a proper fit every time! We also have installation guides, diagrams and manuals to help you along the way!

Honda Small Engine | GCV160 | eReplacementParts.com

Honda Small Engine | GCV160 | eReplacementParts.com

PDF Owner'S Manual English Gcv160 • Gcv190 GCV160 • GCV190 (Appearance may differ in final application) [1] [2] [3] [5] [9] [8] [6] [4] [7] WARNING: The engine exhaust from this product contains chemicals known to the State of California to cause cancer, birth defects or other reproductive harm. COMPONENT LOCATION 1 Starter Grip 6 Spark plug 2 Fuel Filler Cap 7 Muffler

Pressure Washer Won't Start? Honda Small Engine #16100-Z0L-864

Pressure Washer Won't Start? Honda Small Engine #16100-Z0L-864

Honda GCV160\A2G7\14ZM01E4 parts lists and schematics Honda GCV160\A2G7\14ZM01E4 parts list. Honda GCV160\A2G7\14ZM01E4. parts list. The OIL PAN schematic contains the largest amount of parts with twenty-one listed products. Note that the supplied Honda parts lists may contain important information for repairing your Honda GCV160\A2G7\14ZM01E4. The list contains thirteen Other parts fiches.

Honda GCV160\A2G7\14ZM01E4 parts lists and schematics

Honda GCV160\A2G7\14ZM01E4 parts lists and schematics

PDF GCV160-GCV190 Manual - ppe-pressure-washer-parts.com GCV160 • GCV190 B WARNING: B The engine exhaust from this product contains ... Refer to the individual diagrams below to determine your engine control type when reading the Operation section and ... parts. 5. Check the equipment powered by this engine.

Honda Engines | Parts & Service Information

Honda Engines | Parts & Service Information

Honda GCV160 (GJAE) Engine Parts | Honda GCV160 Engine ... Back to Honda GCV Engine Parts Honda GCV160 Engine Parts. Honda GCV160E (GJAAE) Engine Parts; Honda GCV160 (GJAE) Engine Parts; Honda GCV160A (GJAEA) Engine Parts

Honda GCV160\A2G7\14ZM01E4 parts lists and schematics

Honda GCV160\A2G7\14ZM01E4 parts lists and schematics

Honda Engines - Parts Look Up - Official Site The official parts look up site for Honda Engines. Look up and order parts for Honda GX, GC, GCV, and GXV small engines. A complete parts catalog is available.

Buy Honda GCV160 Type-A2A (VIN# GJAE-1000001-9999999 ...

Buy Honda GCV160 Type-A2A (VIN# GJAE-1000001-9999999 ...

28400ZM0J21ZA: Starter Assy.*r8* Honda - buy the 28400-ZM0 ...

28400ZM0J21ZA: Starter Assy.*r8* Honda - buy the 28400-ZM0 ...

Honda Small Engine | GCV160 | eReplacementParts.com

Honda Small Engine | GCV160 | eReplacementParts.com

Honda GCV160 A A1AF (GJAEA) - Honda Engine, Made in USA (SN ...

Honda GCV160 A A1AF (GJAEA) - Honda Engine, Made in USA (SN ...

Honda GCV160 A BHH (GJAEA) - Honda Engine, Made in USA (SN ...

Honda GCV160 A BHH (GJAEA) - Honda Engine, Made in USA (SN ...

Honda GCV160 N1 (GJAE) - Honda Engine, Made in Japan (SN ...

Honda GCV160 N1 (GJAE) - Honda Engine, Made in Japan (SN ...

Honda GC160\QHC\14ZL81E4 parts lists and schematics

Honda GC160\QHC\14ZL81E4 parts lists and schematics

Black Max Lawn Mower parts for Model 96144000700

Black Max Lawn Mower parts for Model 96144000700

I have a 1 year old Honda GCV160 mower that starts every pull ...

I have a 1 year old Honda GCV160 mower that starts every pull ...

Gravely 911224 (000101 - ) BRSPE21, 5.5hp Honda GCV 160 ...

Gravely 911224 (000101 - ) BRSPE21, 5.5hp Honda GCV 160 ...

Honda GCV160 A STA1 (GJAEA) - Honda Engine, Made in USA (SN ...

Honda GCV160 A STA1 (GJAEA) - Honda Engine, Made in USA (SN ...

Craftsman Lawn Mower Gcv160 User Guide | ManualsOnline.com

Craftsman Lawn Mower Gcv160 User Guide | ManualsOnline.com

Honda GCV160 mower - hunting - OutdoorKing Repair Forum

Honda GCV160 mower - hunting - OutdoorKing Repair Forum

Honda GCV160\A1J\14ZM01E4 parts lists and schematics

Honda GCV160\A1J\14ZM01E4 parts lists and schematics

Husqvarna LC 153V 2014 okt - Wolfswinkel Groentechniek Webshop

Husqvarna LC 153V 2014 okt - Wolfswinkel Groentechniek Webshop

Mountfield SP555 (Honda GCV160) (2010) Parts Diagram, Page 6

Mountfield SP555 (Honda GCV160) (2010) Parts Diagram, Page 6

Honda GCV160 LA1 G5AF (GJARA) - Honda Engine, Made in USA (SN ...

Honda GCV160 LA1 G5AF (GJARA) - Honda Engine, Made in USA (SN ...

Honda GCV160 A S1A (GJAEA) - Honda Engine, Made in USA (SN ...

Honda GCV160 A S1A (GJAEA) - Honda Engine, Made in USA (SN ...

Honda GCV135 GCV160 Engine Manual - Service Link

Honda GCV135 GCV160 Engine Manual - Service Link

Honda GCV160-LAN5R lawn & garden engine parts | Sears PartsDirect

Honda GCV160-LAN5R lawn & garden engine parts | Sears PartsDirect

Honda GXV160 Engine Parts Diagram | Lawnmower Pros

Honda GXV160 Engine Parts Diagram | Lawnmower Pros

Honda GC160 PRESSURE WASHER ENGINE parts and breakdown

Honda GC160 PRESSURE WASHER ENGINE parts and breakdown

Honda Small Engine | GCV160 | eReplacementParts.com

Honda Small Engine | GCV160 | eReplacementParts.com

Honda GCV160-LAOS3A lawn & garden engine parts | Sears ...

Honda GCV160-LAOS3A lawn & garden engine parts | Sears ...

HONDA GCV160 PARTS

HONDA GCV160 PARTS

0 Response to "39 honda gcv160 parts diagram"

Post a Comment

Iklan Atas Artikel

Iklan Tengah Artikel 1

Iklan Tengah Artikel 2

Iklan Bawah Artikel