Iklan 300x250

38 true t-23f wiring diagram

true t 23f wiring diagram - Wiring Diagram True T 23f Wiring Diagram. By | June 2, 2021. 0 Comment. True freezer wiring diagram refrigeration mechanics gdm 72f wire schematic t 23 installation manual pdf manualslib model ford forum can you read the free for 23f 2 specifications anyone have detailed colored diagrams question tr6 tech triumph experience car forums a desktop 650 watt ... PDF Technical Service Manual Make sure the circuit is dedicated exclusively to your T rue unit. 2. Make sure the electrical installation complies with national, state, and local codes. 3. Make sure the circuit is properly ground. 4. Check circuit for proper voltage at receptacle (+/-10% 115 Volt) (- 5% + 10% 208/230 V olt) 5.

True T 23F Wiring Diagram For Your Needs True T 23F Wiring Diagram from i0.wp.com Print the cabling diagram off and use highlighters in order to trace the signal. When you use your finger or even the actual circuit along with your eyes, it may be easy to mistrace the circuit.

True t-23f wiring diagram

True t-23f wiring diagram

True Freezer T 23f Wiring Diagram Gallery Variety of true freezer t 23f wiring diagram. A wiring diagram is a simplified standard photographic representation of an electric circuit. It reveals the parts of the circuit as simplified shapes, and the power and signal connections in between the devices. True T-23F ReachIn Freezer - hvac-talk.com True T-23F ReachIn Freezer I need a wiring diagram. Compressor section works fine, but evap. fan never comes on, i pulled the switch and found that there was no cont. between common to either side. So i ordered a new one, and also replaced the T-stat and Def. Term. switch too. True Freezer T 49f Wiring Diagram - easywiring True freezer t 49f wiring diagram. A wiring diagram is a simplified conventional pictorial depiction of an electric circuit. It shows the components of the circuit as streamlined shapes and the power as well as signal connections in between the gadgets. A wiring diagram is a simplified traditional photographic representation of an electric circuit.

True t-23f wiring diagram. True T-23F Parts & Manuals - Parts Town True T-23F Replacement Parts True knows commercial refrigeration, having a long lineage of manufacturing trusted pieces of equipment, like the T-23F reach-in freezer. Parts Town has real OEM T-23F parts that are made specifically to fit your unit to not only keep it running safely but to also keep it protected under manufacturer warranty. True Gdm 23F Wiring Diagram - Wiring diagram online true t 23f wiring diagram Wiring Diagram from wiringdiagram.2bitboer.com. Here is a picture gallery about true freezer t 49f wiring diagram complete. It shows the components of the circuit as simplified forms, and the power and signal links in between the tools. I have called true and have gotten no results on this wiring diagram. True freezer t 49f wiring diagram Source: diplomat.neorobion-t24.sardinianimamundi.it Need wiring diagram for true t49f need wiring diagram - True True has a service tech hot line Is there a reset switch on this True freezer. Source: 2002-325ci.au-delice-limousin.fr True freezer t 23f wiring diagram collections of true freezer t 49f wiring diagram whirlpool refrigerator with best. True Freezer T 23f Wiring Diagram Download - Wiring Collection Collection of true freezer t 23f wiring diagram. A wiring diagram is a streamlined standard pictorial depiction of an electrical circuit. It reveals the parts of the circuit as streamlined shapes, as well as the power and also signal links between the gadgets.

True T 23f Wiring Diagram Defrost Timer, Mitsubishi Lancer ... Save up to $10,728 on one of 16,655 used 2003 Jeep Grand Cherokees near you. Make sure the circuit is dedicated exclusively to your T rue unit. 8 Pin Relay Wiring Diagram Mk3 Golf Porsche 997. True freezer t 23f, true freezer t-23f manual true freezer t-49f, true freezer t-49f manual, true freezer temperature control, true freezer thermostat. PDF To Place an Order or Obtain Information: Website: Send ... 800-424-TRUE (Direct to Parts Department) or 800-325-6152 (U.S.A & Canada only) OR CALL: 636-240-2400 FAX: 636-272-9471 T-23F Upright Reach-In Refrigerator Parts Manual 115V T-23F. Accessories & Nameplates A. 923245- Cap Kit, Cabinet End, Silver, Left 923246- Cap Kit, Cabinet End, Silver, Right Cabinet End (For Refurbishing) Rainshield 879130 ... PDF TECHNICAL SERVICE MANUAL - .NET Framework TRUE FOOD SERVICE EQUIPMENT, INC. 2001 East Terra Lane • O'Fallon, Missouri 63366-4434 (636)-240-2400 • FAX (636)-272-2408 • INT'L FAX (636)272-7546 • (800)-325-6152 True Freezer T 49F Wiring Diagram - Cadician's Blog True Freezer T 23F Wiring Diagram Refrigeration Manual 13F At - True Freezer T 49F Wiring Diagram Wiring Diagram arrives with several easy to adhere to Wiring Diagram Instructions. It really is supposed to assist all the average consumer in building a proper system. These guidelines will be easy to understand and use.

looking for a wiring diagram for a True T-23F reach in ... Home › Forums › looking for a wiring diagram for a True T-23F reach in freezer looking for a wiring diagram for a True T-23F reach in freezer fixbear updated 3 years, 7 months ago 1 Member · 2 Posts True Freezer T 23f Wiring Diagram Gallery - Wiring Diagram ... Please download these true freezer t 23f wiring diagram by using the download button, or right click selected image, then use Save Image menu. What is a Wiring Diagram? A wiring diagram is a simple visual representation from the physical connections and physical layout associated with an electrical system or circuit. Resource Library | True Manufacturing Co., Inc. Wiring diagram: × Order Parts Online. For Distributors . The fastest way for dealers and suppliers to order True OEM parts and accessories. For Consumers . An online store for U.S. consumers to buy OEM replacement door gaskets for their True Refrigeration equipment. ... T-23f Wiring Diagram True T 23f Wiring Diagram Picture. Click here to see other pictures of walk in freezer wiring diagram. Use wiring diagrams to help in building or. Free kitchen appliance user manuals, instructions, and product support information. Find owners guides and pdf support documentation for.

TRUE T-23F-2 SPECIFICATIONS Pdf Download | ManualsLib

TRUE T-23F-2 SPECIFICATIONS Pdf Download | ManualsLib

True T 23f Wiring Diagram - schematron.org Technical Service Manual (All Models) Index Page checked before connecting your True cabinet as follows: 1. Make sure the circuit is dedicated exclusively to your T rue unit. 2. Make sure the electrical installation complies with national, state, and local codes. 3. Make sure the circuit is properly ground.

Étiquette : CSIR - MBSM DOT PRO

Étiquette : CSIR - MBSM DOT PRO

True Freezer T 23f Wiring Diagram - Wiring Diagram All Wiring Diagrams For Daewoo Lanos Sport 2002 Schémas De Câblage Pour Voitures. True T 23f 2 Specifications Pdf Manualslib. True T 23f 2 Hc 27 One Section Reach In Freezer Right Hinge Doors 115v. Solid Door Reach In Freezers Two Amp Three Models T 35f 49f Manualzz. Pv System Electrical Design Scientific Diagram.

2902352 User Manual Datasheet by Phoenix Contact | Digi-Key ...

2902352 User Manual Datasheet by Phoenix Contact | Digi-Key ...

True Freezer T 23f Wiring Diagram - Free Wiring Diagram True Freezer T 23f Wiring Diagram November 1, 2018 by Larry A. Wellborn Assortment of true freezer t 23f wiring diagram. A wiring diagram is a simplified traditional photographic representation of an electric circuit. It shows the parts of the circuit as streamlined shapes, and also the power as well as signal links in between the tools.

Hurricane Chinook hydronic heating system

Hurricane Chinook hydronic heating system

isabellaagerhall.blogspot.com True T-23f-2 Wiring Diagram. Free Ebook True T-23f-2 Wiring Diagram. True T-23f-2 Wiring Diagram. A job could obligate you to consistently enrich the understanding as well as encounter. When you have no enough time to enhance it directly, you can obtain the encounter and understanding from checking out the book.

T-Series Brochure - True Food International - Catálogo PDF ...

T-Series Brochure - True Food International - Catálogo PDF ...

True T-23F-HC Parts & Manuals - Parts Town Find genuine OEM True T-23F-HC replacement parts at Parts Town with the largest in-stock inventory and same day shipping until 9pm ET.

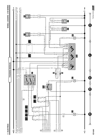
247249289 case-721 b-electrical-schematic (1)

247249289 case-721 b-electrical-schematic (1)

Inspirational True T 23f Wiring Diagram | Transfer switch ... Automatic Mains Failure Control Panel Circuit Diagram USING BE142 AMF CONTROLLER This is the typical BE142 control panel circuit diagram. You can observe the connections of the current transformers wired on the load side. This allows the Be142 to display the current when a circuit breaker is closed.

1961 Mark IX Wiring - Saloons - Jag-lovers Forums

1961 Mark IX Wiring - Saloons - Jag-lovers Forums

North America | True Manufacturing Co., Inc. T-23F-2 T-Series True's solid door reach-in's are designed with enduring quality that protects your long term investment. Designed using the highest quality materials and components to provide the user with colder product temperatures, lower utility costs, exceptional food safety and the best value in today's food service marketplace.

How to disable the daytime running lights | Honda Prelude Online

How to disable the daytime running lights | Honda Prelude Online

True T 23f Hc Wiring Diagram - 4K Wallpapers Review True T 23f Hc Wiring Diagram True Gdm 72 And Gdm 72em Ld. Previous Next. Suggested Wallpapers: True T 23f Hc Wiring Diagram Pdf, Related Gallery: Leviton 3 Way Switch Diagram | Fm Radio Receiver Circuit Diagram | Wiring Diagram Of Ac Generator | 1998 Jeep Cherokee Radio Wiring Harness | Wiring Diagram For Hunter 3 Speed Ceiling Fan | Pro Wireless Controller For Nintendo Switch Lite | Teriyaki ...

True Manufacturing GDM-72F General Manual | Manualzz

True Manufacturing GDM-72F General Manual | Manualzz

Wiring Diagrams Free - diagramweb.net DOWNLOAD Wiring Diagrams Free. Close DOWNLOAD. Monitor Wiring Diagram For New Idea 484 Baler. More Details . True T-23f Wiring Diagram. More Details . 1953 Ford Jubilee Tractor Wiring Diagram. More Details . G35 Front Suspension Diagram. More Details . Re4r01a Valve Body Diagram. More Details . Paslode Framing Nailer Parts Diagram.

TABLE OF CONTENTS

TABLE OF CONTENTS

True Freezer T 49f Wiring Diagram - schematron.org English · Español.Rmzc30 rmzp30 rmzp24 isplay zers true t 49f wiring diagram zero zone zer t19 zer wiring diagram f schematic rh banyan palace true t 49f 2wire thermostat you rvzc30t2 reach in display zers zero zone rh kenmore liance wiring diagrams true zer t 23f diagram. View and Download True TF-4 specifications online.

Harman Kardon Avr151 230 Service Manual Rev.0 | PDF | Hdmi ...

Harman Kardon Avr151 230 Service Manual Rev.0 | PDF | Hdmi ...

True Freezer T 49f Wiring Diagram - easywiring True freezer t 49f wiring diagram. A wiring diagram is a simplified conventional pictorial depiction of an electric circuit. It shows the components of the circuit as streamlined shapes and the power as well as signal connections in between the gadgets. A wiring diagram is a simplified traditional photographic representation of an electric circuit.

Model T Ford Forum: Can you read the wiring diagram?

Model T Ford Forum: Can you read the wiring diagram?

True T-23F ReachIn Freezer - hvac-talk.com True T-23F ReachIn Freezer I need a wiring diagram. Compressor section works fine, but evap. fan never comes on, i pulled the switch and found that there was no cont. between common to either side. So i ordered a new one, and also replaced the T-stat and Def. Term. switch too.

Solid Door Reach-In Freezers (two & three door models) T ...

Solid Door Reach-In Freezers (two & three door models) T ...

True Freezer T 23f Wiring Diagram Gallery Variety of true freezer t 23f wiring diagram. A wiring diagram is a simplified standard photographic representation of an electric circuit. It reveals the parts of the circuit as simplified shapes, and the power and signal connections in between the devices.

Inspirational True T 23f Wiring Diagram | Generator transfer ...

Inspirational True T 23f Wiring Diagram | Generator transfer ...

True T-23F-HC 23 cu ft 1 Door Reach-In Solid Swing Door Freezer - 27

True T-23F-HC 23 cu ft 1 Door Reach-In Solid Swing Door Freezer - 27"L x 29 1/2"W x 83 3/8"H

GRUNDIG HIFI-ENTZERRER VORVERSTAERKER MV 3 SM Service Manual ...

GRUNDIG HIFI-ENTZERRER VORVERSTAERKER MV 3 SM Service Manual ...

Контролер за електрокар Jungheinrich micropuls 526 в Други ...

Контролер за електрокар Jungheinrich micropuls 526 в Други ...

ПАСПОРТ И РУКОВОДСТВО ПО ЭКСПЛУАТАЦИИ НОЖНИЧНЫЕ ПОДЪЕМНИКИ ...

ПАСПОРТ И РУКОВОДСТВО ПО ЭКСПЛУАТАЦИИ НОЖНИЧНЫЕ ПОДЪЕМНИКИ ...

増幅器 H03F - 4951件~

増幅器 H03F - 4951件~

Model T Ford Forum: Anyone have detailed/colored wiring diagrams?

Model T Ford Forum: Anyone have detailed/colored wiring diagrams?

PDF manual for True Freezer T-23F

PDF manual for True Freezer T-23F

Denon DP-47F anti-skate- Vinyl Engine

Denon DP-47F anti-skate- Vinyl Engine

A CRISIS OF UNDER ACCUMULATION | Mute

A CRISIS OF UNDER ACCUMULATION | Mute

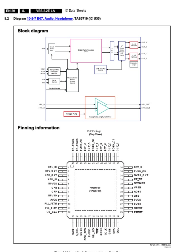
Philips Chassis Ves2.2e La Vestel 17mb95s SM (20-39) | PDF ...

Philips Chassis Ves2.2e La Vestel 17mb95s SM (20-39) | PDF ...

True TS-49FG-HC~FGD01 54

True TS-49FG-HC~FGD01 54" Two Section Reach-In Freezer, (2) Glass Doors, 115v

Las mejores ofertas en True Manufacturing refrigeración y ...

Las mejores ofertas en True Manufacturing refrigeración y ...

Technical Service Manual. (All Models) - PDF Free Download

Technical Service Manual. (All Models) - PDF Free Download

Suild

Suild

True GDM-49FC-HC~TSL01 2 Section Floral Cooler w/ Swinging Door - Black,  115v

True GDM-49FC-HC~TSL01 2 Section Floral Cooler w/ Swinging Door - Black, 115v

2021-038907号 空気調和機 - astamuse

2021-038907号 空気調和機 - astamuse

Pin by Isaac Deburger on DIY | Ford tractors, 8n ford tractor ...

Pin by Isaac Deburger on DIY | Ford tractors, 8n ford tractor ...

Download free pdf for True T-23F Freezer manual

Download free pdf for True T-23F Freezer manual

Secure portable, on-demand, microfluidic mixing and ...

Secure portable, on-demand, microfluidic mixing and ...

車載同期整流高電圧LEDコントローラのMAX25612のご紹介 | Maxim ...

車載同期整流高電圧LEDコントローラのMAX25612のご紹介 | Maxim ...

US9199897B2 - Methods for preparing squalene - Google Patents

US9199897B2 - Methods for preparing squalene - Google Patents

Whirlpool Fridge Ice Maker Not Working. How Do I Fix It?

Whirlpool Fridge Ice Maker Not Working. How Do I Fix It?

Model T Ford Forum: Can you read the wiring diagram?

Model T Ford Forum: Can you read the wiring diagram?

TRUE GDM-72F Wire Schematic – Refrigeration Mechanics

TRUE GDM-72F Wire Schematic – Refrigeration Mechanics

0 Response to "38 true t-23f wiring diagram"

Post a Comment

Iklan Atas Artikel

Iklan Tengah Artikel 1

Iklan Tengah Artikel 2

Iklan Bawah Artikel