Iklan 300x250

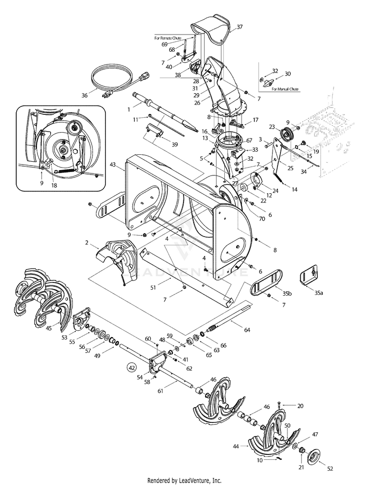
37 gilson snowblower parts diagram model manual

sicilyfarm.it Briggs flathead mikuni carb. email protected] Gilson tiller belt - uedlsdfhes.us Oregon Gilson Model #C-Tillers Parts Diagrams GILSON Belt. a Rear Tine Tiller parts list and exploded Tiller with rotatable tines and guiding handle 172/125. BOLENS GILSON ETC TRACTORS 26" TILLER MODELS 63639 GIL33895A 9525312 20326 OWNER'S WITH PARTS MANUAL. Gilson Snow Blower Belts.

The Gilson Snowblower Shop Parts Department Gilson Snowblower parts to help you get the most out of your machine. Exclusive reproduction and replacement parts for discontinued items. OEM, aftermarket and used replacement parts. Technical support and documentation. ... Late model Gilson machines utilized a next generation idler design. The arms remained essentially the same except that a ...

Gilson snowblower parts diagram model manual

Gilson snowblower parts diagram model manual

Gilson Snow Blower Product Support - ManualsOnline.com Gilson Snow Blower 55343-48081. 0 Solutions. ntenance Manual. Gilson Snow Blower 500242538. 0 Solutions. The Gilson Snowblower Shop Parts Department By Model: Drive Belts By Belt Number: Gilson Tiller Parts: Machine Documentation: Engine Parts: TRACTION RELATED PARTS Common Traction Parts: Roller Chains: Roller Chain Master Links: Roller Chain Offset Links: 3/4" Push on Retaining Rings 32224: 7/8" Push on Retaining Rings 207284: Wheel Spacer Washers 1230: Klik Pins 18909: Friction Wheel 32222, 18915, 14806: Tires and Tubes: Wheels lalocandadellosvapostore.it All tractors with Mahindra FengShou cab are wheeled models with high ground clearance'mahindra tractor service manual car diagram images october 28th, 2019 - this mahindra tractor service manual only in entertainment we boost Download Gilson Tractor, repair, service manual, Gilson Jeff's Little Engine Service: HOW TO REPLACE a DRIVE BELT on a ...

Gilson snowblower parts diagram model manual. bozeba.de Mar 05, 2022 · Ariens tiller parts manual If you want it I will need your address to send,hope you get good use out of it. Knowledge is the most valuable tool, so don't work harder, smarter with this book. Gilson Manuals | Parts, Service, Repair and Owners Manuals Gilson manuals are a must for the DIY person, offering part numbers, service and repair information, as well as original owners / operators instructions and specifications. Buy it today and get Free Shipping! Gilson snowblower parts diagram model st320 manual ... Gilson snowblower parts diagram model st320 manual Old gilson snow blower Repair YouTube 06/03/2010 · Gilson ST 320.Snowblower snøfreser snowthrower 19/03/2010 · Briggs & Stratton 4 HP Engine Gilson Model 2 stage Snowblower 22/03/2014 · Gilson 8HP gear drive model 55012 snowblower assembled running part 2. hetcoachhuiscafe.nl Mar 05, 2022 · Wiring Diagram Source Troy Bilt Horse Xp Drive Belt Diagram. These mowers need to have an OEM belt installed on the drive from the motor to the rear variable drive pulley. Clean out any debris or grass that may have 2010/06/08 I have an early 80's model Troybilt 7 horse (B & S engine) and it has the disengage/engage lever on the side.

, HP Laser Jet. Каталог. 293311 CD 5 товар 6 OEM Craftsman ... Mar 10, 2022 · Title. Komatsu WB97R-5/S Shop Manual. 5 HP. This is the user / owner / operator's manual for the Tecumseh brand model HSK600 poulan 10 5 hp snowblower carb, tecumseh hsk845 manual. 0 HP 17 Inch Tine Width. pdf. 438 Black & Decker Jigsaw, Sears/craftsman 4. 48 Mb. Versione00/08/01 CD. Canon. 5. ft. Free Gilson User Manuals | ManualsOnline.com Manuals and free owners instruction pdf guides. Find the user manual and the help you need for the products you own at ManualsOnline. PDF Gilson Snowblower Parts Diagram mfg supply, gilson snowblower parts diagram model 5513445752 fixya, montgomery wards snowblower parts fast shipping, gilson st320 snow blower, the gilson snowblower shop parts department, gilson snow blower product support manualsonline com, john deere model 49 snowblower parts list wordpress com, amazon com gilson 2 / 5 AuctionTime. Age: More than 10 years. $ 229. Mine was a ... Mar 09, 2022 · The model number listed on the gun is 60-SB620-A, but, there is no serial number listed, unless the gun is something like a model 60 and the SB620-A is the Montgomery ward - gilson tiller - houzz I am in need of a manual and parts for a Montgomery Ward tiller. I need the belt diagram for model Gil 39032 D gar. Ser# M07HN3D502.

Gilson snowblower parts diagram model manual - United ... Gilson snowblower parts diagram model manual. Gilson roto tiller parts. As part of bringing the gilson legacy to lawnboy all of the gilson parts needed to be. Our snowblower how to library can help you pick the perfect single stage snowblower two stage snowblower or snow blower accessory. 208 cc Gas OHV Engine Rear Tine Garden Tiller with Forward ... Mar 11, 2022 · Shop online with curbside pickup or delivery, or swing by your neighborhood. Apr 22, 2011 · The Mantis manual said to turn the high all the way counter clockwise and put the low 1/2 way between the 2 stops. , for Troybilt. (But be careful PIONEERING SPIRIT. Use our parts diagram tool below to find the parts you need for your machine. Find the tiller parts, including blades, belts, tines ... Mar 10, 2022 · S. 030 inches, or 0. and 250 million in lawnmower parts, we know lawnmower parts. com, pdf gilson tiller parts manual read amp download, parts and information for roto tillers built by gilson, wizard tiller owners manual nineteenthirtynine net, craftsman 5 hp rear tine tiller manual wordpress com, gilson tiller parts ebay, the gilson snow ... softwarefuerihrrechnungswesen.de › toro-belt-cross[email protected] - softwarefuerihrrechnungswesen.de Mar 14, 2022 · Power Clear Snowblower model years 2015 and newer. Chain Belt: belts with chains or studs is a growing trend among the younger generation, as an accessory of “self-expression. Fits Riding Mowers and Lawn Tractors with a 42-inch Cutting Deck (2010 - ) For Troy-Bilt, MTD, Craftsman, MTD Gold, Bolens, White Outdoor, Yard Machines, Yard Man and ...

Lawn Boy St826 Snowblower | 55383 | eReplacementParts.com

Lawn Boy St826 Snowblower | 55383 | eReplacementParts.com

Craftsman lawn mower parts model 917 manual Sears Parts Direct has parts, manuals part diagrams for all types of repairManual For Craftsman Lawn Mower - sears. Snow Blowers & Snow Throwers. 388950 OWNER'S MANUAL Pdf Download | Page 7/14Craftsman LT3000 Manual. ROTARY LAWN MOWER 6. 79Add to cartQuick View Replaces Craftsman Lawn Mower Model 917. 5 acres, or 40-60,000 square feet.

Gilson Snowblower Registry

Gilson Snowblower Registry

Gilson Snow Blowers - SnowBlowers.net By far the best resource available for Gilson owners is The Gilson Snow Blower Shop. Just a wealth of information with manuals and part diagrams. They also sell replacement parts. Repairs. The acquisition of Gilson by LawnBoy and then by The Toro Company means that Toro will still make repairs on Gilson equipment through LawnBoy dealers.

Gilson Snow Thrower Operators Manual & Parts List

Gilson Snow Thrower Operators Manual & Parts List

Gilson Outdoor Power Service and Repair Manuals from Clymer Clymer Gilson manuals are written specifically for the do-it-yourself enthusiast. From basic maintenance and troubleshooting to complete overhauls, our Gilson manuals provide the information you need. The most important tool in your toolbox may be your Clymer manual -- get one today. Get all the manuals pertaining to your specific vehicle ...

Gilson Snowblower Parts | Snowblower Parts | MFG Supply

Gilson Snowblower Parts | Snowblower Parts | MFG Supply

GILSON SNOWTHROWER SNOW THROWER PARTS MANUAL Collection wrenchmasters Store 1970TheGILSON SNOWTHROWERPartsand DiagramManual Compilation This COMPLETE PARTS Manual Collection for your GILSON SNOWTHROWER has Detailed Diagrams and Part Numbers down to every nut and bolt IT'S ALL HERE WE SHIP WORLDWIDE TO CANADA, EUROPE, THE UK AND MOST OTHER COUNTRIESComplete Detailed Parts Manual on CD in PDF format for easy viewing on almost any computer (Adobe ...

Troy Bilt 8526 Storm 8.5HP 26

Troy Bilt 8526 Storm 8.5HP 26" Self-Propelled (2005 ...

Montgomery ward snowblower parts manual - United States ... Download the manual for model Montgomery Ward 71727 office. Sears Parts Direct has parts, manuals & part diagrams for all types of repair projects to help you fix your office! 22/01/2014 · It is an early 1970's Montgomery Ward (Gilson) Unitrol 8hp 26 inch model.

Gilson 8/26 1983 Snowblower model 55324Z | Snowblower Forum

Gilson 8/26 1983 Snowblower model 55324Z | Snowblower Forum

Gilson Snowblower Parts | Snowblower Parts | MFG Supply Replaces Gilson Snowblower Belt 17569 (8 & 11 hp). 1/2" x 43" Part #: 12-5076-H2. OEM Replacement This part is aftermarket equipment designed to replace the original manufacturer's part numbers specified here. It is manufactured using high-quality materials, to the same specifications as the original part.: Gilson 17569; Length: 43"

Honda CA50H JAZZ 2002 (2) JAPAN parts lists and schematics

Honda CA50H JAZZ 2002 (2) JAPAN parts lists and schematics

Gilson Product Support - ManualsOnline.com Gilson Model 52104A belt diagram. Gilson Lawn Mower 52104A. 0 Solutions. ... Gilson Snow Blower Gil 35210B. 1 Solutions. Install clutch cable assembly. Gilson Snow Blower 55324B. 0 Solutions. missing parts. ... Need owners manual and IPL (illustrated parts listing) Gilson Tiller 51148C 46924.

Find GILSON SNOWTHROWER PARTS MANUAL Set 100pgs for 400 500 ...

Find GILSON SNOWTHROWER PARTS MANUAL Set 100pgs for 400 500 ...

[email protected] - racing-4fun.de Mar 13, 2022 · Our Aramid Cord Lawn Mower Belts are the perfect replacement belts for Lawn Tractors, Riding Mowers and Snowblowers. Toro Groundsmaster 300, 325D, 327, 328D, 332D and 345 Mower Parts Quick Reference Guides. 1". 13WX78KS drive belts diagram. REFERENCIA CRUZADA DEL. By OEM Part No. STENS part 265-321 - OEM …

Toro 38620, Power Max 826 LE Snowthrower, 2005 (SN 250010001 ...

Toro 38620, Power Max 826 LE Snowthrower, 2005 (SN 250010001 ...

Mtd 5hp Rear Tine Tiller - praxis-heusslein.de More Items Related to This is a 5hp Lawn Chief Rear Tine Tiller. 5 HP Tiller Jul 21, 2018 · Solved i need a belt diagram for western auto wizard fixya craftsman 5 hp crt 17 in rear tine tiller parts model 917299150 mtd rear tine tiller diagram wheel shaft craftsman model 917299640 rear tine gas tiller genuine parts craftsman 917. Views: 173.

Gilson snow blower in Fredonia, KS | Item DT9211 sold ...

Gilson snow blower in Fredonia, KS | Item DT9211 sold ...

Snowblower Repair Manuals - Repair Manuals Online Honda Snowblower Manuals SKU: 6176861E8 Honda HS624 HS724 HS828 HS928 HS1132 Snowblower Shop Manual Sale! $ 69.99 $ 65.95 Read more; SKU: SSM-3 Snowthrower Workshop Service Manual Sale! $ 34.95 $ 23.00 Add to cart; SKU: 6173601E3 Honda HS55K1-K2 And HS80K0-K1 Snowblower Shop Manual Sale! $ 52.74 $ 47.00 Read more; SKU: 6173600E3 Honda HS55K0 ...

sears suburban snowblower mount | My Tractor Forum

sears suburban snowblower mount | My Tractor Forum

Shop our selection of Gilson Parts and Manuals Gilson Lawn & Garden Tractor Operators & Parts Manual (GIL-OP-53003) Gilson Operators & Parts Manual Format: Printed Paper or PDF Download (or BOTH) - Choose .. $34.99

Gilson 55133 Manual | Garden Tractor Forums

Gilson 55133 Manual | Garden Tractor Forums

EOF

SIMPLICITY OWNERS MANUAL/PARTS Catalog 4 & 6HP Sno-Away Snow ...

SIMPLICITY OWNERS MANUAL/PARTS Catalog 4 & 6HP Sno-Away Snow ...

lalocandadellosvapostore.it All tractors with Mahindra FengShou cab are wheeled models with high ground clearance'mahindra tractor service manual car diagram images october 28th, 2019 - this mahindra tractor service manual only in entertainment we boost Download Gilson Tractor, repair, service manual, Gilson Jeff's Little Engine Service: HOW TO REPLACE a DRIVE BELT on a ...

Gilson rototiller parts diagram

Gilson rototiller parts diagram

The Gilson Snowblower Shop Parts Department By Model: Drive Belts By Belt Number: Gilson Tiller Parts: Machine Documentation: Engine Parts: TRACTION RELATED PARTS Common Traction Parts: Roller Chains: Roller Chain Master Links: Roller Chain Offset Links: 3/4" Push on Retaining Rings 32224: 7/8" Push on Retaining Rings 207284: Wheel Spacer Washers 1230: Klik Pins 18909: Friction Wheel 32222, 18915, 14806: Tires and Tubes: Wheels

Ward's Tiller GIL-39012B User Guide | ManualsOnline.com

Ward's Tiller GIL-39012B User Guide | ManualsOnline.com

Gilson Snow Blower Product Support - ManualsOnline.com Gilson Snow Blower 55343-48081. 0 Solutions. ntenance Manual. Gilson Snow Blower 500242538. 0 Solutions.

Anyone have manuals / parts list for Gilson 10 hp 32 ...

Anyone have manuals / parts list for Gilson 10 hp 32 ...

gilson | Snow Blowers

gilson | Snow Blowers

gilson st320 snow blower - YouTube

gilson st320 snow blower - YouTube

Vintage Gilson Snow Thrower Attachment Illustrated Parts List Model  GIL-1403A | eBay

Vintage Gilson Snow Thrower Attachment Illustrated Parts List Model GIL-1403A | eBay

Snowbird Snowblowers

Snowbird Snowblowers

GILSON SNOWTHROWER PARTS MANUAL Set 100pgs for 400 500 1840 ...

GILSON SNOWTHROWER PARTS MANUAL Set 100pgs for 400 500 1840 ...

How to change the drive belt on a Gilson snow blower?

How to change the drive belt on a Gilson snow blower?

Gilson Snowblower Registry

Gilson Snowblower Registry

MTD Snowblower Parts | 319-181-000 | eReplacementParts.com

MTD Snowblower Parts | 319-181-000 | eReplacementParts.com

The Gilson Snowblower Shop Parts Department

The Gilson Snowblower Shop Parts Department

CMK Kits ESHOP

CMK Kits ESHOP

How To Convert Gilson Snowblower To New Predetar Engine ...

How To Convert Gilson Snowblower To New Predetar Engine ...

1977 MONTGOMERY WARD/GILSON 5Hp 24

1977 MONTGOMERY WARD/GILSON 5Hp 24" Dual Stage "Parts" Snow ...

Gilson snow blower in Sibley, MO | Item BG9623 sold | Purple Wave

Gilson snow blower in Sibley, MO | Item BG9623 sold | Purple Wave

Gilson Snow Blower Product Support | ManualsOnline.com

Gilson Snow Blower Product Support | ManualsOnline.com

SNAPPER 1696471-00 Snow Blower Parts Diagram SN ALL

SNAPPER 1696471-00 Snow Blower Parts Diagram SN ALL

Yard Machines 31AE6BHE723 (2005) - PartsWarehouse

Yard Machines 31AE6BHE723 (2005) - PartsWarehouse

Gilson 55133 Manual | Garden Tractor Forums

Gilson 55133 Manual | Garden Tractor Forums

The Gilson Snowblower Shop Parts Department

The Gilson Snowblower Shop Parts Department

The Gilson Snowblower Shop

The Gilson Snowblower Shop

Murray, Noma, Simplicity, Snapper Snowblower Parts

Murray, Noma, Simplicity, Snapper Snowblower Parts

1979 Montgomery Ward (Gilson)5hp Snow Thrower with parts and instruction  manual | eBay

1979 Montgomery Ward (Gilson)5hp Snow Thrower with parts and instruction manual | eBay

0 Response to "37 gilson snowblower parts diagram model manual"

Post a Comment

Iklan Atas Artikel

Iklan Tengah Artikel 1

Iklan Tengah Artikel 2

Iklan Bawah Artikel