Iklan 300x250

40 Troy Bilt Super Bronco Tiller Parts Diagram

Troy-Bilt Operator's Manuals & Illustrated Parts Diagrams Yes, printed Troy-Bilt Operator's Manuals, Illustrated Parts Lists and Troy-Bilt / MTD Engine Manuals are available for purchase. The price for a pre-printed manual is typically less than $20+s/h, but can range up to $45+s/h for larger documents. To order a pre-printed Troy-Bilt manual, have your Model & Serial Number handy and call our ... Troy-Bilt Riding Lawn Mower - Model 13BX60KH011 | Troy-Bilt US Find parts for your Super Bronco Troy-Bilt Riding Lawn Mower . Parts diagrams and manuals available. Free shipping on parts orders over $45.

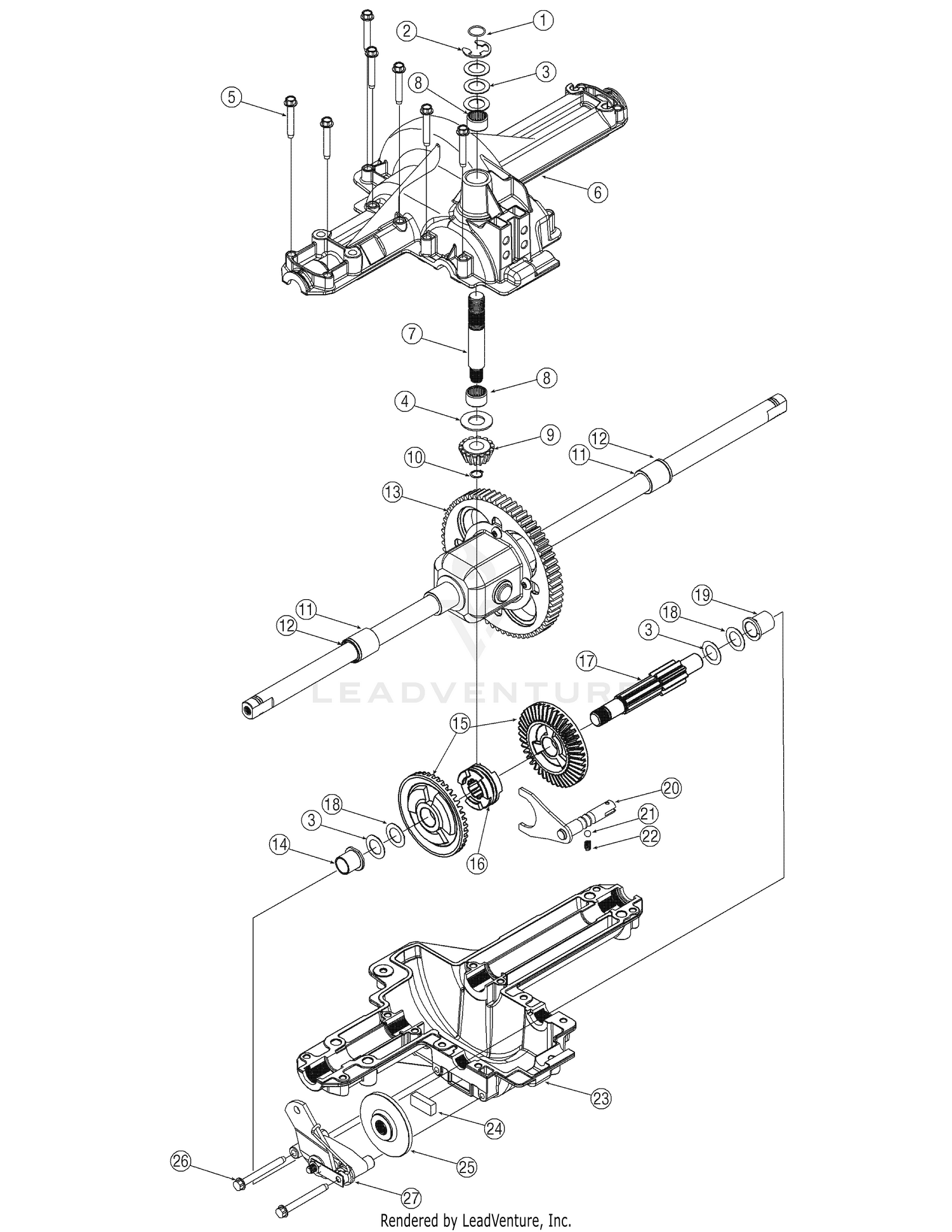
PDF Troy-Bilt Parts Manual - mymowerparts.com 21B-643B011 Super Bronco CRT Roto-Tiller (2007) Page 1 of 16 Drive & Wheels For Discount Troy Bilt Parts Call 606-678-9623 or 606-561-4983

Troy bilt super bronco tiller parts diagram

Troy bilt super bronco tiller parts diagram

Troy Bilt 21A-643B711 Super Bronco CRT Roto-Tiller (2006 ... Troy Bilt 21A-643B711 Super Bronco CRT Roto-Tiller (2006) Parts Diagrams. Parts Lookup - Enter a part number or partial description to search for parts within this model. There are (130) parts used by this model. Use as required to obtain between .005" and .015" allowable end-play. Troy-Bilt Super Bronco Tiller - e Replacement Parts Need to fix your 21D-65M1011 (2012) Super Bronco Tiller? Use our part lists, interactive diagrams, accessories and expert repair advice to make your repairs easy. ... Repair Parts Home Lawn Equipment Parts Troy-Bilt Parts Troy-Bilt Tiller Parts Troy-Bilt 21D-65M1011 (2012) ... Super Bronco 54 FAB Troy-Bilt Riding Lawn ... - MTD Parts Find parts for your Super Bronco 54 FAB Troy-Bilt Riding Lawn Mower. Parts diagrams and manuals available. Free shipping on parts orders over $45.

Troy bilt super bronco tiller parts diagram. Troy-Bilt Riding Lawn Mower - Model 13BX60TG766 | Troy-Bilt US Find parts for your Super Bronco Troy-Bilt Riding Lawn Mower . Parts diagrams and manuals available. Free shipping on parts orders over $45. TroyBilt Parts Diagram Indexes for Tillers ( 196 models ) TroyBilt - Troy-Bilt Lawn and Garden Power Equipment Roto Tillers, Mowers, Chipper Shredders, Brush Cutters, Tractors, Carts, Snowthrowers, Composters, Greenhouses, Log Splitters, Sprayers, Pressure Washers and Generators WW Grinder, Bolens Lawn and Garden Equipment Tillers ( 196 models ) Troy-Bilt Super Bronco CRT Roto-Tiller - e Replacement Parts Troy-Bilt 21C-65M1011 (2010) Super Bronco CRT Roto-Tiller Parts Super Bronco CRT Garden Tiller - 21D-65M8766 | Troy-Bilt US The Troy-Bilt Super Bronco CRT is a rear-tine tiller with the power to break through hard-packed soils with counter-rotating tines. 16-inch tilling width makes the Bronco CRT ideal for any size garden. 10-inch Bolo™ tines with depth stake for up to 6-inches of tilling depth. A 208cc OHV Troy-Bilt engine gives you plenty of power to turn over ...

PDF Troy-Bilt Parts Manual - K&T Parts House Lawn Mower Parts ... 21B-643B766 Super Bronco CRT Roto-Tiller (2006) Page 1 of 16 Drive and Wheels For Discount Troy Bilt Parts Call 606-678-9623 or 606-561-4983 Troy-Bilt Super Bronco CRT Garden Tiller - e Replacement Parts Need to fix your 21A-65M1011 Super Bronco CRT Garden Tiller? Use our part lists, interactive diagrams, accessories and expert repair advice to make your repairs easy. ... Repair Parts Home Lawn Equipment Parts Troy-Bilt Parts Troy-Bilt Tiller Parts Troy-Bilt 21A-65M1011 Super Bronco CRT Garden Tiller Parts. Troy-Bilt Garden Tiller - Model 21A-644A766 | Troy-Bilt US Find parts for your Troy-Bilt Garden Tiller Model 21A-644A766. Parts diagrams and manuals available. Free shipping on parts orders over $45. PDF Troy Bilt Bronco Manual - tdm.snssystem.com Troy Bilt Super Bronco Garder Tractor Lawn Mower Owners Manual' 'TROY BILT SUPER BRONCO YOUTUBE JUNE 19TH, 2018 - HOW TO REPLACE THE FORWARD DRIVE BELT ON A TROY BILT SUPER BRONCO TILLER PART 954 04090 DURATION 3 20 EREPLACEMENTPARTS COM 21 267 VIEWS' 'Download Troy Bilt Bronco Lawn Tractor Owner s Manual for

Troy-Bilt Tillers Bronco Parts with Diagrams - PartsTree Troy-Bilt Tillers: Bronco Parts Lookup & Diagrams Troy-Bilt Tillers: Bronco ( 49 Models ) 12180 - Troy-Bilt Bronco Rear-Tine Tiller (SN: 121801100101 - 121801299999) 21A-634A766 - Troy-Bilt Super Bronco Rear-Tine Tiller ... Troy-Bilt repair parts and parts diagrams for Troy-Bilt 21A-634A766 - Troy-Bilt Super Bronco Rear-Tine Tiller (2004) The Right Parts, Shipped Fast! Order Status Troy-Bilt 12210 - Troy-Bilt Super Bronco Rear-Tine Tiller ... Super Bronco Rear-Tine Tiller Bolo Tines And Wheels Parts Diagram 1 Troy-Bilt Part# 9711 Hex Hd. Screw, 3/8-16 x 1, Grade 5 Currently unavailable 2 Troy-Bilt Part# 50049-01 Bolo Tine - Right Hand. (Superseded to 742-04226-0637) Note: Single tine used on left side of tiller. Usually ships in 1 day $ 15.82 Add to Cart 0 3 Troy-Bilt Part# 1733398 Replacement Parts & Service | Troy-Bilt US Explore Service & Parts. Troy-Bilt parts give you a genuine advantage: the confidence of using parts specifically designed for a exact fit, optimal performance and maximum safety. These are the only parts with the in-depth engineering and rigid testing that assures long-lasting quality. Part Finder. Shop Parts.

Troybilt 21A-634B063-2001 Gas Rear-Tine Tiller Owner's Manual ...

Troybilt 21A-634B063-2001 Gas Rear-Tine Tiller Owner's Manual ...

Replacement Parts & Service | Troy-Bilt CA Explore Service & Parts. Troy-Bilt parts give you a genuine advantage: the confidence of using parts specifically designed for a exact fit, optimal performance and maximum safety. These are the only parts with the in-depth engineering and rigid testing that assures long-lasting quality. Part Finder. Shop Parts.

Troy Bilt 12210 6.5 HP Super Bronco Parts Diagrams

Troy Bilt 12210 6.5 HP Super Bronco Parts Diagrams

Troy-Bilt Tillers Super Bronco Parts with Diagrams - PartsTree Troy-Bilt Tillers Super Bronco parts with OEM Troy-Bilt parts diagrams to find Troy-Bilt Tillers Super Bronco repair parts quickly and easily. The Right Parts, Shipped Fast!

Troy Bilt 21A-521-081 Bronco Tiller 12209 12209 Bronco Tiller ...

Troy Bilt 21A-521-081 Bronco Tiller 12209 12209 Bronco Tiller ...

Troy Bilt Bronco Parts Diagram | Automotive Parts Diagram ... Description : Troy-Bilt 13Wx78Ks011 Parts List And Diagram - (Bronco) (2011 with regard to Troy Bilt Bronco Parts Diagram, image size 620 X 631 px, and to view image details please click the image. Here is a picture gallery about troy bilt bronco parts diagram complete with the description of the image, please find the image you need.

Troy-Bilt 13AX60KH011 Super Bronco (2008) Transmission ...

Troy-Bilt 13AX60KH011 Super Bronco (2008) Transmission ...

12210 - Troy-Bilt Super Bronco Rear-Tine Tiller Parts ... 12210 - Troy-Bilt Super Bronco Rear-Tine Tiller. Parts Lists & Diagrams. Super Bronco Rear-Tine Tiller.

Troy Bilt 21C-65M1066 Super Bronco CRT Roto-Tiller (2010 ...

Troy Bilt 21C-65M1066 Super Bronco CRT Roto-Tiller (2010 ...

Troy Bilt 13BX60TG766 Super Bronco (2007) Parts Diagrams Troy Bilt 13BX60TG766 Super Bronco (2007) Exploded View parts lookup by model. Complete exploded views of all the major manufacturers. It is EASY and FREE

Troy-Bilt 21A-644A711 - Troy-Bilt Super Bronco CRT Rear-Tine ...

Troy-Bilt 21A-644A711 - Troy-Bilt Super Bronco CRT Rear-Tine ...

Troy-Bilt Super Bronco CRT Roto-Tiller - e Replacement Parts Troy-Bilt 21C-65M1011 (2009) Super Bronco CRT Roto-Tiller Parts

Replaces Troy Bilt Super Bronco Tiller Counter Rotating Tines ...

Replaces Troy Bilt Super Bronco Tiller Counter Rotating Tines ...

Troy Bilt 12210 6.5 HP Super Bronco Parts Diagrams Troy Bilt 12210 6.5 HP Super Bronco Parts Diagrams. SWIPE SWIPE. Bolo Tines And Wheels. Driveshaft Assembly. Engine, Engine Brackets And Belt Drive Systems. Handlebars, Clutch Cables And Handlebar Mounting Hardware. Tine Hood, Depth Regulator And Drag Bar. Transmission Housing, Covers, Seals, Gaskets, And Plug.

Diagram(s) and/or PartsList(s)

Diagram(s) and/or PartsList(s)

Troy Bilt Super Bronco Tiller Parts Diagram - schematron.org We have parts, diagrams, accessories and repair advice to make your tool repairs easy.The Super Bronco CRT rear-tine rototiller from Troy-Bilt offers an outstanding value for a small or mid-size garden. The Super Bronco tiller gives you counter-rotating technology plus features normally found only on larger models - such as Just One Hand ...

Troy-Bilt 13AX60KH011 Super Bronco (2008) Mowing Deck 46

Troy-Bilt 13AX60KH011 Super Bronco (2008) Mowing Deck 46

Troy Bilt 12214 Bronco 5.5HP Tiller Parts Diagrams Troy Bilt 12214 Bronco 5.5HP Tiller Exploded View parts lookup by model. Complete exploded views of all the major manufacturers. It is EASY and FREE

Details about Troy Bilt Bronco,Super Bronco,Pro-Line Rear-tine Tiller  Operator's Manual

Details about Troy Bilt Bronco,Super Bronco,Pro-Line Rear-tine Tiller Operator's Manual

Troy Bilt 21D-65M8766 Super Bronco (2019) Parts Diagrams Troy Bilt 21D-65M8766 Super Bronco (2019) Parts Diagrams. Parts Lookup - Enter a part number or partial description to search for parts within this model. There are (125) parts used by this model.

1985 Troy Bilt Pony (5 HP) Roto Tiller Parts Catalog March 1985 on CD | eBay

1985 Troy Bilt Pony (5 HP) Roto Tiller Parts Catalog March 1985 on CD | eBay

PDF Troy Bilt Bronco Manual - events.staugustine.com Manual PTO diagram and repair parts lookup for Troy-Bilt 13WV78KS011 - Troy-Bilt Bronco Lawn Tractor (2016) COVID-19 UPDATE: Call Center OPEN (from home) and Warehouse SHIPPING to all 50 states (with some USPS/UPS/FedEx

Troy-Bilt 21C-65M1066 Super Bronco CRT '08 Roto-Tiller ...

Troy-Bilt 21C-65M1066 Super Bronco CRT '08 Roto-Tiller ...

Super Bronco 54 FAB Troy-Bilt Riding Lawn ... - MTD Parts Find parts for your Super Bronco 54 FAB Troy-Bilt Riding Lawn Mower. Parts diagrams and manuals available. Free shipping on parts orders over $45.

Super Bronco 50B Troy-Bilt Riding Lawn Mower - 13AAA1BQ066 ...

Super Bronco 50B Troy-Bilt Riding Lawn Mower - 13AAA1BQ066 ...

Troy-Bilt Super Bronco Tiller - e Replacement Parts Need to fix your 21D-65M1011 (2012) Super Bronco Tiller? Use our part lists, interactive diagrams, accessories and expert repair advice to make your repairs easy. ... Repair Parts Home Lawn Equipment Parts Troy-Bilt Parts Troy-Bilt Tiller Parts Troy-Bilt 21D-65M1011 (2012) ...

Troy Bilt 21C-65M1011 Super Bronco CRT Roto-Tiller (2008 ...

Troy Bilt 21C-65M1011 Super Bronco CRT Roto-Tiller (2008 ...

Troy Bilt 21A-643B711 Super Bronco CRT Roto-Tiller (2006 ... Troy Bilt 21A-643B711 Super Bronco CRT Roto-Tiller (2006) Parts Diagrams. Parts Lookup - Enter a part number or partial description to search for parts within this model. There are (130) parts used by this model. Use as required to obtain between .005" and .015" allowable end-play.

Troy-Bilt Bronco RotoTillers | 21B-643B011 ...

Troy-Bilt Bronco RotoTillers | 21B-643B011 ...

Troy-Bilt 12210 - Troy-Bilt Super Bronco Rear-Tine Tiller ...

Troy-Bilt 12210 - Troy-Bilt Super Bronco Rear-Tine Tiller ...

Troy Bilt 12214 Bronco 5.5HP Tiller Parts Diagrams

Troy Bilt 12214 Bronco 5.5HP Tiller Parts Diagrams

Troy-Bilt 12210 6.5 HP Super Bronco Engine, Engine Brackets ...

Troy-Bilt 12210 6.5 HP Super Bronco Engine, Engine Brackets ...

Troy-Bilt Super Bronco CRT Garden Tiller | 21A-65M1011 ...

Troy-Bilt Super Bronco CRT Garden Tiller | 21A-65M1011 ...

Troy-Bilt 12225 - Tuffy Tiller Engine, Engine Brackets And ...

Troy-Bilt 12225 - Tuffy Tiller Engine, Engine Brackets And ...

Troy-Bilt Super Bronco Not Running Carburetor Cleaning Fixed! - CRT  Rear-Tine Tiller -June 21, 2017

Troy-Bilt Super Bronco Not Running Carburetor Cleaning Fixed! - CRT Rear-Tine Tiller -June 21, 2017

Troy Bilt 21A-65M1011 Super Bronco CRT Roto-Tiller (2008 ...

Troy Bilt 21A-65M1011 Super Bronco CRT Roto-Tiller (2008 ...

Troy-Bilt 21D-65M1011 Super Bronco (2012) 170-T0b Carburetor ...

Troy-Bilt 21D-65M1011 Super Bronco (2012) 170-T0b Carburetor ...

Troy-Bilt Super Bronco CRT Roto-Tiller | 21C-65M1011 ...

Troy-Bilt Super Bronco CRT Roto-Tiller | 21C-65M1011 ...

Troy Bilt Illustrated Parts Manual RearTine Tiller Bronco 5Hp Form 12180 |  eBay

Troy Bilt Illustrated Parts Manual RearTine Tiller Bronco 5Hp Form 12180 | eBay

Troy-Bilt 21D-65M8711 - Troy-Bilt Super Bronco CRT Rear-Tine ...

Troy-Bilt 21D-65M8711 - Troy-Bilt Super Bronco CRT Rear-Tine ...

Troy-Bilt 12210 - Troy-Bilt Super Bronco Rear-Tine Tiller ...

Troy-Bilt 12210 - Troy-Bilt Super Bronco Rear-Tine Tiller ...

Pin on rc

Pin on rc

Troy-Bilt Flex Mower Attachment Parts

Troy-Bilt Flex Mower Attachment Parts

Troy-Bilt Super Bronco 50 (13WQA2KQ011) (2017) Deck

Troy-Bilt Super Bronco 50 (13WQA2KQ011) (2017) Deck

TROY-BILT SUPER BRONCO OPERATOR'S MANUAL Pdf Download ...

TROY-BILT SUPER BRONCO OPERATOR'S MANUAL Pdf Download ...

Troy-Bilt Lawn Tractor | 13WX78KS211 | eReplacementParts.com

Troy-Bilt Lawn Tractor | 13WX78KS211 | eReplacementParts.com

TROYBILT TROY-BILT ROTO TILLER-POWER COMPOSTER Parts | Model ...

TROYBILT TROY-BILT ROTO TILLER-POWER COMPOSTER Parts | Model ...

Troy-Bilt Super Bronco Tiller | TB146EC | eReplacementParts.com

Troy-Bilt Super Bronco Tiller | TB146EC | eReplacementParts.com

Pin on rc

Pin on rc

Super Bronco 54 FAB Troy-Bilt Riding Lawn Mower - 13AQA2KA066 ...

Super Bronco 54 FAB Troy-Bilt Riding Lawn Mower - 13AQA2KA066 ...

Bronco CRT Garden Tiller - 21D-64M8766 | Troy-Bilt US

Bronco CRT Garden Tiller - 21D-64M8766 | Troy-Bilt US

Troy Bilt 21D-65M8766 Super Bronco (2016) Parts Diagrams

Troy Bilt 21D-65M8766 Super Bronco (2016) Parts Diagrams

TROY-BILT 12204-10HP OWNER'S MANUAL Pdf Download | ManualsLib

TROY-BILT 12204-10HP OWNER'S MANUAL Pdf Download | ManualsLib

Troy-Bilt Bronco RotoTillers | 21A-634F063 ...

Troy-Bilt Bronco RotoTillers | 21A-634F063 ...

0 Response to "40 Troy Bilt Super Bronco Tiller Parts Diagram"

Post a Comment

Iklan Atas Artikel

Iklan Tengah Artikel 1

Iklan Tengah Artikel 2

Iklan Bawah Artikel