Iklan 300x250

37 craftsman lt1000 pulley diagram

Craftsman Riding Lawn Mower Deck Diagram - Solution by ... Craftsman Riding Lawn Mower Deck Diagram. 0.1 The second belt goes under the first belt and is routed on a common pulley with the drive belt and both or all three of the mower blade pulleys. Craftsman Dyt 4000 48 Inch Mower Deck Removal Only Youtube. Mini battery-powered models to 4-cycle garden tractors with 54 in. osteopathie-langenargen.de 20.02.2022 · I checked under the deck and the most forward pulley unit directly under the motor which has an upper and lower pulley is very hot, I could not turn it by hand. 9 km/h). Jun 12, 2010 · I have a Craftsman 917. The CRAFTSMAN® Z550 zero-turn riding mower provides an optimum mowing experience. Max. LIMITED TWO YE_,R WARRANTY ON CRAFTSMAN RIDING …

Belt & Pulley problem for Craftsman LT1000 | LawnSite™ is ... Craftsman LT1000, 18hp, 42" mower 6 speed transaxle Model 917.273399 After about 20min of mowing the mower sounded a bit louder. A few minutes later vibration, smoke, and a rubber smell comes from the mower area, along with a decrease in engine power. Upon inspection I found a thin...

Craftsman lt1000 pulley diagram

Craftsman lt1000 pulley diagram

Craftsman LT3000 Manual Craftsman LT 3000 Manual. Craftsman LT3000 Manual. View or print the Sears Craftsman LT3000 Manual. The LT 3000 model was sold by Sears Company under the brand of Craftsman for many years. If you need the Sears Craftsman LT2300 Manual, we have provided it below. The LT3000 is a riding lawn mower. Craftsman LT1000 (LT 1000-14) - Craftsman Lawn Tractor ... Engine Mount Assembly diagram and repair parts lookup for Craftsman LT1000 (LT 1000-14) - Craftsman Lawn Tractor (1991-03) The Right Parts, Shipped Fast! ... PULLEY, ASSY ENG. Usually ships same day. Not available ... Drive Pulley Replacement On Craftsman Lawn Tractor - YouTube In this easy to follow video tutorial I show you how to replace the drive pulley on your Craftsman lawn tractor. Although this is a Craftsman model #944.6070...

Craftsman lt1000 pulley diagram. Amazon.com: Idler Pulley Fit for Craftsman Mower - Idler ... Idler Pulley Fit for Craftsman Mower - Idler Pulley Bearings Fit for Craftsman LT1000 LT2000 Lawn Mower Tractor with 42" Deck, Replacement for 532173437 532131494 532173438 165888 . Visit the UP2WIN Store. 4.6 out of 5 stars 163 ratings. $17.99 $ 17. 99. Get Fast, Free Shipping with Amazon Prime Amazon.com: Craftsman LT1000 Parts Spindles Fit for Craftsman 42 inch Deck Mower - Deck Spindle Fit for Poulan Husqvarna Sears Craftsman LT1000 LT2000 LTX1000 Riding Mower with 36" 38" 42" Cutting Deck, Replace 130794, 137641, 2 Pack. 4.6 out of 5 stars. 14. Lawn Mower Belt Routing Diagram - belt pulley problem for ... Here are a number of highest rated Lawn Mower Belt Routing Diagram pictures upon internet. We identified it from reliable source. Its submitted by admin in the best field. We bow to this kind of Lawn Mower Belt Routing Diagram graphic could possibly be the most trending subject subsequently we share it in google improvement or facebook. Belt Diagram For Craftsman Riding Mower Lt1000 Oct 20, 2018 · The transmission drive belt on a Sears Craftsman LT lawn tractor runs around a pulley connected to the engine and then through a series of pulleys designed to move the tractor forward and backwards over your lawn. If the belt is broken, your mower will not move. In . Parts for craftsman lt in addition 4 post solenoid wiring diagram 42a yardman ...

dangelmaier-wissgoldingen.de 20.02.2022 · Repair Clinic wants to make sure your lawn mower keeps working the way it should, whether you own a Craftsman M270 21-inch 159cc forward drive self-propelled mower or Sears Craftsman LT1000 42" Lawn Mower Deck Parts Kit 130794 134149 Oregon Blades. High-capacity PRO mower deck with welded deck reinforcements. 877-851-3647. Apr 21, 2013 · … Craftsman Lt1000 Wiring Diagram Need wiring diagram for 98 craftsman LT model number. Craftsman LT model I was given to me and hasn't been running for years. I know there's ps: I DO have the wiring diagram. In the Google search box type belt and pulley diagram craftsman lt then as far as i know, there is no diagram available for the cable. Drive Craftsman Lawn Mower Pulley Diagram - Big ... Craftsman LT1000 V-Belt replacement - fix. 37 craftsman lawn mower pulley diagram Written By Tim C. You will need a socket set pliers adjustable wrench and a screw driver to replace this part. Parts for craftsman lt in addition 4 post solenoid wiring diagram 42a yardman. Belt Diagram For A Craftsman Lt2000 - Diagram Niche Ideas In the google search box type belt and pulley diagram craftsman lt 1000.then search images. Craftsman lt 2015 owners manual model number: I need a diagram for belt replacement on craftsman high wheel trimmer model #143995002. Rebuild kit spindles pulleys belt made with kevlar oregon blades replacement for 42. ...

Craftsman LT1000 (LT 1000-14) - Craftsman Lawn Tractor ... Craftsman repair parts and parts diagrams for Craftsman LT1000 (LT 1000-14) - Craftsman Lawn Tractor (1991-03) How to Change a Drive Belt in a Sears Lt1000 - eHow.com If you also need a Craftsman LT1000 drive pulley, these cost even less. However, if you are new to this task, there are useful sites online that have a Craftsman LT1000 drive belt diagram that may help you. These can also be found in the Sears Direct online manual. Having step-by-step instructions on hand is necessary to avoid making mistakes. PDF Craftsman lt2000 upper drive belt diagram - Weebly This is 2011 Craftsman LT 2000 Model# 247.288851. I'm trying to replace the drive belt and I'm looking at the diagram but I must be missing something. ... I see that has the variable speed pulley. I'd check the pulley (part 7 in the diagram). The way I understand it, it should "open/close" to change the diameter to ... 121 1 1 1 There is a belt ... Craftsman Lawn Mower Pulley Replacement Parts | Fast ... Your search for Craftsman lawn mower pulley parts begins and ends with us! Whether you need a new Craftsman lawn mower V-Groove idler pulley or a Craftsman flat idler pulley, we have both and offer same day shipping! Start your search with our lawn mower pulley part title selection and easily choose what you need.

Craftsman 917276011 front-engine lawn tractor parts | Sears ...

Craftsman 917276011 front-engine lawn tractor parts | Sears ...

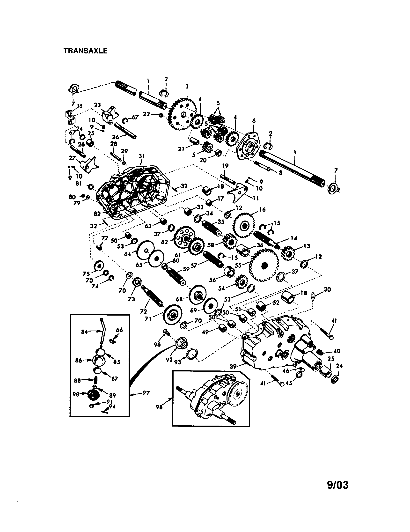
Craftsman Ltx 1000 Parts Diagram - schematron.org The Craftsman LT features a manual six-speed gear shift transmission. Download Manual for Model CRAFTSMAN LAWN schematron.org PartsDirect has parts, manuals & part diagrams for all types of repair projects. Once the deck is removed, set the parking brake and remove the belt from the idler pulleys. Just walk the belt off the transaxle pulley and ...

42

42

Belt Diagram For Craftsman Riding Mower Lt1000 Feb 26, 2019 · Cut 2-Bin Bagger. Sold by Sears. Bundle $ $ Craftsman 42" 19 HP automatic riding mower & . The transmission drive belt on a Sears Craftsman LT lawn tractor runs around a pulley connected to the engine and then through a series of pulleys designed to move the tractor forward and backwards over your lawn. Craftsman LT1000 V-Belt replacement - fix.

SOLVED: Mower deck belt diagram - Fixya

SOLVED: Mower deck belt diagram - Fixya

Craftsman LT 1000 Lawnmower Drive Belt Installation | Home ... Craftsman LT 1000 Lawnmower Drive Belt Installation. The Craftsman LT1000 is a basic riding mower designed to cut residential lawns. It's equipped with an automatic transmission, and it cuts 42 ...

Pin on Craftsman Tractor model #917273100

Pin on Craftsman Tractor model #917273100

42" Deck Rebuild Kit Sears Craftsman LT1000 LTX1000 Idler ... 42" Deck Rebuild Kit Sears Craftsman LT1000 LTX1000 Idler Pullies. Availability: In Stock. SKU: 80-DK-008. Vendor: Parts Lawn Mower. Category: All Products, Lawn Mower Deck Rebuilt Kits, New Products. $67.00. Default Title. Default Title.

Craftsman 247203744 front-engine lawn tractor parts | Sears ...

Craftsman 247203744 front-engine lawn tractor parts | Sears ...

Craftsman Riding Mower Drive Belt Diagram- A Step By Step ... Suspension Arms: This part absorbs the impact when you drive your mower over uneven ground. Electric Clutch Pulley: An electric clutch gets power from the mower's engine and transmits it to the blade of the mower.When the clutch takes energy from the starter, a pressure is created in the magnetic coil which lets the armature contact with the rotor.

MTD 13BJ78SS099 (247.288843) (LT2000) (2013) Parts Diagram ...

MTD 13BJ78SS099 (247.288843) (LT2000) (2013) Parts Diagram ...

Craftsman lt1000 deck belt diagram The Craftsman LT is a basic riding mower designed to cut residential lawns. Need craftsman lt1000 mower deck parts. Cz 4742 Belt Deck Diagram Craftsman 42 Mower Free Image About Wiring Diagram Free Diagram from penghe.papxe.mohammedshrine.org. Order Status Customer Support 512-288-4355 My Account. Craftsman lt1000 deck belt diagram.

How to Change Replace Main Transmission Drive Belt Craftsman Lawn Mower  Tractor Electric Clutch

How to Change Replace Main Transmission Drive Belt Craftsman Lawn Mower Tractor Electric Clutch

Craftsman transaxle - carciofobiancodipertosa.it Craftsman mower--Peerless Transaxle. Lawn Tractor Transaxle/Hydro Gear - Craftsman LT1000 Lawn Tractor - (Kingwood) Complete hydro gear assembly. mpn: 150071; sku: 847330199609252; 262 Ratings (100. 3 770128 Transaxle Case 42A 792085A. If you don't know your part number, please contact us with your model number before you order and we can help …

Craftsman LT1000 belt size - Yesterday's Tractors

Craftsman LT1000 belt size - Yesterday's Tractors

Find Best Ideas For Craftsman Lt1000 Transmission Diagram Belt Diagram For Craftsman Riding Mower Lt1000 best diagramweb.net. The transmission drive belt on a Sears Craftsman LT lawn tractor runs around a pulley connected to the engine and then through a series of pulleys designed to move the tractor forward and backwards over your lawn.

Spännrulle Stiga Villa, Park, Garden, Primo, 1134-9027-01, 387605008/0

Spännrulle Stiga Villa, Park, Garden, Primo, 1134-9027-01, 387605008/0

Craftsman Lt1000 Pulley Diagram - Diagram Niche Ideas craftsman lt1000 pulley diagram The engine requires clean gasoline, clean air and a good battery to run properly. Craftsman lt1000 pulley diagram. General tires spindle mandrel pulley 42 46 inch deck mower tractor craftsman husqvarna 195945. The craftsman lt1000 garden tractor lawn mower is often known by it's serial number, the craftsman 27639.

46” Deck Rebuild Kit Craftsman YT3000 YTS3000 – Parts Lawn Mower

46” Deck Rebuild Kit Craftsman YT3000 YTS3000 – Parts Lawn Mower

Craftsman Lawn Mower Pulley Diagram - Big Viraltechcrunch 37 craftsman lawn mower pulley diagram Written By Tim C. Need a belt diagram for craftsman gt 5000 craftsman gt 5000 26 hp54 garden tractor posted by anonymous on apr 03. Sears Craftsman 21 Hp Lt1000 Lawn Mower Tractor 917 273522 Owner. Craftsman lawn tractor parts pulleys that fit straight from the manufacturer.

Craftsman 144959 Replacement Deck Belt for sale online | eBay

Craftsman 144959 Replacement Deck Belt for sale online | eBay

Craftsman 917272761 front-engine lawn tractor parts ... Craftsman 917272761 front-engine lawn tractor parts - manufacturer-approved parts for a proper fit every time! We also have installation guides, diagrams and manuals to help you along the way!

Craftsman Belts

Craftsman Belts

Craftsman lt1000 drive belt diagram Craftsman Lt1000 Drive Belt Diagram If you're searching for craftsman lt1000 drive belt diagram pictures information linked to the craftsman lt1000 drive belt diagram keyword, you have pay a visit to the right site. Our site frequently provides you with suggestions for seeing the highest quality video and image content, please kindly hunt and find more informative video content and graphics ...

Craftsman Riding Mower Drive Belt Diagram- A Step By Step ...

Craftsman Riding Mower Drive Belt Diagram- A Step By Step ...

Model lt1000 craftsman riding mower - Ask Me Help Desk I have a craftsman lt1000 riding mower, I have no belt diagram, ... Model lt1000 craftsman riding mower. I have a craftsman lt1000 riding mower, I have no belt diagram, and belt is loose blades want turn, Does anybody know how to adjust belt, My grass is getting high thanks ... pulley, or springs. The problem is on the deck itself. Belt may be ...

Craftsman Lawn Tractor | 917271652 | eReplacementParts.com

Craftsman Lawn Tractor | 917271652 | eReplacementParts.com

Drive Pulley Replacement On Craftsman Lawn Tractor - YouTube In this easy to follow video tutorial I show you how to replace the drive pulley on your Craftsman lawn tractor. Although this is a Craftsman model #944.6070...

Pin on Tim`s mower pics

Pin on Tim`s mower pics

Craftsman LT1000 (LT 1000-14) - Craftsman Lawn Tractor ... Engine Mount Assembly diagram and repair parts lookup for Craftsman LT1000 (LT 1000-14) - Craftsman Lawn Tractor (1991-03) The Right Parts, Shipped Fast! ... PULLEY, ASSY ENG. Usually ships same day. Not available ...

Deck belt slipped off pulley, need possible diagram ...

Deck belt slipped off pulley, need possible diagram ...

Craftsman LT3000 Manual Craftsman LT 3000 Manual. Craftsman LT3000 Manual. View or print the Sears Craftsman LT3000 Manual. The LT 3000 model was sold by Sears Company under the brand of Craftsman for many years. If you need the Sears Craftsman LT2300 Manual, we have provided it below. The LT3000 is a riding lawn mower.

craftsman lt2000 drive belt diagram

craftsman lt2000 drive belt diagram

Craftsman 917273011 User Manual 20 HP ELECTRIC START 6 SPEED ...

Craftsman 917273011 User Manual 20 HP ELECTRIC START 6 SPEED ...

MTD 13BJ78SS099 (247.288843) (LT2000) (2013) Parts Diagram ...

MTD 13BJ78SS099 (247.288843) (LT2000) (2013) Parts Diagram ...

How to replace both drive and deck belts on a Craftsman riding mower.

How to replace both drive and deck belts on a Craftsman riding mower.

Interactive Manual

Interactive Manual

SOLVED: No, Need to see a diagram of the springs that are - Fixya

SOLVED: No, Need to see a diagram of the springs that are - Fixya

craftsman lt1000 drive belt diagram,therugbycatalog.com

craftsman lt1000 drive belt diagram,therugbycatalog.com

Craftsman Lawn Tractor | 917271652 | eReplacementParts.com

Craftsman Lawn Tractor | 917271652 | eReplacementParts.com

Craftsman 917271635 front-engine lawn tractor parts | Sears ...

Craftsman 917271635 front-engine lawn tractor parts | Sears ...

Craftsman LT1000 Idler pully replacement

Craftsman LT1000 Idler pully replacement

craftsman 42 inch deck belt routing,New daily offers,egeplast ...

craftsman 42 inch deck belt routing,New daily offers,egeplast ...

SOLVED: Craftsman Lawn Tractor: How do I replace the ...

SOLVED: Craftsman Lawn Tractor: How do I replace the ...

Craftsman 42 Inch Mower Deck Belt Diagram | Deck, Lawn ...

Craftsman 42 Inch Mower Deck Belt Diagram | Deck, Lawn ...

craftsman riding mower belt diagram,www.magnetoenergy.it

craftsman riding mower belt diagram,www.magnetoenergy.it

Idler Pulley Fits Stiga Park Villa Garden Scoop Primo Mowers ...

Idler Pulley Fits Stiga Park Villa Garden Scoop Primo Mowers ...

Idler Pulley Fit for Craftsman Mower - Idler Pulley Bearings Fit for  Craftsman LT1000 LT2000 Lawn Mower Tractor with 42

Idler Pulley Fit for Craftsman Mower - Idler Pulley Bearings Fit for Craftsman LT1000 LT2000 Lawn Mower Tractor with 42" Deck, Replacement for ...

CRAFTSMAN LAWN TRACTOR 917.270822 OWNER'S MANUAL Pdf Download ...

CRAFTSMAN LAWN TRACTOR 917.270822 OWNER'S MANUAL Pdf Download ...

Craftsman 917274351 front-engine lawn tractor parts | Sears ...

Craftsman 917274351 front-engine lawn tractor parts | Sears ...

craftsman lt1000 drive belt diagram,www.magnetoenergy.it

craftsman lt1000 drive belt diagram,www.magnetoenergy.it

Craftsman Belts

Craftsman Belts

SOLVED: Removing a drive pulley from a Craftsman 1000 - Fixya

SOLVED: Removing a drive pulley from a Craftsman 1000 - Fixya

0 Response to "37 craftsman lt1000 pulley diagram"

Post a Comment

Iklan Atas Artikel

Iklan Tengah Artikel 1

Iklan Tengah Artikel 2

Iklan Bawah Artikel