41 dodge ram infinity amp wiring diagram
This started with a rear door speaker that wasn't working, it morphed into wiring around the infinity Amplifier that was factory installed. I was attempting... SOURCE: how do i hook up an after market stereo in a 1998 dodge durango slt with an infinity sound system w/amp get an adaptor kit for the stereo wiring. it will plug directly into the factory harness and vertually eliminate cross-wiring.
As stated previous, the lines at a Dodge Ram Infinity Amp Wiring Diagram represents wires. Sometimes, the wires will cross. However, it doesn’t mean link between the wires. Injunction of 2 wires is usually indicated by black dot on the intersection of 2 lines.

Dodge ram infinity amp wiring diagram
July 18, 2015 - 3rd Gen Ram Tech - Infinity Wiring Diagram - Has anyone found a wiring diagram for the Infinity system? I have a 2004 QC and I have checked with our friends over @ 12 volt and the diagram they have listed none of my wire colors line up. Also, my other question was how does one go about getting ... (radio died on me and didn't tell the amp to turn off, drained the battery) They don't make an adapter that works in my year, so I need a new amp. As you are aware the factory system's sound doesn't warrant the cost of a used factory head unit that may have the same issues. Definitely find the 06 service manual and check wiring diagrams, colors ... 2004-2005 Dodge Ram. Power / Amplifier. Bypass Harness. These harnesses are designed to be used with. the 2004 Dodge Ram SRT-10 or the 2004 Dodge. Ram with the amplified Infinity sound system and. the handsfree capable system. To determine if. you have the handsfree capable system, look on. the rear view mirror for a telephone symbol. If
Dodge ram infinity amp wiring diagram. December 21, 2020 - Read Or Download Dodge Ram 2500 Infinity Stereo For FREE Wiring Diagram at SITEXBENZ.FATTORIAGARBOLE.IT 1997 Dodge Ram 1500 Infinity Stereo Wiring. To properly read a wiring diagram, one provides to find out how the components within the system operate. For example , in case a module is powered up and it sends out a new signal of half the voltage in addition to the technician does not know this, he would think he offers a challenge, as he or she ... November 24, 2006 - We use cookies to personalize content, in our forums to recognize members and guests and their preferences, to complete web forms, to display third party ads, and to analyze our traffic. Personalized ads have been disabled for end users in the European Economic Area (EEA). January 13, 2021 - Diagram] ram infinity amp wiring diagram full version hd quality wiring diagram deskdiagrams amusa it Dodge ram infinity amp wiring diagram wiring diagram calm pair a calm pair a zaafran it Diagram] 02 ram infinity amp wiring diagram full version hd quality wiring diagram diagramkrall anpaa ...
Which SYSTEM for this Infinity are you needing wiring diagrams for? ... I have a 1997 Dodge Ram 2500 4x4 Diesle 5 speed manual I have a factory radio with 6 disc. changer the radio works and so does the cd changer but I get very little volume Im sure its a amplifer problem.... In this video I am replace in factory 7 speaker Infinity stereo with an aftermarket head unit and bypassing the factory amp with a Metra wiring harness (see ... I have a 2003 Dodge ram 1500 quad cab with infinity. Do they sell a adapter female on both sides one piece to just plug in both connections radio into amp amplifier out to speakers one simple adapter female on both sides to work as a bridge between the two plugs then I would have to do is disconnect two hot wires ... Our automotive wiring diagrams allow you to enjoy your new mobile electronics rather than spend countless hours trying to figure out which wires goes to which 2003 Dodge Ram 2500 Pickup Truck part or component. Feel free to use any Dodge Ram 2500 Pickup Truck car stereo wiring diagram that is listed on Modified Life but keep in mind that all ...
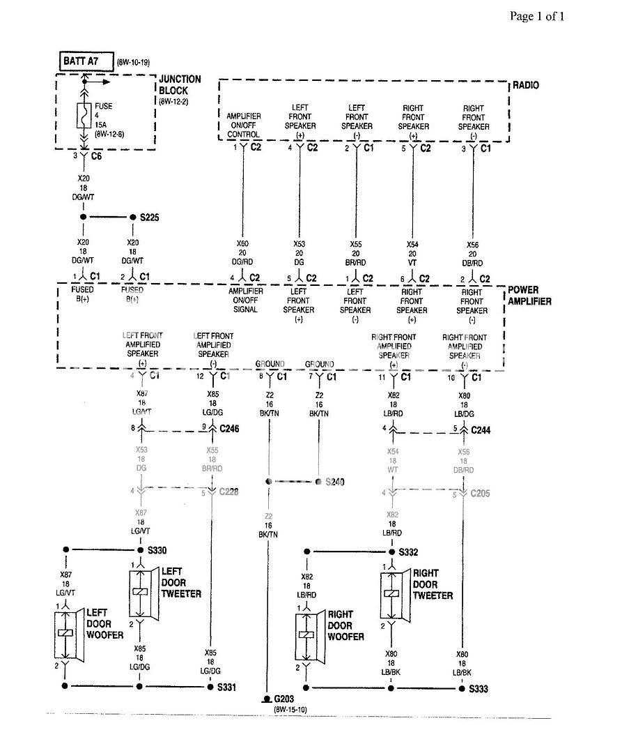
2004 Dodge Ram 1500 Car Radio Stereo Audio Wiring Diagram Car Radio Battery Constant 12v+ Wire: Pink. Car Radio Accessory Switched 12v+ Wire: Brown/Red. Car Radio Ground Wire: Black/Dark Green April 15, 2017 - Need a wiring diagram for a 2008 dodge ram 3500 megacab laramie pickup with factory navigation radio. Wiring diagram for thermostat to furn... Joined Mar 31, 2005. ·. 13 Posts. Discussion Starter · #1 · Jun 8, 2005. I have a 2005 Dodge ram 1500 quad cab with the 7 speaker infinity system. I would like to install the new Alpine IVA-D310 head unit. I have been searching and talking to car audio installers for the past 2 months and no one can give me a straight answer on how to ... Here is the wiring information for the factory amplifier. Mid-line & Infinity Amplifier Wiring FUNCTION PIN WIRE COLOR Constant 12 Volt 1 VT Constant 12 Volt 2 VT Left Front Spkr + 4 L.GN/RD Right Rear Spkr + 5 TN/VT Left Rear Spkr + 6 WT/RD Chassis Ground 7 BK/L.GN Chassis Ground 8 BK/L.GN Right Front Spkr - 10 L.BU/BK Right Front Spkr + 11 L ...
2nd Gen. Dodge Ram - No Drivetrain - infinity wiring - I'm, replacing the speakers on my 98 and i need the wiring diagrams for the infinity sound system.
November 19, 2020 - Infinity Amplifiers in Chrysler Cars by Jeremy Schrag Back in the eighties, no American auto makers were really taking audio seriously. There were a few premium head unit options, with a couple of half-hearted stabs at adding things like booster amplifiers and co-axial speakers, but for the...
January 12, 2021 - Dodge ram infinity amp wiring diagram Dodge ram infinity stereo wiring diagram wiring diagram center launch shine a launch shine a tatikids it Diagram] infinity 36670 amp wiring diagram full version hd quality wiring diagram curaguide fantasyehobbygenova it Infiniti wiring diagrams chrysler ...
January 12, 2021 - Downloads 02 Ram Infinity Amp Wiring Diagram dodge ram infinity amp dodge ram infinity amp bypass ram infinity position cup holder ram infinity upgrade ... Contactor Parts Diagram 2002 Audi A6 3 0 Engine Diagram Haier Hvac Wire Diagram Vw Bus Heater Diagram Ferguson Tractor Wiring Diagram Picture ...
Dodge Ram Infinity Amp Wiring Diagram 2005 1500 Copy 1s In For 2002 Dodge Ram 1500 Radio Wiring Diagram Awesome 2002 Dodge Ram 1500 Jeep Infinity Amp Wiring Diagram Wiring Diagram Library Dodge Infinity Amp Wiring Diagram 2005 Durango Stereo 2000 Ram Sound Tags : dodge ram infinity amp wiring diagram. Facebook; Twitter;
Does anyone have a wiring diagram (or know) for the Dodge Ram front door Infinity speakers which have the built-in amplifier? My '98 Ram 2500 has the Infinity sound system in it, with the A-piller speakers, front door speakers w/ amplifier, and back door speakers. The connectors for the...
Whether you want to know how to change your radio in your 2005 Dodge Ram 2500 or figure our why car radio stopped working, a 2005 Dodge Ram 2500 radio wiring diagram can save you a lot of time. Knowing what every wire does in your 2005 Dodge Ram 2500 radio wire harness takes the guess work out of changing your car radio or fixing your car stereo.
January 11, 2021 - Dodge ram infinity stereo wiring diagram Dodge ram infinity stereo wiring diagram wiring diagram schema energy a energy a atmosphereconcept it Dodge ram infinity stereo wiring diagram wiring diagram schema energy a energy a atmosphereconcept it Dodge ram infinity stereo wiring diagram wiring ...
April 12, 2017 - 3rd Generation Ram - Non Drivetrain - All Years - Infinity amp, how do I power it? - I just bought an 05 quad cab with the inifinity sound system in it. I tried installing my in dash dvd player. It turns on just no sound. So I've been searching on the internet all yesterday and this morning ...
03 Ram Cummins with Infinity sound... PoweredByDodge Posts: 4,185. June 2006 edited January 2008. in Car Audio & Electronics. What's the deal with the 03 Ram (the new body style - first year the HD got the new body) that has the Infinity head with the 7 speaker deal... It has 3.5's in the dash stock, 6x9's (or at least I think they're 6x9's) in ...
Crutchfield recommended the PAC RP4-CH11 as the interface to use on my 08 Dodge Ram 2500 w/Infinity Sound System (7 speakers) to connect to my SoundStrean VRN-DD7HB aftermarket radio. In looking at the wire harness on the truck side Pins 7-10 are empty (WHT/WHT BLK, GRY/GRY BLK)...this corresponds to the front speakers on the PAC harness.
May 28, 2001 - Hello all, I need to know if someone out there knows the wiring colors and their appropriate uses on a 2001. 5 dodge ram 3500 with the infinity...
July 22, 2019 - I purchased a dodge ram that didn't have a radio in it when I got it but I bought one and installed it but the problem I am having is it has no sound to it. After researching online I realize I have the infinity stereo or whatever its called lol (speakers on the a pillar). When installing the...
2008 Dodge Ram Infinity Amp Wiring Diagram. Print the wiring diagram off plus use highlighters to trace the signal. When you make use of your finger or perhaps the actual circuit with your eyes, it is easy to mistrace the circuit. 1 trick that We 2 to printing a similar wiring plan off twice.
What are the wire colors for the speakers in a 2008 dodge ram with the infinity 7 speaker with amp system - Answered by a verified Dodge Mechanic. ... Need a wiring diagram for a 2008 Dodge Ram 3500 megacab Laramie pickup with factory navigation radio ...
Mudslut453. I am trying to install a aftermarket cd player/sat radio in my '05 Dodge truck which has the Infinity sound system from the factory. I have been told that the infinity system has an external amp that power all of the factory speakers, but we are having trouble identifying some of the wires in the factory wiring harness.
I need a stereo wiring diagram for a 2005 dodge ram 1500 Laramie with infinity 7 speaker sound system - Answered by a verified Dodge Mechanic. We use cookies to give you the best possible experience on our website. ... 2007 dodge ram 2500 laramie: infinity..factory..leads..the amp.
50 Inspirational 1997 Dodge Ram 1500 Radio Wiring Diagram- Car radio installation side dishes comprise of harness adapters leads, fascia adapters, stalk/steering wheel manage adapters (also known as intellectual leads) and aerial adapters. 1999 Ram Radio Wiring Dat Wiring DiagramsWiring Diagram 1997 Dodge Intrepid 2000 dodge ram 1500 radioOne or more of the above adaptors may be needed past ...
1999 Dodge Ram 1500 Truck Car Stereo Radio Wiring Diagram Car Radio Constant 12v+ Wire: Red Car Radio Switched 12v+ Wire: Red/White Car Radio Ground Wire: Chassis Car Radio Illumination Wire: N/A Car Stereo Dimmer Wire: Orange/White Car Stereo Antenna Trigger: Yellow Car Stereo Amp Trigger Wire: N/A Car Stereo Amplifier Location: Behind the ...
Hey i need a wiring diagram for the speakers in a 2006 dodge 3500 cummins with the infinity sound system.. i just need to know what wires are in the plugs in the back of the radio Any info would be greatly appreciated
June 28, 2004 - We use cookies to personalize content, in our forums to recognize members and guests and their preferences, to complete web forms, to display third party ads, and to analyze our traffic. Personalized ads have been disabled for end users in the European Economic Area (EEA).
What you're saying makes a ton of sense when replacing the front speakers and head unit, basically since the amps are part of the infinity speaker you toss that out, run the factory wire to the front speakers, then since you no longer have the amp connecting the rear door speaker wires (#5/10 #6/9) those are also then powered by the head unit.
I've attached the wiring diagram I found that was at least correct for my 2002 Dodge Ram 1500 SLT Quad Cab. Of the two harnesses coming into the infinity amp, the smaller connector is the inputs and the larger one has the constant power for the amp and the wires going out to the speakers.
2007 dodge ram 1500 truck stereo wiring information. Dodge ram radio wiring diagram. It reveals the elements of the circuit as simplified shapes and also the power and signal connections in between the devices. Wire code identification. Need to know which wire from truck goes to which pin on plug.
In addition to the amplifier bypass harness, a power harness is also included for your aftermarket head unit. 2004 Dodge Ram SRT-10 with hands-free and Infinity sound system (must have a telephone symbol on the mirror) 2004 Dodge Ram (non SRT-10) with Infinity sound system; 2005 ALL Dodge Rams with Infinity sound system; Wire Code Chart:
2002 Dodge Ram 1500 Infinity Amp Wiring Diagram . December 11, 2020 1 Margaret Byrd . 0 . Amplifier on a 2002 ram 1500 quad cab infinity wiring dodge sel new stereo install 04 qc aftermarket 2007 chrysler jeep ai grand cherokee wj upgrading the i need diagram for 2008 amp 4x4 my harness question ...
Jeep Wj Grand Cherokee Wiring Diagrams And Pinouts Jeepspecs Com. 2000 Gen 1 Infinity System Wiring Diagram Dodge Durango Forum. 01 02 Chrysler Sebring Infinity Radio Amp Amplifier 05026005ae 36670c Oem 89 99 Picclick. Chrysler Car Radio Stereo Audio Wiring Diagram Autoradio Connector Wire Installation Schematic Schema Esquema De Conexiones ...
Dec 6, 2020 - 2005 Dodge Ram Infinity Amp Wiring Diagram . 2005 Dodge Ram Infinity Amp Wiring Diagram New. Dodge Ram Infinity Amp Wiring Diagram Wiring Diagram New. Dodge Ram Infinity Amp Wiring Diagram Wiring Diagram New. 2004 Dodge Wiring Diagrams Wiring Diagram toolbox
Dodge ram infinity amp wiring diagram 2002 dodge ram 1500 infinity amp wiring diagram 2005 dodge ram 1500 infinity amp wiring diagram 2005 dodge ram infinity amp wiring diagram every electric arrangement is composed of various unique components. Each component should be set and linked to other parts in specific manner. New 2004 Dodge Ram …
January 12, 2021 - Dodge infinity amp wiring diagram 2000 dodge ram infinity wiring diagram wiring diagram wall pair wall pair zaafran it Diagram] dodge infinity amp wiring diagram full version hd quality wiring diagram diagramwiki iforyouitalia it Dodge ram infinity amp wiring diagram wiring diagrams blue script ...
2004-2005 Dodge Ram. Power / Amplifier. Bypass Harness. These harnesses are designed to be used with. the 2004 Dodge Ram SRT-10 or the 2004 Dodge. Ram with the amplified Infinity sound system and. the handsfree capable system. To determine if. you have the handsfree capable system, look on. the rear view mirror for a telephone symbol. If
(radio died on me and didn't tell the amp to turn off, drained the battery) They don't make an adapter that works in my year, so I need a new amp. As you are aware the factory system's sound doesn't warrant the cost of a used factory head unit that may have the same issues. Definitely find the 06 service manual and check wiring diagrams, colors ...
July 18, 2015 - 3rd Gen Ram Tech - Infinity Wiring Diagram - Has anyone found a wiring diagram for the Infinity system? I have a 2004 QC and I have checked with our friends over @ 12 volt and the diagram they have listed none of my wire colors line up. Also, my other question was how does one go about getting ...
0 Response to "41 dodge ram infinity amp wiring diagram"
Post a Comment