39 john deere gator 6x4 parts diagram
6X4 Gator (Gas) -PC2387. Camshaft 6x4 Diesel ENGINE MARKED 3TN66C-JUV: ENGINE GATOR 6X4 DIESEL. 6X4 Gator (Gas) -PC2387. Carburetor & Intake Manifold 6x4 Engine - 059967: FUEL AND AIR. 6X4 Gator (Gas) -PC2387. If you know the Part Numbers for the John Deere Gator/Utility Vehicles parts you seek, you can look it up in our Part Search Box. Our other helpful feature is our toll-free customer service hotline. Call us today at 888-432-6319 and we will assist you with anything you need.
John Deere Gator Rear Tire HDAP Tread Fits 4X2 6X4. (2) $120.93. Add To Cart. Quick View.

John deere gator 6x4 parts diagram
08.08.2020 · I went on the Green Farm Parts site but I cannot find the parts diagram for a 6X4 1998 Gas VIN W006X4X035515 I see it for a Diesel am i missing something help . Save Share. Reply. Bradhill · Administrator. Joined Aug 18, 2015 · 4,052 Posts #4 · Aug 1, 2020. helfriwj said: I went on the Green Farm Parts site but I cannot find the parts diagram for a 6X4 1998 Gas … Parts Catalog - UTILITY VEHICLE John Deere 6X4 - UTILITY VEHICLE - 4X2, 6X4 Gators, Diesel Gator, Trail Gator, Worksite Gator Parts Catalog Parts Catalog | 777parts John Deere Gator Utility Vehicle Te Tm2339 Technical Manual. Many good image inspirations on our internet are the very best image selection for. Pin On Wiring Diagram Assortment of john deere gator tx wiring diagram. John deere gator wiring diagram. Regulator Is A Self Contained Unit And Is Not Repairable. It shows the parts of […]
John deere gator 6x4 parts diagram. Ebook John Deere Gator 6x4 Parts Manual John Deere Model 6X4 Gator Parts - GreenPartStore John Deere 6x4 Gator Parts. The John Deere 6x4 Gator was produced with standard features including 18 HP Kawasaki engine, rack and pinion steering, and 1200 lb towing capacity. Regular Maintenance Page 11/35 Buy Genuine OEM John Deere parts for your John Deere TH 6X4 Gator Utility Vehicle (Gas) Gator Utility Vehicle (Gas) (6X4 TH) -PC9463 and ship today! Huge in-stock inventory of OEM John Deere parts. Online catalog John Deere GATOR - UTILITY VEHICLE (spare parts) UTILITY VEHICLE John Deere GATOR - UTILITY VEHICLE. 4X2, 6X4 Gators, Diesel Gator, Trail Gator, Worksite Gator. Parts Catalog. Parts Catalog; LABELS. LABELS (FRENCH) (WORKSITE GATOR) LABELS (FRENCH) (4X2/6X4) LABELS (FRENCH) (6X4 DIESEL) LABELS (WORKSITE GATOR) LABELS; LABELS ... John Deere Gator TH 6X4 User Manual This John Deere Gator XUV 825i Utility Vehicle service manual is the same service manual used by professional John Deere technicians. All pages are printable, so run off what you need & take it with you into the garage or workshop. Save money $$ by doing your own repairs!
John Deere TS 4X2 TH 6X4 Gator Suspension Parts Diagram Join the MuttonPower.com Mailing List for Special Savings! Get Latest Offers and Updates From Mutton Power Equipment. John deere gator 6x4 wiring diagram 620i fuse goticadesign harness xuv ignition for kawasaki engine 4x2 turf hpx peg perego pro schematic cx 2002 durango just 4x4 825i power steering wire kdc utility vehicle ts th 625i hood model d110 jd lx255 best fusebox 4020 box 1994 nissan sentra er switch plow diagrams manual parts i0063 i0067 nn 0776. John Deere Gator 6x4 Parts Manual $49.00. Please allow up to 2 weeks for delivery. John Deere Model 6X4 Gator Parts - GreenPartStore John Deere 6x4 Gator Parts. The John Deere 6x4 Gator was produced with standard features including 18 HP Page 11/35 John Deere 6x4 Gator Parts. The John Deere 6x4 Gator was produced with standard features including 18 HP Kawasaki engine, rack and pinion steering, and 1200 lb towing capacity. Regular Maintenance should be performed on the 6x4 Gator every 50 hours and should include Spark Plug, Air Filter, Oil Filter with 1.37 qts oil.
John Deere Model 6X4 Gator Parts - Serial number location. Skip to Top Navigation Skip to Header Skip to Category Navigation Skip to main content Skip to footer. Toggle navigation My Account My Account View Cart View Cart Search Search. Menu Links; Home; About Us; Contact Us; My Account; My Cart ; Order Online or Call Toll Free: 888-432-6319 Call Us. Follow Us; … DVPARTS Starter Ignition Switch for John Deere Gator 4x2 4x4 6x4 SR95 Military TH CS CX TS TX XUV620i XUV625i XUV825i XUV850D XUV 620i 625i 825i 850D Turf E-Gator HPX 3.0 out of 5 stars 2 $16.50 $ 16 . 50 TRAC SEATS (2 Seats) Seats for John Deere Gator TX 4X2 Turf 4X2 HPX XUV 850D, E Gator, Turf, TE Gator Turf Electric, TH Turf, 4X4 Trail, TH 6X4 Diesel - VG11696 - High Back Seats (Same Day Shipping) 4.6 out of 5 stars. 6. $224.98. John Deere manual is designed specifically for the 4X2/6X4 Gas/Diesel, Worksite, Trail and Trail Camo Edition Gator Utility Vehicle. John Deere manual is systematics information for the owners of the vehicle and which contains information for use, maintenance, and repair the model this brand. This information helps to diagnose and ...
John Deere Model 6X4 Gator Parts - GreenPartStore John Deere 6x4 Gator Parts. The John Deere 6x4 Gator was produced with standard features including 18 HP Kawasaki engine, rack and pinion steering, and 1200 lb towing capacity. Regular Maintenance should be performed on the 6x4 Gator every 50 hours and should include Spark Plug, Air Filter, Oil ...
TH6X4 wiring diagram John Deere Gator John Deere Gator Can anybody here help with a scan of the wiring diagram for a TH6X4 with the. Buy Genuine OEM John Deere parts for your John Deere 6X4 Gator (Diesel) - PC main wiring harness & switches 6x4 diesel - electrical. filter - engine 2 m r filtergator th 6x4 diesel - john deere - section 1 4x2 ts ...
John Deere Parts Diagrams, John Deere 6X4 Gator (Gas) -PC2387. Accelerator Pedal,Throttle Cable & Choke Cable: FUEL AND AIR. Air Cleaner Standard 4x2/6x4: FUEL & AIR. Air Cleaner Standard 6x4 Diesel: FUEL & AIR. Air Cleaner: Rotary Broom W/Engine 72-Inch. AIR INTAKE 4X2: FUEL & AIR.
John Deere TS 4X2 TH 6X4 Gator Steering Parts Diagram Join the MuttonPower.com Mailing List for Special Savings! Get Latest Offers and Updates From Mutton Power Equipment.
John Deere Gator 6x4 Parts Diagrams. Parts Lookup - Enter a part number or partial description to search for parts within this model. There are (19) parts used by this model. Ball Bearing. ID: 1.57" (40mm), OD: 2.68" (68mm), W: 0.59" (15mm) 12v, 9 tooth, 0.60KW, CCW rotation. DD unit w/two (2) ear mount.
TH 6x4 Diesel: Owner Information. Whether you're a long time owner or just starting out, you'll find everything you need to safely optimize, maintain and upgrade your machine here. Operator's Manual. Parts Diagram. Maintenance Parts.
John Deere 6X4 Gator 1993-2004 Some are willing to settle for basic, for the easiest thing to find, but there are others who are willing to trek further down the path for better rewards. Here you are, you passed by the four-wheelers and two-wheel drives to the promised land of the 6x4.
01.08.2016 · john deere gator parts diagram - here you are at our website. Nowadays we are pleased to announce we have discovered an incredibly interesting niche to be reviewed, that is john deere gator parts diagram. Most people trying to find details about john deere gator parts diagram and definitely one of these is you, is not
The item "NEW JOHN DEERE GATOR OEM TH 6X4 2X4 Transmission Transaxle AM881316″ is in sale since Thursday, August 27, 2020. This item is in the category "Automotive\Parts & Accessories\ATV, Side-by-Side & UTV Parts & Accessories\Brakes & Suspension\Brake Pads & Shoes".
Find parts & diagrams for your John Deere equipment. Search our parts catalog, order parts online or contact your John Deere dealer.
No information is available for this page.
John Deere AG, Lawn & Garden and CWP Equipment Parts Search. John Deere parts lookup tool and diagram is an incredible online source. It is a complete catalog that shows you detailed parts diagrams of every part of your machine. This online parts catalog is robust and easy to use. Searching for your John Deere parts online has never been easier.
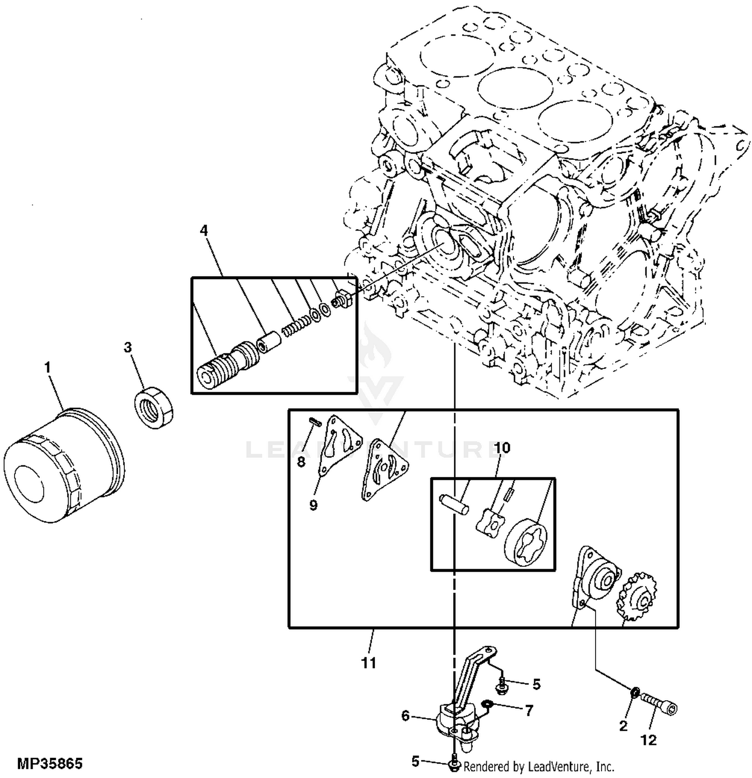
4X2/6X4 Gator™, Diesel Gator™, Worksite, Trail Gator™ and Trail Gator™ Camo Edition PC2387 (I.1) DEC-21 7 / 8 To The Customer The part numbers in this Parts Catalog were correct at the time of publication. Per John Deere policy, we continuously improve our products. Therefore, when ordering parts verify the part numbers with your dealer.
Deere Gator 6x4 Wiring Diagram Get Free Image About Wiring Diagram Rh Johnspainting Co John Deere Gator Wiring Schematic Best Deer Photos Water. Find parts for your john deere main wiring harness & switches 6x4: electrical with our free parts lookup tool! Search easy-to-use diagrams and enjoy same-day. Gator 6x4 diesel wire diagram john deere ...
Acces PDF John Deere Gator 6x4 Parts Manual John Deere Gator 6x4 Parts Manual As recognized, adventure as without difficulty as experience more or less lesson, amusement, as well as harmony can be gotten by just checking out a books john deere gator 6x4 parts manual after that it is not directly done, you could allow even more on this life, in the region of the world.
John Deere Gator Utility Vehicle Te Tm2339 Technical Manual. Many good image inspirations on our internet are the very best image selection for. Pin On Wiring Diagram Assortment of john deere gator tx wiring diagram. John deere gator wiring diagram. Regulator Is A Self Contained Unit And Is Not Repairable. It shows the parts of […]
Parts Catalog - UTILITY VEHICLE John Deere 6X4 - UTILITY VEHICLE - 4X2, 6X4 Gators, Diesel Gator, Trail Gator, Worksite Gator Parts Catalog Parts Catalog | 777parts
08.08.2020 · I went on the Green Farm Parts site but I cannot find the parts diagram for a 6X4 1998 Gas VIN W006X4X035515 I see it for a Diesel am i missing something help . Save Share. Reply. Bradhill · Administrator. Joined Aug 18, 2015 · 4,052 Posts #4 · Aug 1, 2020. helfriwj said: I went on the Green Farm Parts site but I cannot find the parts diagram for a 6X4 1998 Gas …
0 Response to "39 john deere gator 6x4 parts diagram"
Post a Comment