39 honda accord cooling system diagram
Honda Diagrams, Schematics and Service Manuals - download for free! Including: honda goldwing clarion type ii cb intercom cassette installation manual, honda goldwing clarion type ii radio installation manual, honda goldwing clarion type ii radio operating manual, honda goldwing clarion type i radio installation manual, honda goldwing common tool manual 1979, honda goldwing gl1000 1975 to 1977 ... Equip cars, trucks & SUVs with 2006 Honda Accord Radiator and Heater Hoses from AutoZone. Get Yours Today! We have the best products at the right price.
1995 honda accord ex auxiliary cooling fan not engaging The accy fan you are refurring to is actually the a/c consensor fan.The only time that fan operates is with the cycling of the a/c system.Verify by turning a/c on ,fan should come on & off with a/c cycles..

Honda accord cooling system diagram
Or you are a student or perhaps even you who just need to know about honda accord cooling system diagram. 2000 honda accord serpentine belt diagrams great installation of 2000 honda accord serpentine belt routing and timing belt 2008 honda accord serpentine belt diagram 2000. Have 92 honda civic 15l have to change waterpump any tips. 1996 HONDA ACCORD. 4 CYL. FWD. AUTOMATIC. 145,000 MILES. Last weekend, I put in about 900 miles and had all kinds of problems including the coolant boiling after the uphill climb to Crater Lake. I was loaded with 4 people and camping stuff. The overflow tank spilled and there were some leaks from the radiator cap too. 97 honda accord 4 door cooling system diagrams. What is up back of the starter that can be leaking? 1997 Honda Accord; Open Questions: 0 answers. 3 barrel keihin carburetor mixture screw location Where is the mixture screw on a 3 barrel keihin carburetor? Read full answer.
Honda accord cooling system diagram. Products 1 - 30 of 2143 — Categories. Radiators; Radiator Caps; Radiator Fans; Water Pumps; Coolant Overflow Tanks; Hoses & Clamps; Thermostats; Thermostat ... Description : Wiring Diagram 2011 Honda Accord Navigation - Wiring Diagram 2011 within 2005 Honda Accord Wiring Diagram, image size 487 X 630 px, and to view image details please click the image. Here is a picture gallery about 2005 Honda Accord Wiring Diagram complete with the description of the image, please find the image you need. 2006 Honda Accord EX 6-6 Sedan Tafetta White 194K miles. DIY coroplast undertray, hybrid rear diffuser, Odyssey intake spacer milled down to 1.3", Power steering delete "Contrary to popular belief, the cause of most oil leaks is not the oil but the leaks." - emeron Honda Accord Sport. Moteur Honda Civic. Diesel Trucks. Toyota. Honda Passport. Car Chevrolet. Chevy. ... 2001 Honda Civic Engine Diagram 03 charts,free diagram images 2001 honda civic engine diagram car parts download. ... Cooling System. Honda Accord. Dream Cars. Tutu. 1992 Honda Civic Engine Diagram.
Honda Accord, as a series of vehicles, has been produced by the renowned Japanese automobile manufacturer Honda Motor Co., Ltd. since 1976. When the first Honda Accord was released in 1976 to Japanese market, it was a 3-door hatchback to replace the Honda 1300. Honda Accord L4-2.4L - Cooling System Flush - Oakland, California Lavell went above and beyond. He called me ahead of time while he was picking up parts for my 100,000 mile service to make sure we got my spark plugs changed. 5. Remove the A/C compressor without disconnecting the A/C hoses. Take care not to bend the hose excessively (see step 50 on page 5- ... Cooling System 2. Turn the radiator cap counter-clockwise, without pressing down on it, until it stops. This relieves any pressure re-maining in the cooling system. 3. Remove the radiator cap by pushing down and turning counterclockwise. RESERVE TANK 4. The coolant level should be up to the base of the filler neck. Add coolant if it is low. 5.
Cooling Fans & Wiring DiagramAmazon Printed Bookshttps://www.createspace.com/3623931Amazon Kindle Editionhttp://www.amazon.com/Automotive-Electronic-Diagnost... Honda Accord 2008, Engine Cooling Fan Assembly by gpd®. The fan assembly is an important part of the engine and A/C cooling systems. The fan assembly pushes/pulls air across the radiator and condenser to help remove heat. A failing fan... You might be a professional who wishes to try to find references or fix existing issues. Or you are a student, or perhaps even you who just need to know about Honda Accord Cooling System Diagram. 2000 Honda Civic Lx Engine Diagram Hoses. 2000. Engine Problems, size: 800 x 600 px, source: repairguide.autozone.com. 7TH GENERATION HONDA ACCORD (2003-2007) 7G HONDA ACCORD PERFORMANCE DISCUSSION. Cooling System Diagram? Jump to Latest Follow 1 - 13 of 13 Posts. B ... Does anyone have an electrical diagram or layout of the cooling system. I noticed that both my fans come on when the a/c is on...but I don't think they come on when the a/c is off and the engine ...
Step 3 - Test the radiator fan. The radiator fan itself may be faulty. If so, a replacement fan costs upwards of $45. Here is how to test if the fan is functioning properly: Unplug the radiator fan connector. Run jumper wires between the connector's two electrical terminals. See Contact Test in Step 1.
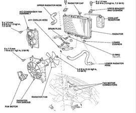
This simplified radiator and condensor fan motor system wiring diagram applies to the 1994, 1995, 1996, and 1997 2.2L Honda Accord (DX, EX, and LX). This typical circuit diagram includes the following circuits: radiator fan motor, radiator fan relay, radiator fan control relay, condensor fan motor, condensor fan relay, A/C thermostat.
Sep 21, 2012 — Attached is a photo of a leaking coolant hose (in middle spraying coolant) ... according to the cooling system diagram there is a metal tube ...
Your Honda Cooling System's Purpose. Fluid circulates throughout your engine, then passes through your radiator. As it goes through the engine, it absorbs the heat created from the engine's internal components. It carries the hot coolant out of the engine and through the radiator. Air passes through the fins on the radiator, wicking away ...
Some HONDA Accord Wiring Diagrams are above the page.. Honda Accord cars are available in two body versions: 2-door Coupe and 4-door Sedan.. The 4-cylinder inline or 6-cylinder V-shaped (V-6) gasoline engines used to complete the models in question are installed transversely in front of the car and equipped with an electronic fuel injection system.
Buy a 2002 Honda Accord Radiator at discount prices. Choose top quality brands APDI, API, Action Crash, CSF, DIY Solutions, Denso, GPD, Koyo Cooling, Metrix, OSC ...
Description: 100+ Ideas Honda Accord Parts Diagram On Grifonisw in 2005 Honda Accord Parts Diagram, image size 972 X 485 px, and to view image details please click the image.. Honestly, we also have been noticed that 2005 honda accord parts diagram is being one of the most popular issue right now. So we attempted to locate some great 2005 honda accord parts diagram graphic for your needs.
Fuse box diagram (fuse layout), location, and assignment of fuses and relays Honda Accord Mk5 (CD) DX, EX, LX & EX-R (1994, 1995, 1996, 1997).
I believe the count was fifteen hoses. The hardest part was removing the old .31 inch hoses due to difficult access of the spring clamps on each one of thos...
The 1997 Honda Accord has 2 NHTSA complaints for the engine and engine cooling:cooling system at 37,878 miles average.
Results 1 - 20 of 95 — Shop wholesale-priced OEM Honda Accord Cooling Hoses at HondaPartsNow.com. All fit 1976-2021 Honda Accord and more.
Honda Accord The Honda Accord is a series of compact cars manufactured by the automakers Honda since 1976. The most popular variant of the Accord is the four door sedan which has been one of the highest selling vehicles in USA since 1989.The different variants of vehicles which were under this line ranged from wagons, a crossover, coupes and hatchbacks.
HONDA: 2008: ACCORD: 3.5L V6: Cooling System: Coolant / Antifreeze: Coolant Pipe O-Ring: Coolant Reservoir: Coolant Reservoir Cap: Coolant Water Crossover Mounting Set: Cooling Fan Control Module: Cooling Fan Controller: Cooling System Tester Adapter: Radiator: Radiator Cap: Radiator Drain Petcock: Radiator Fan Assembly:
To discover exactly which parts you require use the on-line schematic exploded diagram - it will even give you some idea of where and how to fit those new parts. With these ACCORD 2004 (4) 4DR LX V6 (KA,KL) partsfiches you have access to three thousand seven hundred thirty-six spares.
Apr 7, 2017 — Honda Accord (1990 - 2002) - cooling system diagram needed, have a leaking hose - My problem is there is a hose leaking literally split in half going to the ...F22B2: Coolant system diagram? - Honda-TechMar 3, 2014Coolant flow direction, 1996 Honda Accord?Jan 19, 2019cb7 coolant diagram please - Honda-TechApr 8, 2017Accord '93 Cooling System - Honda-TechApr 6, 2017More results from honda-tech.com
Download DOWNLOAD 2008-2009 Honda Accord SERVICE MANUAL K24 i-VTEC. Contents of this 2008 08′ 2009 09′ Honda Accord/Coupe 2.4 Liter iVTEC K24 (K-24) Service and Repair Manual: This instant eBook contains fully detailed step-by-step repair procedures with hundreds of quality photos and illustrations to guide you through any repair, maintenance, overhaul, service specifications or ...
Honda Accord: How to Flush Your Radiator. Paying a mechanic to drain, flush, and fill your radiator is a waste of money. You don't need special tools, the coolant and flush is easy to find and inexpensive, and you can do it in less time than your favorite hour-long television program.
Dec 10, 2011 — The only thing I found close was Honda PN #19510-R40-A50 HEATER PIPE. Accord 2010 2dr EX; on the Water Hose L4 page. It is view #4 in the top ...
97 honda accord 4 door cooling system diagrams. What is up back of the starter that can be leaking? 1997 Honda Accord; Open Questions: 0 answers. 3 barrel keihin carburetor mixture screw location Where is the mixture screw on a 3 barrel keihin carburetor? Read full answer.
1996 HONDA ACCORD. 4 CYL. FWD. AUTOMATIC. 145,000 MILES. Last weekend, I put in about 900 miles and had all kinds of problems including the coolant boiling after the uphill climb to Crater Lake. I was loaded with 4 people and camping stuff. The overflow tank spilled and there were some leaks from the radiator cap too.
Or you are a student or perhaps even you who just need to know about honda accord cooling system diagram. 2000 honda accord serpentine belt diagrams great installation of 2000 honda accord serpentine belt routing and timing belt 2008 honda accord serpentine belt diagram 2000. Have 92 honda civic 15l have to change waterpump any tips.
0 Response to "39 honda accord cooling system diagram"
Post a Comment