Iklan 300x250

37 jeep wrangler brake line diagram

OEM Steering & Brake Parts Diagrams. We carry an extensive inventory of Jeep steering & brake parts including master cylinder, steering hose, steering pumps & brake parts. You never have to worry about finding the right part with our exploded parts views and replacement parts diagrams. 2007-2017 Wrangler JK Replacement Steering & Brake Parts. Line diagram jeep jeeps. Classic tube pre formed stainless steel brake line kit for 97 06 jeep wrangler tj with dana 35 rear axle drum brakes without abs. Autozone carries hundreds of thousands of parts and accessories. Wiring A Trailer Brake Schematic Diagram. 2002 Jeep Rear Abs Wiring Diagram 15 2 Kenmo Lp De.

JEEP WRANGLER Brake Lines, Sets. Filter by Availability Filter Results JEEP WRANGLER Individual Parts; Part Groups; Results 1 - 14 of 14 25 Records Per Page Default Sort . Dorman 919-237 - Dorman Stainless Steel Hydraulic Brake Line Kits ...

Jeep wrangler brake line diagram

Jeep wrangler brake line diagram

Modified JK Tech - Brake Line Routing - I recently installed a 3 TF lift, including new brake lines. I routed the brake line between the shock and spring, ... Brake Line Routing. Have a 1988 YJ, gonna replace blown brake lines with stainless. The steel brake lines that are in there seem wrong. Specifically, the brake line that goes from the proportioning valve to the passenger side front disk brake. It is running out the front of the jeep in front of the grill from driver to passenger side. SOURCE: Stock 1995 Jeep Wrangler stereo wiring harness missing/cut off. 1995 Jeep Wrangler Car Stereo Radio Wiring Diagram. Car Radio Constant 12V+ Wire: Red/White. Car Radio Switched 12V+ Wire: Purple/White. Car Radio Ground Wire: Black. Car Radio Illumination Wire: Blue/Red. Car Radio Dimmer Wire: Red/Black. Car Radio Antenna Trigger Wire: N/A.

Jeep wrangler brake line diagram. Jeep Wrangler 1993, Brake Line Extensions and Couplers by Rubicon Express®. An easy and cost effective way to add 6" of length to your factory brake lines. Kit includes new front hard line extensions, couplers and hardware to fasten... If you're a JL Wrangler owner chances are you'll need the factory wiring diagrams or electrical schematics of your Jeep at some point — and we're here to help with that. Inside you'll find over 90 wiring diagrams for the 2018+ Jeep Wrangler JL — from the audio system, lamp assemblies, transmissions to engine wiring and more, you can ... Jeep TJ Full Brake Line Kit - http://amzn.to/1SlPlbC ..... Jeep TJ Master Cylinder - http://amzn.to/1NCpuKkFirst Ethan and I did our best to avoid t... Part #: 5016434AA. Brake Rotor. $65.99. Crown. Fits: 1987-1995 Jeep Wrangler YJ; 1 piece cast type. 1997-2006 Jeep Wrangler TJ; 1 piece cast type. 1990-2001 Jeep Cherokee XJ; 1 piece cast typ. 1993-1998 Jeep Grand Cherokee ZJ; 1 piece cast type.

FREE Shipping. (3) Rough Country Front and Rear Stainless Steel Brake Lines for 4 to 6-Inch Lift. (87-06 Jeep Wrangler YJ & TJ) $ 89.95. FREE Shipping. (31) Rough Country Front Stainless Steel Brakelines for 4 to 6-Inch Lift. Jeep Wrangler Brake Lines and Hoses. What are you working on today? Shop for your specific vehicle to find parts that fit. Add a Vehicle. Most Popular Parts. Jeep Wrangler Brake Hose. Jeep Wrangler Brake Line. Jeep Wrangler Brake Hose Locking Clip. Jeep Wrangler Pin Boot Kit - Front. Diagram Part #48. Part #: 4762121. Brake Adjuster Plug for 2003-2006 Jeep Wrangler TJ. $0.99. Crown. Fits: 2003-2006 TJ Wrangler w/ Rear Disc. 2003-2007 KJ Liberty. 2005-2010 WK Grand Cherokee, WH (Europe) Grand Cherokee. Jeep TJ Brake Lines & Hoses for Wrangler (1997-2006) Modern braking systems do not rely entirely on mechanical parts and components to stop your vehicle. Most rely on hydraulics, which utilizes fluid transfer to create the pressure needed to control the brake calipers that clamp the rotors that stop the moving wheels.

Jeep Wrangler brake parts, TJ rear brakes and brake lines are among the many essential pieces we keep in inventory at 4wheelparts.com. Top parts makers such as Crown Automotive, OMIX-ADA, SSBC, G2 Axle and Gear and RT Off-Road are among the trusted names we feature at 4 Wheel Parts. Rough Country Front & Rear Stainless Steel Brake Lines for 84-06 Jeep Wrangler YJ, TJ, & Cherokee XJ. $89.95. 5. (5) OMIX Brake Line Set for 87-95 Jeep Wrangler YJ. $124.99. 4.5625. (16) Crown Automotive Stainless Steel Brake Hose Kit for 87-06 Jeep Wrangler YJ & TJ; 84-01 Cherokee XJ and 93-98 Grand Cherokee ZJ. Direct replacement for a proper fit every time Durable metal construction. $115.95. Omix-ADA® Full Brake Line Set. 0. # mpn1229111. Jeep Wrangler 1992, Full Brake Line Set by Omix-ADA®. Designed utilizing the latest technology, this product by Omix-ADA features premium quality and will perform better than advertised. JEEP WRANGLER BRAKES GT REAR BRAKE LINES AND HOSES DISC. BRAKE LINE DIAGRAM JEEPFORUM COM. JEEP. BRAKE LINES AMP CABLES QUADRATEC. JEEP WRANGLER PARKING ...

2002 Jeep Wrangler Frame - Mopar Parts Giant

2002 Jeep Wrangler Frame - Mopar Parts Giant

MoparPartsGiant.com offers the wholesale prices for genuine 1994 Jeep Wrangler parts.Parts like . Brake Lines & Hoses (Rear) are shipped directly from authorized Mopar dealers and backed by the manufacturer's warranty.. Parts fit for the following vehicle options. Engine: 4 Cyl 2.5L, 6 Cyl 4.0L. Transmission: 3-Speed Automatic Transmission, 5-Speed Manual Transmission.

1997 Jeep Wrangler Hose. Brake. Rear, axle, brakes ...

1997 Jeep Wrangler Hose. Brake. Rear, axle, brakes ...

Sep 3, 2019 — Almost all vehicles come from the factory with flexible rubber brake lines that go from the metal line on the frame to the brake caliper on ...

Brake Line Routing

Brake Line Routing

Diagram of OEM Brake Lines and Hoses,Front,LHD,With ABS. Contains 5 parts priced between $0.28 and $15.03. Fits Jeep Wrangler.

Jeep Wrangler Tail Light Wiring Diagram Pictures - Wiring ...

Jeep Wrangler Tail Light Wiring Diagram Pictures - Wiring ...

MoparPartsGiant.com offers the wholesale prices for genuine 2005 Jeep Wrangler parts.Parts like . Brake Lines & Hoses, Rear are shipped directly from authorized Mopar dealers and backed by the manufacturer's warranty.. Parts fit for the following vehicle options. Engine: 4 Cyl 2.4L, 6 Cyl 4.0L. Transmission: 4-Speed Automatic Transmission, 6-Speed Manual Transmission.

Jeep Wrangler TJ |Jeep Brake Parts & More | Jeep wrangler ...

Jeep Wrangler TJ |Jeep Brake Parts & More | Jeep wrangler ...

Description : Jeep Wrangler Engine 2.5 L 4-Cylinder | 87-95' Yj Wrangler Parts with 2000 Jeep Wrangler Parts Diagram, image size 630 X 863 px, and to view image details please click the image. Here is a picture gallery about 2000 jeep wrangler parts diagram complete with the description of the image, please find the image you need.

brake line routing - Jeep Cherokee Forum

brake line routing - Jeep Cherokee Forum

I'm going to talk about lifting your vehicle with stock brake lines where you can move them to allow for the extra lift and protect them from the sway bar, a...

Jeep Cherokee Drum Brake Diagram - Wiring Diagram Database

Jeep Cherokee Drum Brake Diagram - Wiring Diagram Database

I am in the process of a frame up rebuild of a 78 CJ5. All my brake lines and gas lines were fried off the donor car so i have no idea which way to route the lines (bends, curves, etc in the brake lines especially). I am bending/flaring my own lines due to cost, so i was wondering if any had a diagram/layout of a Cj5's line routing.

2001 Jeep Wrangler Rear Drum Brakes - Mopar Parts Giant

2001 Jeep Wrangler Rear Drum Brakes - Mopar Parts Giant

98 TJ Sport. The brake line to the front right caliper goes from the master cylinder to the front bumper, along the inside edge of the bumper, then back to the caliper. I bought a 25' coil of tubing and am considering going from the master cylinder back to the firewall, above the transmission and behind the head, to the front right caliper.

35 Jeep Wrangler Brake Line Diagram - Wiring Diagram List

35 Jeep Wrangler Brake Line Diagram - Wiring Diagram List

Rough Country Front Stainless Steel Brake Lines for 84-06 Jeep Wrangler YJ, TJ, & Cherokee XJ. $59.95. 2. (1) Crown Automotive Full Brake Line Set for 97-06 Jeep Wrangler TJ with Drum Brakes. $164.99 $166.99. More choices available. Teraflex 42" Emergency Brake Cable for 97-06 Jeep Cherokee XJ & Wrangler TJ with TeraFlex Rear Disc Brake Kit ...

35 Jeep Wrangler Brake Line Diagram - Wiring Diagram List

35 Jeep Wrangler Brake Line Diagram - Wiring Diagram List

Routing of the fuel and brake lines on 1985 Jeep CJ7. Routing of the fuel and brake lines on 1985 Jeep CJ7.

Classic Tube JE1043 Pre-Formed Stainless Steel Brake Line ...

Classic Tube JE1043 Pre-Formed Stainless Steel Brake Line ...

Make: Jeep Model: CJ7 Price: $179.00 1980 will be different part number because your frame mount for the rear brake line is different. They won't have anything for rear disc brakes as that is not factory OEM. Brake line arcing over the rear AMC20 axle is correct. .

rear drum headache - Jeep Cherokee Forum

rear drum headache - Jeep Cherokee Forum

Bernie Pawlik, Pawlik Automotive Vancouver, BChttp://pawlikautomotive.com (604) 327-7112Most popular uploadhttps://goo.gl/DTS9wQChannel Page Linkhttps://goo...

Jeep Wrangler Emergency Brake Diagram - General Wiring Diagram

Jeep Wrangler Emergency Brake Diagram - General Wiring Diagram

Brake Line Kit, Full, Disc Brakes, Steel; 87-95 Jeep Wrangler YJ SKU: 16737.50. Price $145.44. 1 Review(s) Full Brake Line Set, With Disc, Steel, 1987-1995 Wrangler. Brake Line Kit, Front; 46-53 Willys, for Dana 25 ... This frame brake line set from Omix fits 1956-1964 Jeep CJ3B. Brake Line Kit, Frame; 45-47 Willys CJ-2A SKU: 16737.09. Price ...

How Are You Routing Your Front Brake Lines? - JKowners.com ...

How Are You Routing Your Front Brake Lines? - JKowners.com ...

Joined Jul 9, 2015. ·. 2 Posts. Discussion Starter · #1 · Jul 9, 2015. Only show this user. I've got a 2001 TJ Sport with ABS. I need to replace my brake lines. I have the OEM Jeep shop manual but it does not have a diagram. Anyone know where I can find one?

52008640 - Genuine Jeep LINE-BRAKE

52008640 - Genuine Jeep LINE-BRAKE

Diagram Part #2. Part #: 52060137AB. Brake Rotor. $55.99. Crown. Fits: 2007-2017 Jeep Wrangler JK w/ Dana 30 or 44 Front Axle; w/o Heavy Duty Brakes; 11.89" diameter rotor; Front. 2007-2017 Jeep Wrangler Unlimited JK w/ Dana 30 or 44 Front Axle; w/o Heavy Duty Brakes; 11.89" diameter rotor; Front. Availability:

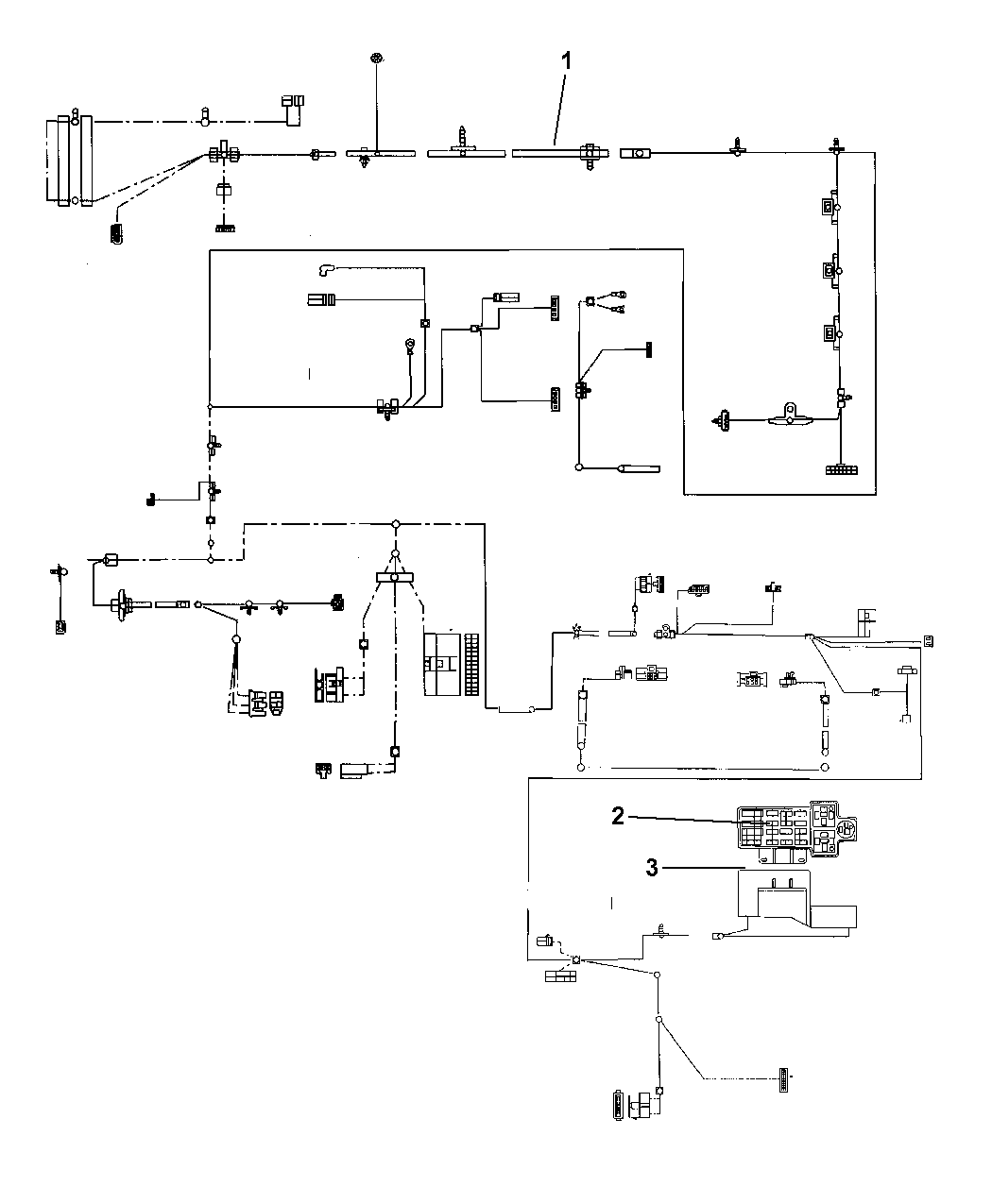
Brake Diagram for Jeep Wrangler TJ (Continued)

Brake Diagram for Jeep Wrangler TJ (Continued)

SOURCE: Stock 1995 Jeep Wrangler stereo wiring harness missing/cut off. 1995 Jeep Wrangler Car Stereo Radio Wiring Diagram. Car Radio Constant 12V+ Wire: Red/White. Car Radio Switched 12V+ Wire: Purple/White. Car Radio Ground Wire: Black. Car Radio Illumination Wire: Blue/Red. Car Radio Dimmer Wire: Red/Black. Car Radio Antenna Trigger Wire: N/A.

26 Jeep Wrangler Emergency Brake Diagram - Worksheet Cloud

26 Jeep Wrangler Emergency Brake Diagram - Worksheet Cloud

Brake Line Routing. Have a 1988 YJ, gonna replace blown brake lines with stainless. The steel brake lines that are in there seem wrong. Specifically, the brake line that goes from the proportioning valve to the passenger side front disk brake. It is running out the front of the jeep in front of the grill from driver to passenger side.

2001 Jeep Wrangler Clip. Mounting. Five way fastener ...

2001 Jeep Wrangler Clip. Mounting. Five way fastener ...

Modified JK Tech - Brake Line Routing - I recently installed a 3 TF lift, including new brake lines. I routed the brake line between the shock and spring, ...

2008 Jeep Wrangler Clip. Brake line, brake tube. Mounting ...

2008 Jeep Wrangler Clip. Brake line, brake tube. Mounting ...

Jeep JK Wrangler Rear Brake Parts Diagram | Wrangler jk ...

Jeep JK Wrangler Rear Brake Parts Diagram | Wrangler jk ...

2000 Jeep Wrangler Rear Drum Brake Diagram - Free Diagram ...

2000 Jeep Wrangler Rear Drum Brake Diagram - Free Diagram ...

Exploring Chelsea Market in New York

Exploring Chelsea Market in New York

52009527 - Genuine Mopar CABLE-PARKING BRAKE CABLE

52009527 - Genuine Mopar CABLE-PARKING BRAKE CABLE

OMIX 16737.50 Brake Line Set for 87-95 Jeep Wrangler YJ ...

OMIX 16737.50 Brake Line Set for 87-95 Jeep Wrangler YJ ...

Jeep Wrangler Brake Proportioning Valve. PRESSURE METERING ...

Jeep Wrangler Brake Proportioning Valve. PRESSURE METERING ...

1999 Jeep grand cherokee brake line

1999 Jeep grand cherokee brake line

Best 1997 Jeep Wrangler Fuse Box Diagram | Jeep ...

Best 1997 Jeep Wrangler Fuse Box Diagram | Jeep ...

Jeep Wrangler JK Brake Extension Brackets | jeepfan.com

Jeep Wrangler JK Brake Extension Brackets | jeepfan.com

New York Street Art

New York Street Art

52008442AC - Genuine Mopar LINE-BRAKE

52008442AC - Genuine Mopar LINE-BRAKE

52060204AM - Genuine Mopar CABLE-PARKING BRAKE

52060204AM - Genuine Mopar CABLE-PARKING BRAKE

Girl in High Line

Girl in High Line

Chelsea high line

Chelsea high line

| Repair Guides | Anti-lock Brake System | Combination ...

| Repair Guides | Anti-lock Brake System | Combination ...

Pin on house decorating

Pin on house decorating

520 W 28th Street apartments seen from the High Line

520 W 28th Street apartments seen from the High Line

Sitting in LA

Sitting in LA

0 Response to "37 jeep wrangler brake line diagram"

Post a Comment

Iklan Atas Artikel

Iklan Tengah Artikel 1

Iklan Tengah Artikel 2

Iklan Bawah Artikel