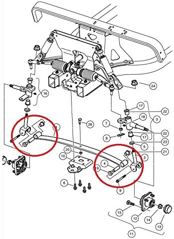
41 club car front end parts diagram
Golf Car Catalog has an immense selection of steering and front suspension parts for Club Car DS and Precedent model golf carts, many of their utility vehicles, and personnel carriers. This large section includes everything below your steering wheel down through the column, and all of the steering and suspension components under your golf cart ... Replacement parts and accessories can be obtained from our network of authorized dealers and distributors. You can obtain the name and phone number of your closest authorized Club Car dealer or distributor by visiting our web site at www.clubcar.com and clicking on the " Distributor Search" link or by calling our toll-free Service Parts and
Golf Car Catalog offers spindles, spindle bushings, king pins and associated parts for many Club Car golf cart models, as well as utility vehicles and personnel carriers. Club car has a unique set-up on their front suspension compared to other golf cart manufacturers.

Club car front end parts diagram
HOW TO ORDER PARTS Replacement parts and accessories can be obtained from our network of authorized dealers and distributors. You can obtain the name and phone number of your closest authorized Club Car dealer or distributor by visiting our web site at www.clubcar.com and clicking on the "Distributor Search" link or by calling our toll-free Club car front end parts diagram. Home club car ds front end repair kit fits 1993 up club car ds front end repair kit fits 1993 up on sale limited time. Front suspension parts for club car ds xrt carryall and precedent golf cart models. Club car precedent rear leaf spring lock nut bolt fits 2004 up item. Can i get a diagram of the front end parts. Club Car DS Golf Cart Rear Top Strut (Struts for OEM Roof Tops) $199.95. $72.95. Choose Options. Club Car DS Golf Cart Front Top Strut (Struts for Roof Tops) $349.95. $171.95. Choose Options. FITS.
Club car front end parts diagram. Club Car Parts. CartParts.com is your source in finding the correct replacement parts for your Club Car golf cart. We carry an extensive inventory of parts that meet or exceed OEM quality standards. Most of our Club Car parts come with a 1 year manufacturer defect warranty. We carry parts for Club Car Precedent, DS and Carryall. Replacement parts and accessories can be obtained from our network of authorized dealers and distributors. You can obtain the name and phone number of your closest authorized Club Car dealer or distributor by visiting our web site at www.clubcar.com and clicking on the " Distributor Search" link or by calling our toll-free Service Parts and / Front Suspension - Upper. Front Suspension - Upper. Front Suspension - Upper. Front Suspension - Upper. Front Suspension - Upper. Item Price Qty Required Diagram ID; 102287101 - ASSEMBLY - FRONT STRUCTURE . $151.45. 1. 1. AM1244201 - PREC HVY DUTY CONTROL ARM KIT . ... Your Source for Club Car Golf Cart Parts | Largest Selection Available ... Doing front end golf cart repairs means that you'll need access to a number of excellent club car golf cart parts for your Model DS, Precedent Electric, or gasoline golf cart. Blockbuster Golf Cars, Inc., offers golf cart suspension parts, front hubs with bearings, front wheel seals, and lug bolts, as well as spindle dust covers, and eccentric adjustment screws for your needs.
Repair Kit, Front End, Club Car Precedent 04+. SKU: SPN-0057. $169.95. $146.95. Add to Cart. Club Car Precedent Stainless Steering Column Cover (Years 2004-Up) SKU: 29091. in specifications will be forwarded to all Club Car and Carryall distributors/dealers and will, when applicable, appear in future editions of this illustrated parts list. Club Car, Inc. reserves the right to change specifications and designs at any time without notice and without the obligation of making changes to units previously sold. Creation date. Nov 1, 2020. Tags. club car front suspension diagram. Overview Discussion. Club Car DS Front Suspension Parts Diagrams - Front Suspension Parts Diagrams for Mid 90's Club Car DS Models. [ATTACH type="full"... You do not have permission to view the full content of this resource. Log in or register now. Wiring Diagram for Club Car Electric Golf Cart Inspirationa Diagram Likewise Club Car Golf Cart Wiring. We collect plenty of pictures about Club Car Parts Diagram Front End. and finally we upload it on our website. Many good image inspirations on our internet are the very best image selection for Club Car Parts Diagram Front End. .
Home > Manuals > Club Car Illustrated Parts List: TP0019 IPL, XRT 550 Gasoline Vehicle: IPL English TP0012 IPL, 1970-1973 Caroche Golf Car (Electric Vehicles) IPL English 8958 1976-1980 Caroche Golf Car (Electric Vehicles) IPL English 8239 IPL, 1975 Club Car Golf Car (Electric Vehicles) IPL English 7878 ... 48-Volt Club Car Powerdrive 3 Charger Relay Board Assembly (Fits 1996-Up) Sale! Regularly $92.99. Now: $78.99. 48-Volt Club Car Powerdrive 3 Electric Charger Button Diode Assembly (Fits 1996-Up) Sale! Regularly $83.99. Now: $70.99. 48-Volt Club Car Powerdrive 80" AC Charger Cord Set (Fits 1996-Up) Cart Parts is your source in finding the correct replacement Suspension parts for your Club Car golf cart. We carry an extensive inventory of parts that meet or exceed OEM quality standards. Most of our Club Car parts come with a 1 year manufacturer defect warranty. We carry parts for Club Car Precedent, DS, Carryall, Turf, XRT, and various ... CLUB CAR DS FRONT END REPAIR KIT (93-UP) 6915 CLUB CAR DS FRONT END REPAIR KIT (93-UP) $144.95 $99.65.
Description : Xj Cherokee Replacement Suspension - 4 Wheel Parts in Front End Suspension Parts Diagram, image size 630 X 590 px. Description : Front Suspension - Lower - Club Car Parts & Accessories with regard to Front End Suspension Parts Diagram, image size 580 X 770 px. Description : 70-78 Front Suspension Parts Diagram throughout ...
10L0L Bushing and Sleeve Kit for Club Car DS and EZGO TXT 1994-UP, Golf Cart Front or Rear Leaf Spring & Front Upper A Arm Suspension fit Club Car DS Models Gas & Electric 1981 + UP. 4.7 out of 5 stars. 537.
Club Car Precedent Front Structure Assembly (Fits 2004-Up) $148.99 More Information. Passenger - Club Car DS Spindle Assembly (Fits 2004-Up) $118.99 More Information. Bearing Race Cup (Fits Select Club Car and E-Z-GO Models) $7.99 More Information. (1) Each- 3/ 8-16 HEX LOCKNUT. $1.99 More Information. Club Car DS Front Spring Retainer Plate ...
PARTS AND SERVICE. When you purchase a Club Car vehicle, you're not just buying a product. You're buying years of history, research, and product innovation. That's why it's important to remember every Club Car vehicle is the sum of its quality parts. Keeping your Club Car in top condition year after year is a wise investment!
10L0L Complete Front End King Pin Joints Repair Kit for Club Car Precedent 2004-up Gas/Electric Golf Cart, OEM# 102287201 103638601 103638801. 4.3 out of 5 stars. 14.
Club Car, E-Z-GO pre 1983, Cushman, Melex, Legend, Noland, Nordskog, Westinghouse, Pargo, Taylor Dunn, Karrior, Hyundai, and Yamaha with 36 volt systems and Crows Foot receptacle DC Charger Cord with Moulded Plastic Yellow Housing with retractable Crowfoot Angled Blades for Lester Charger used on Club Car, Columbia Par Car, E-Z-GO, Cushman, Melex,
Club Car Parts Manuals 1976-1980 (Caroche) 1981-84 DS (Electric) 1984-1985 DS Golf Car (Electric Vehicles) 1985-91 DS (Gas) 1988-91 Carryall (Gas)
Club car front spring mounting plate fits select ds and xrt models item. Front suspension lower. Blockbuster golf cars inc offers golf cart suspension parts front hubs with bearings front wheel seals and lug bolts as well as spindle dust covers and eccentric adjustment screws for your needs. Your source for club car golf cart parts largest.
Replacement parts and accessories can be obtained from our network of authorized dealers and distributors. You can obtain the name and phone number of your closest authorized Club Car dealer or distributor by visiting our web site at www.clubcar.com and clicking on the " Distributor Search" link or by calling our toll-free Service Parts and
/ Front Suspension - Lower. Front Suspension - Lower. Front Suspension - Lower. Front Suspension - Lower. Front Suspension - Lower. Item Price Qty Required Diagram ID; 103777201 - SPINDLE ASSEMBLY L.H. (2000-2003) $265.61. 1. 1. 102354203 - ASM- SPINDLE- LH (2004 - 2013) ... Your Source for Club Car Golf Cart Parts | Largest Selection Available ...
Buggies Unlimited carries OEM or aftermarket replacement suspension parts that have been specially developed to meet or exceed the manufacturer's original equipment specifications. We stock Club Car front suspension and rear suspension, including shocks and leaf springs, as well as bushings, king pins, spindles, and more.
Club Car DS Golf Cart Rear Top Strut (Struts for OEM Roof Tops) $199.95. $72.95. Choose Options. Club Car DS Golf Cart Front Top Strut (Struts for Roof Tops) $349.95. $171.95. Choose Options. FITS.
Club car front end parts diagram. Home club car ds front end repair kit fits 1993 up club car ds front end repair kit fits 1993 up on sale limited time. Front suspension parts for club car ds xrt carryall and precedent golf cart models. Club car precedent rear leaf spring lock nut bolt fits 2004 up item. Can i get a diagram of the front end parts.
HOW TO ORDER PARTS Replacement parts and accessories can be obtained from our network of authorized dealers and distributors. You can obtain the name and phone number of your closest authorized Club Car dealer or distributor by visiting our web site at www.clubcar.com and clicking on the "Distributor Search" link or by calling our toll-free
0 Response to "41 club car front end parts diagram"
Post a Comment