40 wiring diagram for troy bilt riding mower
Sep 13, 2018 · This is how you remove and change the deck belt on your Troy-Bilt riding lawn mower. Always be sure to check your owner's manual for detailed instructions on. 13WX78KS drive belts diagram. Troy-Bilt Bronco, Belt broke and I don't know how to route around the pulleys. - Toro Power Lawn. Toro repair parts and parts diagrams for ... Troy Bilt 13WN77KS011 Pony (2013) Wiring Schematic Exploded View parts lookup by model. Complete exploded views of all the major manufacturers.
Riding mower, Craftsman riding lawn mower, Riding lawn mowers ...

Wiring diagram for troy bilt riding mower
Regular maintenance and replacement of your MTD snow blower parts will keep you ready all winter long. MTD Parts carries snow blower parts for Troy-Bilt, Yard Machine s, Craftsman, Yard-Man, Remington, Bolens and many more. Browse our wide selection of snow blower parts. Learn how to change the blades on a zero turn mower or a riding mower. We ... 30/10/2017 · This particular photograph (Troy-Bilt 13An77Kg011 (Pony) Parts List And Diagram - (2008 with regard to Troy Bilt Bronco Wiring Diagram) previously mentioned is actually labelled with: troy bilt bronco riding mower wiring diagram, troy bilt bronco wiring diagram, troy bilt super bronco … Find parts for your troy-bilt wiring schematic with our free parts lookup tool! Search easy-to-use diagrams and enjoy same-day shipping on standard ...
Wiring diagram for troy bilt riding mower. 36 bolens riding mower belt diagram Written By Christine J. Bell. Tuesday, November 23, 2021 Add Comment Edit. Find Parts by Diagram. Find all the genuine replacement parts for Bolens on our Parts Diagram. We carry everything for your machine and the Parts Diagram helps visualize every component found in your equipment. Give it a try and if you ... Wiring diagram for troy bilt riding mower. Tutorial Starting (& using) a TroyBilt snow blower . In the second video ill be going. How to start a troy bilt riding mower. It has worked perfectly up until a week ago. The engine horsepower information is provided by the engine manufacturer to be used for comparison purposes only. It is easy and free. Troy bilt riding lawn mower parts diagram. Troy-Bilt Riding Mower s parts with OEM Troy-Bilt parts diagram s to find Troy-Bilt Riding Mower s repair parts quickly and easily. Order Status Customer Support 512-288-4355 My Account. ... 13025 - Troy-Bilt Lawn Tractor, Gear Drive (SN: 130250200101 & Above) 13026 - Troy-Bilt Lawn Tractor, Gear Drive (SN: 130260100101 & Above) ... Troy Bilt Bronco Mower Deck Diagram. Troy Bilt Horse Mower Deck Diagram . Troy - Bilt Mower Deck Assemblies parts with OEM Troy - Bilt parts diagram s to find Troy - Bilt Mower Deck Assemblies repair parts quickly and easily Order Status Customer Support 512-288-4355 My Account Login to your PartsTree.com to view your saved list of equipment.
Troy Bilt Riding Mowers Manuals ~ hello friends our site, this is images about troy bilt riding mowers manuals posted by Ella Brouillard in Troy category on Dec 11, 2018. 50″ Zero-Turn Mower (2007). Browse all parts by section for this. Owners manual says to clean after 100 hours or so of use. Mark W. My 3 year old Troy Bilt riding mower … Troy Bilt Pony Riding Mower Wiring Diagram. Troy Bilt 4 Cycle Weed Eater Carburetor Diagram. Troy Bilt Pony Lawn Mower Wiring Diagram. Mtd 42 Deck Belt Diagram. Troy Bilt Tb90bc Carburetor Adjustment. Mtd 42 Mower Deck Belt Diagram. Leave a Reply Cancel reply. Your email address will not be published. Required fields are marked * Ignition Switch. Rewire of murray rider doityourself basic tractor wiring diagram gear drive lawn 2009 46576x92b 1999 starter solenoid from i m working on a riding mower 405000x8c 2004 have with brake wire for most b s engines craftsman mid engine 2006 up modern key switch yard machine model my forum grasper partsthe 312006x78b yellow seat ignition rover clipper 2007 replaces 92556 38 ... Wiring Diagram Troy Bilt Bronco Riding Mower - span class news dt mar 23 2019 span nbsp 0183 32 according to earlier the lines in a troy bilt bronco wiring diagram represents wires at times the wires will cross but it does not imply link between the wires injunction of 2 wires is usually indicated by black dot in the junction of two lines p div ...
Less arduous than a push mower, a lawn tractor or riding mower covers a lot of ground in little time. FX_5754 Troy Bilt Pony Mower Deck Belt Diagram Also With from static-cdn.imageservice.cloud The deck is typically the widest part of the riding mower, and indicates how wide a cut the machine can make. December 6, 2021 · Wiring Diagram. by Anna R. Higginbotham. 5-2-1 compressor saver wiring diagram - You will want a comprehensive, skilled, and easy to comprehend Wiring Diagram. With such an illustrative guide, you are going to be able to troubleshoot, stop, and total your tasks with ease. Troy Bilt Pony Riding Mower Wiring Diagram. Troy Bilt Pressure Washer Unloader Valve Diagram. Troy Bilt Super Bronco Deck Spring Diagram. Troy Bilt 50 Inch Deck Belt Replacement. Chiller Cooling Tower Cycle Diagram. Echo Srm 225 Carburetor Diagram. Stihl Fs 80 Carburetor Diagram. Stihl Parts List There are no pro ducts for this brand at this time or the page has moved. 35 oz. Small Engines PRO Dealer keeps a hearty stock of STIHL 046 and STIHL MS460 parts on hand as well, because we know that well-built classic saws like this one can last a lifetime. May 31, 2019 · Stihl chainsaw ms250 parts diagram youtube in stihl chainsaw ms250 parts diagram image size 480 x …
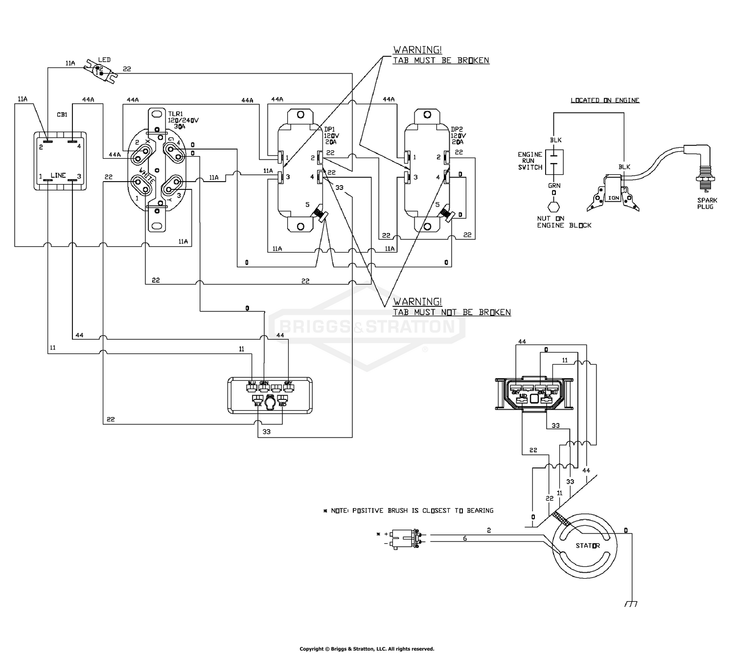
Shop online for OEM Wiring Diagram parts that fit your Troy-Bilt 13WN77KS011 Pony (2011), search all our OEM Parts or call at 717-375-1021.
Troy Bilt Bronco Riding Mower Deck Belt Diagram. Troy Bilt Bronco Mower Deck Diagram. Troy-Bilt Zero-Turn Mower s parts with OEM Troy-Bilt parts diagram s to find Troy-Bilt Zero-Turn Mower s repair parts quickly and easily Order Status Customer Support 512-288-4355 My Account Login to your PartsTree.com to view your saved list of equipment.
Troy Bilt Pony Riding Mower Wiring Diagram. Troy Bilt 50 Inch Deck Belt Diagram. Ferris Mower Drive Belt Diagram. Murray Riding Lawn Mower Drive Belt Diagram. Craftsman Riding Lawn Mower Drive Belt Diagram. Troy Bilt 50 Inch Deck Belt Replacement. Ferris Mower Drive Belt Replacement. Troy Bilt 11a 542q711 Carburetor Diagram.
SOURCE: need a wiring diagram for Troy bilt lawn tractor. Hi maddiew3, Copy and paste this link in your browser. The page your wiring diagram is on will ...
37 troy bilt 21 self propelled mower parts diagram Nov 19, 2019 — Troy bilt 12a 466m011 2008 general assembly exploded view parts lookup by model. Mower parts 34346. 51 Amazing Figu...
troy bilt pony ignition switch wiring diagram. Pony Troy-Bilt Riding Lawn Mower. Troy Bilt 13040 18hp Hydro Garden Tractor S N 130400100101 Wiring Diagram. Mo… November 20, 2021 Tambah Komentar Edit. Jean Lapierre wallpaper. Jean Lapierre. Jean E. See the complete profile on LinkedIn and discover. ...
More in-depth electrical troubleshooting information may also be found in the Professional Shop Manual for the product. For electrical diagrams for specific ...
Visio should have a DB reverse-engineering feature (unless that's now only available in the top-end version). I've used it before and it does an adequate job, my advice is to break your ERD down into logical sections and don't diagram more than ten tables at a time (unless you have access to an E-size plotter). Create entity relationship diagram s in Visio.
Wiring Schematic diagram and repair parts lookup for Troy-Bilt 13WV78KS011 - Troy-Bilt Bronco Lawn Tractor (2014)
John deere 42c mower deck parts diagram. John Deere PARTS LOOKUP John Deere Parts Diagram s, John Deere L120 Lawn Tractor (With 48-IN Mower Deck) Material Collection System -PC9290 Air Filter & Fuel Pump Engine Marked 406577-0139-E1: Fuel and Air CALL US AT (855) 669-7278. John Deere L120 Lawn Tractor Parts 48 Mower Deck Quick Reference Guide.
Find parts for your troy-bilt wiring schematic with our free parts lookup tool! Search easy-to-use diagrams and enjoy same-day shipping on standard ...
30/10/2017 · This particular photograph (Troy-Bilt 13An77Kg011 (Pony) Parts List And Diagram - (2008 with regard to Troy Bilt Bronco Wiring Diagram) previously mentioned is actually labelled with: troy bilt bronco riding mower wiring diagram, troy bilt bronco wiring diagram, troy bilt super bronco …
Regular maintenance and replacement of your MTD snow blower parts will keep you ready all winter long. MTD Parts carries snow blower parts for Troy-Bilt, Yard Machine s, Craftsman, Yard-Man, Remington, Bolens and many more. Browse our wide selection of snow blower parts. Learn how to change the blades on a zero turn mower or a riding mower. We ...
0 Response to "40 wiring diagram for troy bilt riding mower"
Post a Comment