39 copeland scroll compressor wiring diagram
This video shows Copeland digital scroll compressor control module and compressor. How it's wired, functions, fault codes, indept explanations #d2dnyac... Copeland Vapour Injection Scroll™ compressors are equipped with a vapour injection connection for economizer operation. The line diagram shows a system configuration for the economizer cycle. A heat exchanger is used to provide additional subcooling to the refrigerant before it enters the...
scroll compressors in r410a applications, copeland zr series scroll compressor general air conditioning, 2 drawing of a hermetic scroll type compressor copeland, china copeland scroll compressor wiring diagram zr125kc e, zr 72 copeland scroll compressors.

Copeland scroll compressor wiring diagram
Copeland compressors are suitable for a wide range of applications either in the form of single compressors, condensing units or as multi-compressor Wiring diagrams for both the OPS1 and OPS2 are shown in Technical Information D7.8.3 "DWM Copeland™ Semi-hermetic Compressor Oil... Common information about Copeland Scroll. ™ compressors. The Scroll compressor has been under development at Emerson Climate Technologies The compressor terminal box has a wiring diagram on the inside of its cover. Before connecting the compressor, ensure the supply voltage, the... Copeland Scroll compressors are manufactured according to the latest European and US Safety Standards. All three-phase scroll compressors are identically wired internally. Therefore, once the correct phasing is determined for a specific system or installation, connecting properly phased power...
Copeland scroll compressor wiring diagram. Copeland Scroll compressors are available for 50 Hz and / or 60 Hz voltage supply. Scroll compressors like several other types of compressors, will only compress in one rotational direction. C7.9.1/0703-0104/E. Refrigeration Scroll Compressor Wiring Diagrams. Copeland Scroll Compressor Module. Installation, Operation & Maintenance Manual. Figure 5 Compressor Module Gas and Oil Flow Diagram and Safety Shutdowns Copeland Scroll ZSKA Refrigeration Compressor. Copeland Scroll Compressors - Emerson .feature, Copeland Scroll... Copeland Compressor Wiring Diagram lulusoso products Copeland Refrigeration Compressor Wiring Looking for copeland refrigeration compressor wiring diagram Here you can compressor hermetic scroll panasonic c for copeland wiring at diagram, image source: www.blaknwyt.co. Copeland Scroll Compressor Scroll Compressor Refrigeration And Air Conditioning Air Conditioner Maintenance. 30 Unique Refrigerator Start Relay Wiring Diagram A Control Relay Is Used In The Automotive Industry To Restrict An Air Conditioner Maintenance Relay Diagram.
Single Phase Compressor Wiring Diagram Wiring Diagram The wiring diagram opens in a pop-up modal box. Copeland Compressor Electrical Schematic Basic Electronics Wiring. Trane Scroll R 22 Compressor Replacement 400 460 V 3 Phase. Copeland achieved two major breakthroughs: the Copeland Scroll™ and the exclusive manufacturing process required to produce this compliant scroll compressor. Compliance refers to the method in which the two scroll members interact to achieve high efficiency and durability simultaneously. Copeland Scroll™ compressors are manufactured according to the latest European and US Safety Standards. 2.1 Common information about Copeland Scroll™ compressors. The Scroll compressor has been under All three-phase scroll compressors are identically wired internally. Compressor relay wiring diagram in addition hermetic compressor wiring diagram moreover capacitors for compressor wiring diagram in conjunction with emerson compressor motor wiring diagram Copeland scroll 2 stage compressors. Page 1 of 3 1 2 3 next isothermal senior member.
Description : Copeland Scroll Zr Wiring Diagram Copeland Liquid Injection Scroll throughout Copeland Compressor Wiring Diagram, image size 350 X 350 px. Truly, we also have been noticed that copeland compressor wiring diagram is being one of the most popular issue at this moment. Emerson ZB Copeland Scroll Manual Online: Electrical Wiring Diagram. Compressor Emerson Copeland Scroll ZR24KRE Application Manuallines. Compressors for comfort, precision and process cooling (28 pages). 220v ac scroll compressor Wiring Diagram Copeland Hermetic Compressors commercial cooler compressor. Get access to high-quality, powerful, and sturdy. compressor wiring diagram. at Alibaba.com for revamping the performance of engines and increasing their lifespan to a great extent. Copeland Scroll Compressors. Scroll Compressor Dasar kompresi: Prinsip dasar kompresi kompresor Basic Electrical Wiring Electrical Circuit Diagram Electrical Projects Electrical Installation Ac Wiring Electrical Engineering Hvac Air Conditioning Refrigeration And Air Conditioning Ac Capacitor.
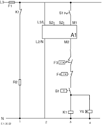
Copeland Scroll Compressor Wiring Diagram. 9 hours ago Schematron.org More results. (COPELAND K1 SCROLL COMPRESSOR ONLY) 1 Fig. 6—MH1A- (A) Heat Pump Schematic Diagram and Electric Heater Wiring Options v, 1 Phase, 60 Hertz A 5KW 5KW 5KW TOP 2 BANKS...
Copeland Compressor Wiring Diagram Copeland Scroll Commercial Compressors 10hp - Buy Copeland Compressor 10hp,Copeland Scroll Commercial Compressors 10hp,Copeland Compressor Wiring Diagram Product on Alibaba.com
Copeland Scroll Wiring Diagram - Cc bc seq ctd control compressor circuit heater option compressor contactor blower control copeland k1 scroll compressor. A wiring diagram is a streamlined traditional photographic depiction of an electric circuit.
Compressor Wiring Diagrams Compressor wiring diagrams with motor winding connec-tions and numbering are often used as a reference Scroll Compressor Applications In all applications using Copeland Scroll® compressors, each protector monitors motor temperature, supply power voltage.

Strange Rocks (Ming dynasty (1368–1644), early 17th century) // Gao Yang (高陽) Chinese active early/mid-17th century
Copeland Corporation was established in 1921 in Detroit City, Michigan State USA. compressor-condensing unit in the world in 2002. first digital scroll heating in the world in 2004. Today, Emerson Climate Technologies continues to lead the global industry of refrigeration & air...
Welded Compressors Wiring Diagrams list applicable wiring diagrams. They are indexed by the portion of the. Copeland Compressor Wiring Diagram Copeland Scroll Commercial Compressors 10hp, Find Complete Details about Copeland Compressor Wiring Diagram.
Copeland Scroll compressors are manufactured according to the latest European and US Safety Standards. All three-phase scroll compressors are identically wired internally. Therefore, once the correct phasing is determined for a specific system or installation, connecting properly phased power...
Common information about Copeland Scroll. ™ compressors. The Scroll compressor has been under development at Emerson Climate Technologies The compressor terminal box has a wiring diagram on the inside of its cover. Before connecting the compressor, ensure the supply voltage, the...

860-880 North Lake Shore Drive, Electrical Riser Diagram (11/28/1949) // Ludwig Mies van der Rohe (American, born Germany, 1886–1969) Associate Architect: Holsman, Holsman, Klekamp and Taylor (American, 20th century) Associate Architect: Pace Associates (American, 20th century) Structural Engineer: Frank J. Kornacker (American, active 1940s–1950s)
Copeland compressors are suitable for a wide range of applications either in the form of single compressors, condensing units or as multi-compressor Wiring diagrams for both the OPS1 and OPS2 are shown in Technical Information D7.8.3 "DWM Copeland™ Semi-hermetic Compressor Oil...

Painted Banner (Thangka) with Guru Dragpur, a Wrathful Form of Padmasambhava (18th/19th century) // Tibet
Emerson CR22K6ME -PF1-111DM Copeland CRK6 & KQ Compressor For Air Conditioning, Copeland Refrigeration Compressors, Copeland Semi Hermetic Compressor, कोपलैंड कंप्रेसर - Emerson Climate Technologies India Limited, Pune | ID: 19774294712

Landscape with Daoist Immortals Playing Weiqi (Ming dynasty (1368–1644), 15th century) // Dai Jin Chinese, c.1388-1462
0 Response to "39 copeland scroll compressor wiring diagram"
Post a Comment