37 stihl 064 parts diagram
Stihl 064 Parts Manual 1/10 Downloaded from net.as.gov on June 24, 2021 by guest [EPUB] Stihl 064 Parts Manual This is likewise one of the factors by obtaining the soft documents of this stihl 064 parts manual by online. You might not require more grow old to spend to go to the book foundation as well as search for them. In
Stihl 064 Av Chainsaw Name $8 IS A STIHL CHAINSAW 064 066 MS660 CLUTCH SET NEW 1122 160 new and used chainsaw parts and manuals.If you have any problems . Stihl Parts List There are no products for this brand at this time or the page has moved. Please try one of the following suggestions to find what you are looking for.
Stihl 084 Av Service Manual. Stihl 084 Av Service Manual > http://bit.ly/29co0wBhttp://bit.ly/29co0wB

Stihl 064 parts diagram
Stihl 076 AV Chainsaw Specifications. Stihl 076 AV Specifications for the Stihl 076AV chainsaw. Find detailed specs information for the Stihl chainsaw including engine, fuel system, Carburetor, ignition system, chain lubrication,Torque settings and cutting attachments.
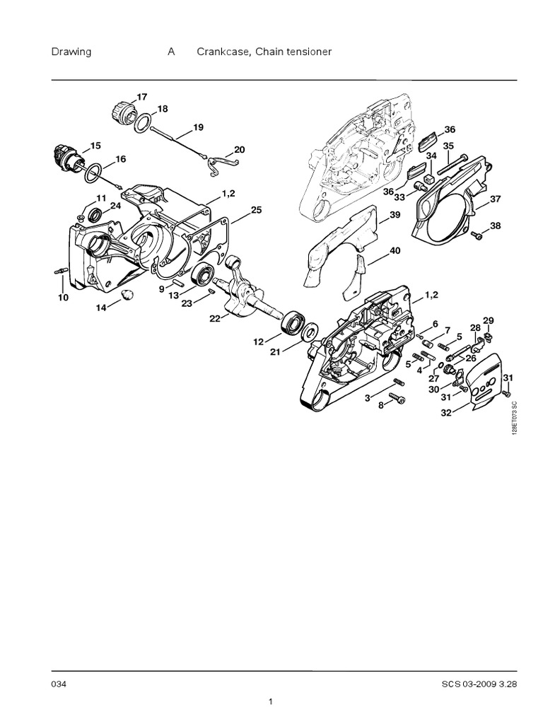
Stihl 064 Chainsaw Parts Manual Stihl 064 Parts List Manual for the Stihl chainsaw. Find and identify all component parts of the 064 with this manual (IPL), which has clear part numbers for the chainsaw. The manual has diagrams and accurate information as used by workshops and repair shops to troubleshoot, service and repair the chainsaw. Stihl ...
Issuu is a digital publishing platform that makes it simple to publish magazines, catalogs, newspapers, books, and more online. Easily share your publications and get them in front of Issuu's ...
Stihl 064 parts diagram.
Stihl 064 Chainsaw (064) Parts Diagram Stihl 064 Parts Manual Stihl 064 Parts List Manual for the Stihl chainsaw. Find and identify all component parts of the 064 with this manual (IPL), which has clear part numbers for the chainsaw. The manual has diagrams and accurate information as used by workshops and repair shops to troubleshoot, service and
PDF Stihl 064 Parts ManualManual for the Stihl chainsaw. Find and identify all component parts of the 064 with this manual (IPL), which has clear part numbers for the chainsaw. The manual has diagrams and accurate information as used by workshops and repair shops to troubleshoot, service Page 9/32
Stihl 064 Chainsaw (064) Parts Diagram Stihl 064 Parts Manual Stihl 064 Parts List Manual for the Stihl chainsaw. Find and identify all component parts of the 064 with this manual (IPL), which has clear part numbers for the Page 1/4. Read Online Stihl 064 Parts Manual chainsaw. The manual has diagrams and accurate information as
Stihl 064 Parts available online and ready to ship direct to your door. Free tech support. 365 day returns. Worldwide shipping.
064 Stihl Chainsaw Parts Diagram images, similar and related articles aggregated throughout the Internet.
Stihl 064 Chainsaw (064R) Parts Diagram Select a page from the Stihl 064 Chainsaw diagram to view the parts list and exploded view diagram.
064 066 STIHL Chainsaw Service Workshop Repair & Parts Diagram Manuals Lot of 3 - EUR 16,93. FOR SALE! This is a New 64, 066 Workshop Service Manual and Parts List 274840500895
Issuu is a digital publishing platform that makes it simple to publish magazines, catalogs, newspapers, books, and more online. Easily share your publications and get them in front of Issuu's ...
Stihl 064 Chainsaw (064) Parts Diagram Stihl 064 Parts Manual Stihl 064 Parts List Manual for the Stihl chainsaw. Find and identify all component parts of the 064 with this manual (IPL), which has clear part numbers for the chainsaw. The manual has diagrams and accurate information as used by workshops and repair shops to
Stihl 064 Chainsaw Parts Manual Stihl 064 Parts List Manual for the Stihl chainsaw. Find and identify all component parts of the 064 with this manual (IPL), which has clear part numbers for the chainsaw. The manual has diagrams and accurate information as used by workshops and repair shops to troubleshoot, service and repair the chainsaw. Stihl ...
Looking for stihl 064 parts diagram ? Here you can find the latest products in different kinds of stihl 064 parts diagram. We Provide 20 for you about stihl 064 parts diagram- page 1
Stihl 034 Chainsaw (034) Parts Diagram Select a page from the Stihl 034 Chainsaw diagram to view the parts list and exploded view diagram. All parts that fit a 034 Chainsaw . Pages in this diagram. Air Filter (08.2000), (31.2001) Air Filter/Throttle Control. AV System. Carburetor C3A-S31E. Carburetor C3A-S39E.
Select a page from the Stihl 064 Chainsaw (064) exploaded view parts diagram to find and buy spares for this machine. Stihl 064 Parts List Manual for the 064 chainsaw. View free page images online or download full PDF containing clear images, diagrams and information.
Download Ebook Stihl 064 Parts Manual Stihl 064 Parts Manual Stihl 064 Parts List Manual for the Stihl chainsaw. Find and identify all component parts of the 064 with this manual (IPL), which has clear part numbers for the chainsaw. The manual has diagrams and accurate information as used by workshops and repair shops to troubleshoot, service ...
Download Service Manual For Stihl 064, 066 - sawzilla parts Stihl 064 Chainsaw (064) Parts Diagram Select a page from the Stihl 064 Chainsaw diagram to view the parts list and exploded view diagram. Stihl 064 Chainsaw (064) Parts Diagram We will close for the Christmas Holidays at 5pm Friday 18 th December and re-open for business at 8.30am

Assy clutch drum p-7 rim sprocket jarum bantalan untuk stihl chainsaw ms170 ms180 ms210 ms230 ms250 017 018 019 baru
Parts diagrams Front covers ... Stihl Chainsaw assembly/preparation (When providing your own chainsaw) 1. ... Stihl 064/066, MS660 1122 640 2002 2. [Filename: ripsawmanual.pdf] - Read File Online - Report Abuse
Stihl 064 Chainsaw (064) Parts Diagram Stihl 064 Parts Manual Stihl 064 Parts List Manual for the Stihl chainsaw. Find and identify all component parts of the 064 with this manual (IPL), which has clear part numbers for the chainsaw. The manual has diagrams and accurate information as used by workshops and repair shops to
One-Pieces, Overalls & Jum… Uniforms. Clothing Sets
stihl crankshaft flywheel woodruff key fits many models, 1120 036 8500
Stihl 064 Chainsaw Parts Manual Stihl 064 Parts List Manual for the Stihl chainsaw. Find and identify all component parts of the 064 with this manual (IPL), which has clear part numbers for the chainsaw. The manual has diagrams and accurate information as used by workshops and repair shops to troubleshoot, service and repair the chainsaw. Stihl ...
Find many great new & used options and get the best deals for 064 Stihl Chainsaw Illustrated Parts List Diagram Manual at the best online prices at eBay! Free shipping for many products!
Stihl 064 Parts List Manual to service and repair the 064 chainsaw. FREE page images or download full 064 PDF to print or view on all devices
Stihl MS 200 T 020T 020 MS200T chainsaw parts include cylinder piston kits, ignition coils, air filters, carburetors, recoil starter, chain sprocket cover, muffler, handle bar, fuel tank, clutch drum, sprocket cover, flywheel, oil pump, gasket, worm gear, air filter cover, shroud, Annular buffer, chain adjuster tensioner, bearings, oil seals, fuel oil caps and many more
0 Response to "37 stihl 064 parts diagram"
Post a Comment