37 bolens lawn mower parts diagram model 13am762f765
How to Replace a Riding Lawn Mower Blade Drive Belt. file. Belt diagram for bolens riding mower - Answered by a verified Technician. model#13amf James W: We just have a lot more. MTD 13AMF Deck Assembly 38 Inch Parts Diagram. SWIPE SWIPE . C COVER BELT DI $ Screw Screw.schematron.org - Order Genuine MTD Parts for the MTD 13AMF - Bolens Lawn ...
Troy-Bilt Rotary Mower Operator's Manual. Pages: 28. See Prices. Bolens Lawn Mower 1002. Cub Cadet Rear Engine Lawn Tractor Owner's Manual. Pages: 32. See Prices. Bolens Lawn Mower 101-340A. Bolens Rear Discharge Rotary Mower Owner's Guide.
Bolens Parts & Supplies carries everything from New, New Old Stock, and NLA parts for Bolens equipment and other brands of equipment. Also specialize in Bolens and Wisconsin parts. ... USED 1752554 Bolens mower deck lift rod arm ends Fits 14052 / 14049 175-2554 To be used on arm #'s 1766051 & 1766052 $ 42.59 $ 11.25. Quick view.

Bolens lawn mower parts diagram model 13am762f765
Oct 17, 2014 - Need to fix your 13AM762F765 (2006) Lawn Tractor? Use our part lists, interactive diagrams, accessories and expert repair advice to make your repairs easy.
HI ,I bought Bolens 15.5 hp 38 in riding mower model # 13am762f765… HI ,I bought Bolens 15.5 hp 38 in riding mower model # XXXXX (183629) The mower goes in reverse and goes great In forward gear somet … read more
Collection of bolens 13am762f765 wiring diagram. A wiring diagram is a simplified standard photographic representation of an electrical circuit. It reveals the components of the circuit as streamlined shapes, and the power and also signal connections between the gadgets. A wiring diagram typically offers information concerning the loved one ...
Bolens lawn mower parts diagram model 13am762f765.
Download the manual for model MTD 13AM762F765 front-engine lawn tractor. Sears Parts Direct has parts, manuals & part diagrams for all types of repair projects to help you fix your front-engine lawn tractor!
Repair Parts Home Lawn Equipment Parts Bolens Parts Bolens Lawn Tractor Parts Bolens 13AM762F765 (2006) Lawn Tractor Parts. ... Note: Click on Diagram Note. $116.50. In Stock, 2 available Add to Cart $116.50 Add to Cart C27 Exhaust Gasket. $4.30 Part Number: BS-692236. In Stock, 6 available ...
Bolens repair parts and parts diagrams for Bolens 13AM762F765 - Bolens Lawn Tractor (2005)
Sam S Bolens. Mtd 13wv771s031 2011 Parts Diagram For Wiring 925 04082. Make Bolens 38 Cut Model 13am762f765 Purchased March 2010 Engine Will Not Start Found The Fuse And It Was Replace. Bolens 15 5hp B S 38 6spd Lt In The Gas Riding Lawn Mowers Department At Lowes Com. Mtd 13ag683g163 2003 Parts Diagram For Electrical. St Series.
Bolens Lawn Mower Model 13AM762F765/2005 Parts. Bolens Lawn Mower Model 13AM762F765/2005 Parts are easily labeled on this page to help you find the correct component for your repair. Filter results by category, title and symptom. You can also view diagrams and manuals, review common problems that may help answer your questions, watch related videos, read insightful articles or use our repair ...
Displaying sections and components for the MTD 13AM762F765 - Bolens Lawn Tractor (2007). Browse all parts by section for this model.Search by part . We have parts, diagrams, accessories and repair advice to make your tool repairs.Bolens 13AM762F765 (2007) Lawn Tractor Parts. .Note: California Models. MTD 13AM762F765 (2007) Deck Assembly 38 Inch Exploded View parts lookup by model.
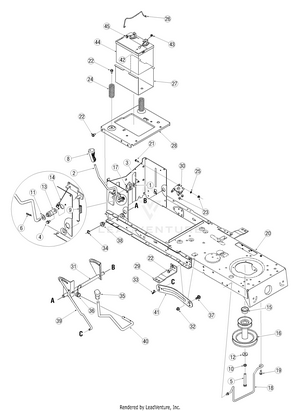
Description: Bolens 11A-418A765 Parts List And Diagram - (2006 in Bolens Riding Mower Parts Diagram, image size 590 X 764 px, and to view image details please click the image.. Honestly, we have been remarked that bolens riding mower parts diagram is being just about the most popular issue at this time. So we tried to locate some terrific bolens riding mower parts diagram graphic for your needs.
MTD 13AM762F765 (2007) Drive Exploded View parts lookup by model. Complete exploded views of all the major manufacturers. ... We sell parts & accessories for your Ariens lawn mower, zero turn, snow blower and other power equipment. ... Diagrams » Parts Diagrams ...
The best way to find parts for Bolens lawn tractor model 13AM762F765 / 2006 is by clicking one of the diagrams below. You can also browse the most common parts for Bolens lawn tractor model 13AM762F765 / 2006.
Find parts for your Bolens Riding Lawn Mower Model 13AM762F765. Parts diagrams and manuals available. Free shipping on parts orders over $45.
This photograph (Bolens 13Am762F765 Parts List And Diagram - (2007 pertaining to Bolens Riding Mower Parts Diagram) previously mentioned is usually branded together with: bolens 38 riding mower parts diagram, bolens lawn mower parts diagram model 13am762f765, bolens lawn mower parts manual, . put up by means of CARPNY TEAM at April, 1 2016.
Repair Parts Home Lawn Equipment Parts Bolens Parts Bolens Lawn Tractor Parts Bolens 13AM762F765 (2005) Lawn Tractor Parts. ... Note: Click on Diagram Note. $116.50. In Stock, 2 available Add to Cart $116.50 Add to Cart C27 Exhaust Gasket. $4.30 Part Number: BS-692236. In Stock, 8 available ...
Ryobi 13AM762F065 (2008) Parts Diagrams. Parts Lookup - Enter a part number or partial description to search for parts within this model. There are (382) parts used by this model. SPACER 5/8 ID X 2.
Application parts number and belt sizes available. It is easy and free. This is a simple step by step to install a 38 inch mower deck on a mtd yard machines lawn tractor. A slipping or worn belt on your bolens 38 inch riding mower may call a halt to cutting your lawn. Complete exploded views of all the major manufacturers.
Bolens Lawn Mower 13AMF/ Product Detail. 0 reviews Shop Parts for this Model Top Selling Parts; Part Diagrams; Common Problems.Bolens Lawn Mower Parts Diagram Model 13amf Displaying sections and components for the MTD 13AMF - Bolens Lawn Tractor (). Browse all parts by section for this model. Search by part.
1-16 of over 2,000 results for "bolens lawn mower parts" kipa Air Cleaner Cover 595660 Air Filter 799579 Kit Replace for Briggs & Stratton 590581 08P502 08P602 09P602 09P702 Series Engines MTD Troy Bilt Durable Stable Washable. 4.8 out of 5 stars 70. $10.99 $ 10. 99. Get it as soon as Wed, Dec 8.
Bolens repair parts and parts diagrams for Bolens 13AM762F765 - Bolens Lawn Tractor (2007)
Sam's Bolens, LLC P.O. Box 565 Crown Point, Indiana 46308 PHONE: (219) 661-1405
Find Parts by Diagram. Find all the genuine replacement parts for Bolens on our Parts Diagram. We carry everything for your machine and the Parts Diagram helps visualize every component found in your equipment. Give it a try and if you can't find what you are looking for or need assistance installing the new part, call 1-800-269-6215 today.
Gallery Of Bolens 13am762f765 Wiring Diagram Sample. Assortment of bolens 13am762f765 wiring diagram. A wiring diagram is a streamlined standard pictorial depiction of an electrical circuit. It reveals the parts of the circuit as simplified forms, and the power and signal connections between the devices. A wiring diagram normally gives info ...
Bolens By Iseki Compact Utility Diesel Tractors All Bolens Iseki Tractor Models 1978 to 1991 link here Misc. Bolens Equipment Produced 1967 Bolens Estate Keeper Brochure By Arnold Palmer 1951 To 1987 Misc. Parts & Service Manual File .pdf Includes Walking Mowers, Tillers & Snowthrowers, Riding Mowers, Tractors, Parts Diagrams,
We have parts, diagrams, accessories and repair advice to make your tool repairs easy. There are two basic electric wiring systems used: one for battery start models and one for recoil start models. All safety systems used are based on the .diagramweb.net - Select MTD 13AMF - Bolens Lawn Tractor () Diagrams and order Genuine MTD Mowers: lawn ...
Keeping your Bolens push mower or lawn tractor well-maintained is a lot easier with Repair Clinic as your resource. It's here where you'll find genuine MTD replacement parts like spark plugs, mulching blades, discharge chutes, and grass bag frames. The Repair Clinic advantage continues with free access to our DIY content library.
0 Response to "37 bolens lawn mower parts diagram model 13am762f765"
Post a Comment