Iklan 300x250

36 bolens 13am762f765 belt diagram

MTD 13AM762F765 front-engine lawn tractor parts - manufacturer-approved parts for a proper fit every time! We also have installation guides, diagrams and manuals to help you along the way!

Diagram I-P: Diagram Q-X: Use the Chart to find your model, then the corresponding diagrams: Wisconsin engine instruction and illustrated parts manuals: S7d and S8d: S-10d, S-12d and S-14d: Tr10d, Tra10d, and Tra12d: Sam's Bolens, LLC P.O. Box 565 Crown Point, Indiana 46308 PHONE: (219) 661-1405:

Find parts for your Bolens Riding Lawn Mower Model 13AM762F765. Parts diagrams and manuals available. Free shipping on parts orders over $45.

Bolens 13am762f765 belt diagram

Bolens 13am762f765 belt diagram

Shop for Bolens Lawn Tractor 13AM762F765 repair parts today! Find parts by name, location or by symptoms like drive system does not work & excess vibration.

Hex Screw, 5/ 16-24 X .750. $3.03. Part Number:710-0627. In Stock, 8 available. checkmark. In Stock, 8 available. Note: for Faster Service Obtain Standard Nuts, Bolts and Washers Locally. if These Items Cannot Be Obtained Locally, Order by Part Num. $3.03.

Bolens 13am762f765 parts list and diagram 2006 throughout troy bilt bronco wiring diagram image size 590 x 763 px and to view image details please click the image. Troy bilt lawn tractor wiring diagram. Here is a picture gallery about troy bilt bronco wiring diagram complete with the description of the image please find the image you need ...

Bolens 13am762f765 belt diagram.

Download the manual for model MTD 13AM762F765 front-engine lawn tractor. Sears Parts Direct has parts, manuals & part diagrams for all types of repair projects to help you fix your front-engine lawn tractor!

Wiring Diagram For A Bolens 15.5 Hp Mower Download the manual for model MTD 13AM762F765 front-engine lawn tractor. Sears Parts Direct has parts, manuals & part diagrams for all types of repair projects to help you fix your front-engine lawn tractor! MTD 13AM762F765 front-engine lawn tractor manual

B13. Flange L-Nut 3/ 8-16 Thd. $3.54. Part Number:912-0431. In Stock, 6 available. checkmark. In Stock, 6 available. Note: for Faster Service Obtain Standard Nuts, Bolts and Washer Locally. if These Items Cannot Be Obtained Locally, Order by Part Numb - Tractor models with Deck Assembly "G" w/ Deck Wheels Only. $3.54.

Product Description Replacement V-Type Belt For Some Lawn Mower Models V-Belt Replacement Works With Lawn Tractor Models From Bolens MTD Replacement Part Numbers: 954-04001A, 95404001A, 754-04001A, 75404001A Fits Bolens Lawn Mower Models: 13AC650F765, 13AG683G163, 13AG683H163, 13AM662F163, 13AM662F765, 13AM662G765, 13AM761F065, 13AM761F265, 13AM762F065, 13AM762F265, 13AM762F765, 13AN683G163 ...

Bolens 13AM762F765 (2005) Lawn Tractors - PartsWarehouse

Bolens 13am762f765 (2005) lawn tractors - partswarehouse

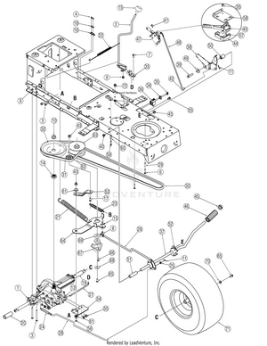
MTD 13AM762F765 (2006) Parts Diagram for PTO Controls

Mtd 13am762f765 (2006) parts diagram for pto controls

Bolens 13AM762F765 - Bolens Lawn Tractor (2007) Parts Lookup ...

Bolens 13am762f765 - bolens lawn tractor (2007) parts lookup ...

Bolens 13AM762F765 - Bolens Lawn Tractor (2007) Parts Lookup ...

Bolens 13am762f765 - bolens lawn tractor (2007) parts lookup ...

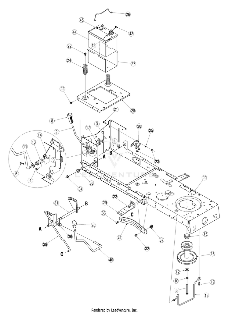
MTD 13AM762F765 (2007) Parts Diagram for Deck Assembly 38 Inch

Mtd 13am762f765 (2007) parts diagram for deck assembly 38 inch

I have a 38 inch Bolens mower. Model 13am762f765. It will not ...

I have a 38 inch bolens mower. model 13am762f765. it will not ...

Bolens Lawn Mower Tractor V Belt Replacement 954-04001A

Bolens lawn mower tractor v belt replacement 954-04001a

Bolens 13AM762F765 (2006) Lawn Tractors - PartsWarehouse

Bolens 13am762f765 (2006) lawn tractors - partswarehouse

Bolens 13AM762F765 - Bolens Lawn Tractor (2007) Parts Lookup ...

Bolens 13am762f765 - bolens lawn tractor (2007) parts lookup ...

Download bolens 13am762f765 service manual | Diigo Groups

Download bolens 13am762f765 service manual | diigo groups

MTD 13AM762F765 (2007) Parts Diagram for Deck Assembly 38 Inch

Mtd 13am762f765 (2007) parts diagram for deck assembly 38 inch

MTD 13AM762F765 (2007) Parts Diagram for Deck Assembly 38 Inch

Mtd 13am762f765 (2007) parts diagram for deck assembly 38 inch

Bolens Lawn Tractor | 13AM762F765 | eReplacementParts.com

Bolens lawn tractor | 13am762f765 | ereplacementparts.com

Artur Babenko (ababenko2785) - Profile | Pinterest

Artur babenko (ababenko2785) - profile | pinterest

MTD Yard Machines 38 inch mower deck installation and removal.

Mtd yard machines 38 inch mower deck installation and removal.

Bolens 13AM762F765 (2005) Lawn Tractors - PartsWarehouse

Bolens 13am762f765 (2005) lawn tractors - partswarehouse

Troy Bilt 13AN77TG711 Pony (2007) Parts Diagram for Drive

Troy bilt 13an77tg711 pony (2007) parts diagram for drive

Bolens M 762 F 13AM762F765 (2006) Mowing deck F (38/96cm ...

Bolens m 762 f 13am762f765 (2006) mowing deck f (38/96cm ...

MTD Lawn Tractor | 13AM762F765 | eReplacementParts.com

Mtd lawn tractor | 13am762f765 | ereplacementparts.com

Ryobi 13AM762F765 (2006) Parts Diagrams

Ryobi 13am762f765 (2006) parts diagrams

Bolens 13AM762F765 - Bolens Lawn Tractor (2007) Parts Lookup ...

Bolens 13am762f765 - bolens lawn tractor (2007) parts lookup ...

MTD 13AM762F765 front-engine lawn tractor parts | Sears ...

Mtd 13am762f765 front-engine lawn tractor parts | sears ...

Make: bolens 38

Make: bolens 38" cut model: 13am762f765 purchased march 2010 ...

13am762f765 cheap online

13am762f765 cheap online

MTD 13AM762F765 (2007) .Quick Reference 762F765

Mtd 13am762f765 (2007) .quick reference 762f765

13am762f765 cheap online

13am762f765 cheap online

Bolens Lawn Tractor | 13AN683G163 | eReplacementParts.com

Bolens lawn tractor | 13an683g163 | ereplacementparts.com

SOLVED: I need a printable diagram for replacing deck belt ...

Solved: i need a printable diagram for replacing deck belt ...

Replaces Bolens Lawn Mower Model 13AM762F765 Carburetor ...

Replaces bolens lawn mower model 13am762f765 carburetor ...

Bolens 13AM762F765 Riding Lawn Mower Operators Manual | Manualzz

Bolens 13am762f765 riding lawn mower operators manual | manualzz

BOLENS DECK BELT ROUTING The Tractor Guys

Bolens deck belt routing the tractor guys

Bolens Lawn Tractor | 13AM762F765 | eReplacementParts.com

Bolens lawn tractor | 13am762f765 | ereplacementparts.com

Bolens Riding Mower Drive Belt Replacement - YouTube

Bolens riding mower drive belt replacement - youtube

13am762f765 cheap online

13am762f765 cheap online

BOLENS DECK BELT ROUTING The Tractor Guys

Bolens deck belt routing the tractor guys

0 Response to "36 bolens 13am762f765 belt diagram"

Post a Comment

Iklan Atas Artikel

Iklan Tengah Artikel 1

Iklan Tengah Artikel 2

Iklan Bawah Artikel