41 passkey 3 bypass diagram
GM PASS- Key III Plus, bypass for vehicles equipped with the new style hybrid Passlock ... chart below will tell you by vehicle which wiring diagram to use.12 pages Passkey III is not resistor-based. There is a rfid (radio-frequency id) chip in the black plastic head of the key. When the key is turned to start, the exciter coils in the lock cylinder housing ...
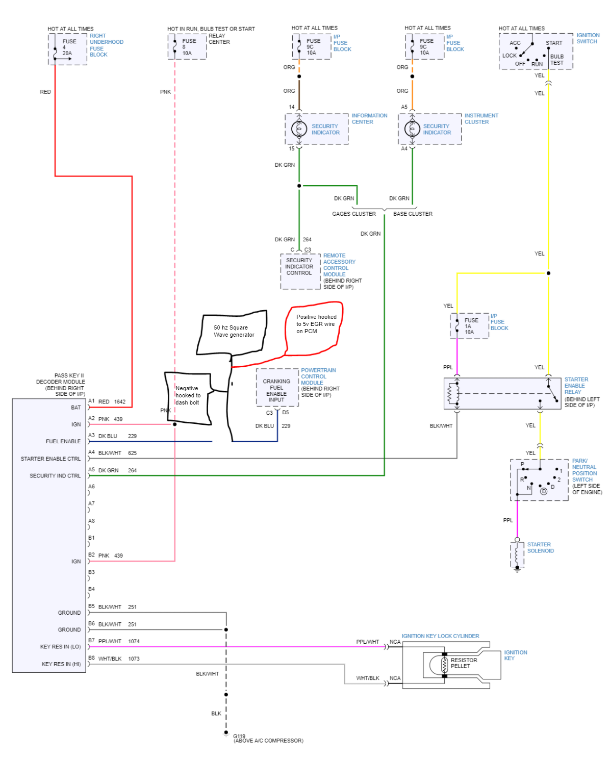
Wire the 555G as shown in the appropriate wiring diagram. Immobilizer Ignition Feed. PINK or WHITE. Data. PURPLE. Fuel Enable. BLUE. Key Sense. LIGHT ...
Passkey 3 bypass diagram
because all you need is a wiring diagram, a DVOM and ... Passkey III and the newer Passlock sys- tems were introduced in 1998, ... jumpers to bypass the key. 6 Nov 2015 — If you own a GM vehicle with PassKey III antitheft or a previous PassKey II or PassLock system and have a car won't start security light on, ... 8: Acquire the same size resistor and 3 relays, and perform the connections shown in the diagram below. PASSLOCK-II bypass procedure
Passkey 3 bypass diagram. 3. Bypass it using an aftermarket module designed for a remote starter 4. Trick the car into thinking that that the passlock module in the ignition is sending the proper signal using a resistor (I chose to go this way, as shown below) ***Warning: I am not an expert anything, let alone an expert mechanic. Follow my example below at your own risk ... Installation Guide MODEL: GMDLBP GM Doorlock Alarm & Transponder/Passlock Interface Product Features-Wire to Wire compatible with any type of remote car starter (W2W).-Compatible with manufacturer's anti-theft & content theft security systems.-Maintains integrity of manufacturer's anti-theft immobilizer system.-No Key Required for operation (NKR).-Simple 2 step programming. If the light does not turn off after more than about 12 minutes, something other than the Passlock system requires maintenance. 3) Turn the ignition to 'Off' and wait 5 seconds. 4) Repeat steps 1-3 two more times for a total of 3 cycles/30 minutes. 5) The BCM will now read and store the new system reference value on the next ignition cycle from ... Watch all the video first! And don't for get to watch my other Cadillac DIY videos. How to fix or by pass GM VATS ignition key security system on your Car ...
This video explains the theory behind how you bypass the passlock/passkey system on older chevy vehicles. I do not actually show how this is done since my l... All upstream bypass flow must be considered in the design of the inlets and the storm drainage system at the sag. Available overflow at sag locations can be considered when ... 3. Surface ‘Q’ Sub. – Flow (in cfs) to the inlet. Q = CiA Where: C = runoff coefficient for the sub-drainage area . i = 4.0 inches/hour . When you reconnect the cable, turn the key to the off position, and remove the key. Then, reinsert the key, turn to the ON position and leave for 15-20 minutes. This will enable your Aztek to resync the Passkey 3 key on the ignition. If you have the battery with the "bypass" handle, simply lift the handle -- you'll hear the battery re-engage. The ASD relay is an acronym for Automatic Shutdown relay, but its acronym is popularly known. It is a major component of the fuel and ignition systems of modern vehicle engines.. “This component performs the task of transmitting power (switched 12-volt) to the ignition coils and fuel injectors of vehicle engines” which gives room to produce a spark and also allows the pumping of fuel.
Plug the 2 halves back together to restore the function of the VATS reader. Steps 14 and 15 assume your test worked: 14. If you decide to go with the connectors, install and crimp a male bullet connector to one of the 2 grayish-white wires, and a female on the other. Now do the same for the resistor pack. 22 Jul 2013 — Passenger Cars, Mini Vans, SUV Service and Repairs. (No Trucks) - Bypass Passkey 3 - 2003 Buick LeSabre, 3800 6 cyl., 68k miles I'm trying ... 8: Acquire the same size resistor and 3 relays, and perform the connections shown in the diagram below. PASSLOCK-II bypass procedure 6 Nov 2015 — If you own a GM vehicle with PassKey III antitheft or a previous PassKey II or PassLock system and have a car won't start security light on, ...
because all you need is a wiring diagram, a DVOM and ... Passkey III and the newer Passlock sys- tems were introduced in 1998, ... jumpers to bypass the key.
Passkey Versus Passlock Ricks Free Auto Repair Advice Ricks Free Auto Repair Advice Automotive Repair Tips And How To
I Have A Passkey 3 System On A Chevy Venture And I Just Replaced The Ign Swicht But Made The Mistake Of Cuting The Wire
Gm Passkey And Passlock Overview Ricks Free Auto Repair Advice Ricks Free Auto Repair Advice Automotive Repair Tips And How To
Passkey Iii System Ricks Free Auto Repair Advice Ricks Free Auto Repair Advice Automotive Repair Tips And How To
Passkey Versus Passlock Ricks Free Auto Repair Advice Ricks Free Auto Repair Advice Automotive Repair Tips And How To
My Business Security Light On Car Not Starting Everything Else Works Like It Should You Probably Have A Failed Security System This Is A Very Common Problem On Gm Vehicles You Ll
Pass Key Fault Can Go Around The Starter Control Relay So Key Alone Starts Control Starter Relay At Start
0 Response to "41 passkey 3 bypass diagram"
Post a Comment