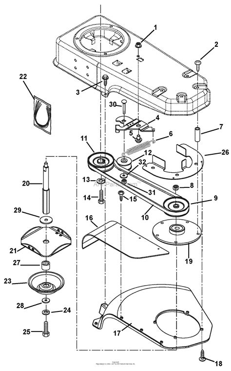
41 ariens snowblower parts diagram
1580s, "to make a map or diagram of, lay down on paper according to scale;" also "to lay plans for, conspire to effect or bring about" (usually with evil intent), from plot (n.). Intransitive sense of "to form a plan or device" is from c. 1600. Related: Plotted; plotter; plotting. "in two parts, having two corresponding parts," 1570s, from Latin bipartitus "divided," past participle of bipartire "to divide into two parts," from bi- "two" (see bi-) + partitus, past participle of partiri "to divide" (from pars "a part, piece, a share," from PIE root *pere- (2) "to grant, allot"). Related: Bipartition.
Refer to the Craftsman Snowblower Manual 944 for all the information to assemble the snow thrower, parts diagram, and repair parts numbers for snow blower and engine parts. For example part number 532 14 65 27 is the same as 146527. 88890 Part No. Part Finder.

Ariens snowblower parts diagram
Looking the parts diagram of the carburetor, it does not have any. Whether you need a new air filter, mower blade, carburetor, or oil filter, you can trust Jack's to provide a quality replacement part for your Craftsman mowers. 297041 Carburetor, Craftsman Tiller 917. 675610 generator is a 5600 watt AC generator. vpowerequipment. 0 to 4 ... Shop for Ariens Snow Blower 922025 repair parts today! Find parts by name, ... Choose a symptom to view a list of parts that fix that symptom. Kawasaki Engine Parts. When you need parts for the Kawasaki Engine on your lawnmower, trust ProParts Direct for genuine OEM parts at the best price around! Join the thousands of commercial landscapers and small engine shops who rely on the team at ProParts to get the right part at the best price!
Ariens snowblower parts diagram. Parts lookup for Ariens power equipment is simpler than ever. Enter your model number in the search box above or just choose from the list below. Ariens zero turn mower parts Ariens Snowblower parts that fit, straight from the manufacturer. Use our interactive diagrams, accessories, and expert repair help to fix your Ariens ... Find the right Ariens OEM Parts. Please enter at least 6 characters in the Model Number field. I want to search... Parts Diagrams, Parts List.
1610s, "an illustrative figure giving only the outlines or general scheme of the object;" 1640s in geometry, "a drawing for the purpose of demonstrating the properties of a figure;" from French diagramme, from Latin diagramma "a scale, a musical scale," from Greek diagramma "geometric figure, that which is marked out by lines," from diagraphein "mark out by lines, delineate," from dia "across, through" (see dia-) + graphein "write, mark, draw" (see -graphy). Related: Diagrammatic; diagrammatically. The verb, "to draw or put in the form of a diagram," is by 1822, from the noun. Related: Diagrammed; diagramming. Ariens Briggs & Stratton Sno Tek Tecumseh: Briggs & Stratton Honda MTD Snow King Tecumseh Toro: Briggs & Stratton Honda MTD Snow King Tecumseh: Briggs & Stratton MTD Snow King Tecumseh: Briggs & Stratton Honda MTD Snow King Tecumseh: Diagram #1 MTD Mastercraft Yardman Diagram #2 Murray, Sears, Noma Gear Case Repair video: Diagram #1 Parts lookup and repair parts diagrams for outdoor equipment like Toro ... 10942 (ST 7) - Ariens Sno-Thro Snow Blower, 7hp Tecumseh (SN: 000001 & Above). CAT Caterpillar 631 owner j c b price Scraper repair Tractor shop Service Manual book guide(Heavy Equipment, Parts & Attachments) 2021-11-22 04:45:11
1918 (Venn's diagram is from 1904), named for English logician John Venn (1834-1923) of Cambridge, who explained them in the book "Symbolic Logic" (1881). also p.p.m., abbreviation of parts per million, attested by 1913. 1940, American English, of automobile parts, from after + market. Nov 10, 2021 · Tine & Drive Assembly diagram and repair parts lookup for Ariens 901008 (RT 7020) - Ariens 20" Rear Tine Tiller, 7hp Tecumseh (SN: 000101 & Above) Ariens Rotary Tillers 4-5-6 HP Jet Tillers, 2HP Cultivators, & 3HP Compact Tiller Model 902802 Cultivator 2HP Briggs & Stratton Serial No:000101 & Up, 902016-3HP Briggs Serial NO:000101 & Up, 902004 ...
Ariens 42 inch deck belt diagram < double bond between the two carbons in a C2 molecule with very low energy are core 1s orbitals core... Orbital theory shows that there should exist a double bond < single bond answers, search this... Measurements: carbon Numbering Here Refers to IUPAC Numberings -153.8860360491 Hartrees therefore bond. 1.09 ...
"personal qualities, gifts of ability, share of mental endowments or acquirements," 1560s, from part (n.).
"component parts of a device or system," 1956, from component + -ry.
"pertaining to schemes," 1701, from Latin stem of scheme (n.) + -ic. Noun meaning "diagram" is first attested 1929. Related: Schematical (1670s).
Look up replacement mower parts, snow blower accessories, and small engine parts 24/7 with ProParts Direct. Our replacement mower parts catalog is published each year and all parts can be ordered directly through our secure site. Write to us or give us a call with orders, questions, or any customer support issues 800-305-9255
John Deere 42" D100, D105, D110, D120, D125, D130 Deck Parts Diagram. Easy to use Parts Schematic for 42" D100 Series Lawn Tractors
Official Ariens webpage is here: www.ariens.com Scot Lawrence Page started January 2009. Page 5 last updated November 14, 2011. For information about Ariens parts, see here. For other general snowblower questions, take a look here:
1703, "union of parts, parts of a thing taken together," from French ensemblée "all the parts of a thing considered together," from Late Latin insimul "at the same time," from in- intensive prefix + simul "at the same time," related to similis "like, resembling, of the same kind" (see similar). Musical sense of "union of all parts in a performance" in English first attested 1844. Of women's dress and accessories, from 1927. Earlier in English as an adverb (mid-15c.), "together, at the same time."
Ariens Snowblower Parts Look Up. Parts for Ariens Professional, Deluxe, Platinum & Compact series snow blowers. Ariens parts ship the same day if ordered by ...
Kawasaki Engine Parts. When you need parts for the Kawasaki Engine on your lawnmower, trust ProParts Direct for genuine OEM parts at the best price around! Join the thousands of commercial landscapers and small engine shops who rely on the team at ProParts to get the right part at the best price!
Shop for Ariens Snow Blower 922025 repair parts today! Find parts by name, ... Choose a symptom to view a list of parts that fix that symptom.
Looking the parts diagram of the carburetor, it does not have any. Whether you need a new air filter, mower blade, carburetor, or oil filter, you can trust Jack's to provide a quality replacement part for your Craftsman mowers. 297041 Carburetor, Craftsman Tiller 917. 675610 generator is a 5600 watt AC generator. vpowerequipment. 0 to 4 ...

























0 Response to "41 ariens snowblower parts diagram"
Post a Comment