Iklan 300x250

40 eaton rear end diagram

forward axle rear axle forward axle rear axle load capacity ds344 rs344 34,000 lbs. da344 ra344 ds404(p) rs404 dsp41 rsp41 40,000 lbs. da404(p) ra404 dsh40 rsh40 dd404(p) rd404 ddh40 rdh40 ds405(p) rs405 dsh44 rsh44 ds405(p) ra405 ddh44 rdh44 dd405(p) rd405 dst40(p) rst40 dsp40 rsp40 dst41(p) rsdt41 ddt41(p) ds454(p) rs454 dd454(p) rd454 45,000 ... made by checking the carrier casting number on the rear tandem (127045 or 128109). From 1972 until May 1978, DS340 and DS380 tandems were built with 2-Speed differential carriers. Special instructions and parts list for these models can be found on page 11. Forward Tandem Axle Rear Tandem Axle 34DS 34RS 38DS 38RS DS340 RS340 DS380(P) RS380 ...

Eaton 93PM Sidecar Integrated Accessory Cabinet-Tie and Tie Bypass (50 kW and 100 kW SIAC-T, 50 kW and 100 kW SIAC-TB) Installation and Operation Manual English (US) 8-Dec-2020

Eaton rear end diagram

Eaton rear end diagram

ra351 rear 79 ra355 front 81 ra355/ra472 rear 84 ra472 front 87 ra474 front 92 ra474 rear 97 page # model sl-sqhd front 101 sl-sqhd rear 106 sl-sq100/sqhpfront 109 sqhp/qar rear 118 sl-sq100 rear 121 sshd front 124 sshd-shr-thr-uhr rear 128 world axle 140, 141 & 145 series front 131 world axle 140, 141 & 145 series rear 139 rs15-210/rs17-220 ... My 66 f600 has a 2 speed eaton rear end. Drive axles drive axle assembly tag 1. Identifies all component parts of the axle including special oem requirements such as yokes or flanges 4. 2 wires going into the shift motorone is low and the other one is hi. Specification number assigned to the axle built by spicer. EATON AXLE. EATON AXLE. Sort By: Quick view Compare . 120750 Genuine Eaton Spicer Two Speed Electric Shift Motor Unit 2 Bolt Mount. $362.67. Add to Cart. Quick view Compare . 113744 Eaton Spicer Circuit Board. $52.37. Add to Cart. Quick view Compare . 054254 Eaton Spicer Magnetic Axle Housing Fill Plug .750-14 NPTF-1 ...

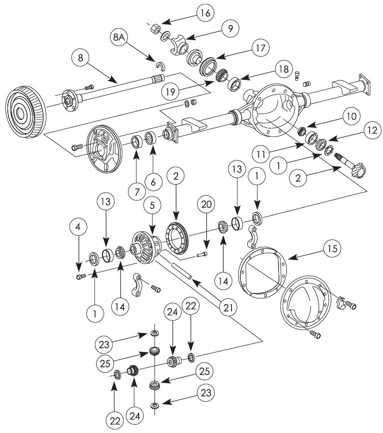
Eaton rear end diagram. Differential Exploded Views - Parts Identification. These Differential and Axle Assembly Exploded Views are provided to help identify the parts you need by name. We stock nearly all of the Differential Components in both of the diagrams below, with the exception of housings. The Eaton Differential wholesale warehouse, all models and all ratios are in stock and ready to install. We stock thousands of truck differentials as well as new and used rear ends, axle repair parts and supplies. Gear and Differentiel is the discount outlet for truck driveline, differential components and parts. We stock Eaton differentials for Freightliner, Kenworth, Peterbilt, Mack ... 26 S-2859 REAR BRG COVER ASSY 4302732 ,4305826 1 MECHANICAL - 6:00 OPENING . 8 Group: CASE (FRONT) CASE (FRONT) Item Current Part Description Replaced Part Qty. Notes Kits/Assys Where Needed 1 S-3018 CASE ASSEMBLY 4304498 ,4305810 ,S - 2735 1 2 X-12-2007 PIPE PLUG X12 2006 1 3 X-12-1207 PIPE PLUG X12 1202 ,X12 1206 1 3/4" MAGNETIC ... Part 2 of 2. Eaton 2 speed axle part 01 duration. Wiring 2 Speed Rear Axle Diagram Wiring Schematic Diagram Wwww Eaton two speed axle wire harness. Eaton 2 speed axle wiring diagram. Would appreciate a copy of the. Erich 1966 ford f 600 ex fuel tanker now a flatbed aka big lous little big rig engine. Im assuming you have an eaton.

The complete axle is identified by the specification number stamped on the rear right-hand side of the axle housing. This number identifies all component parts ... •Axle Model Identification, Part Number and / or Serial Number are located on the axle centerline. This information will help to locate information in this book and to identify the correct parts for servicing. •Axle Housings are identified by the specification number stamped on the rear right-hand side of the axle housing. JD EATON 5. 2. 3. 1 .. diagrams below. Failure to. Eaton Corporation, Axle & Brake Division, presents this publication to aid in . The power divider also includes a driver-controlled, air-operated lockout. Dana Spicer Corporation, Axle & Brake Division, presents this publication to aid in maintenance and overhaul of Dana single reduction drive ... Items 1 - 23 — Differential Carrier Assembly Attaching Parts ... Ring Gear and Pinion Identification - Rear Axles ... Diff. Carrier & Bearing Cap Kit.

Eaton 2 speed axle part 01 duration. Axle model identification 3. Country or origin 2. If you need i can send you a wiring diagram. 24000lbs 2005 kw t800 72 aerocab sleeper 235 wheelbase cat. 49810 eaton 2 speed differential axle switch wiring harness plug and cable. 2 wires going into the shift motorone is low and the other one is hi. 1923 - Torbensen Axle officially becomes Eaton Axle and Spring, manufacturing was approaching 150,000 axles annually and 10,000 springs daily 1926 - Eaton Axle and Spring launches production of Ruckstell Axles for Ford Motor Company passenger cars and trucks, including the Model T 1928 - Eaton acquires Perfection Heater (first manufacturer • Axle Housings are identified by the specification number stamped on the rear right-hand side of the axle housing. This number identifies all components of the axle as built by Eaton, including OEM special requirements such as yoke or flange. Some axles may also include an identification tag as shown. Learn all about 2-speed axles, including how they work, proper operation, and proper maintenance. Part 1 of 2.

Crg Research Report 1967 69 Camaro Axle Carriers And Associated Parts

Crg Research Report 1967 69 Camaro Axle Carriers And Associated Parts

Forward Axle Rear Axle Axle Capacity Gear Size DS344 RS344 34,000 Lbs 15" Hypoid Gear DS404-(P) RS404 40,000 Lbs 15" Hypoid Gear DS405-(P) RS405 40,000 Lbs 15" Hypoid Gear DS454-(P) RS454 45,000 Lbs 15" Hypoid Gear Forward Axle Rear Axle Axle Capacity Gear Size DA344 RA344 34,000 Lbs 15" Hypoid Gear DA404-(P) RA404 40,000 Lbs 15" Hypoid Gear

Gm Locking Differential How It Works Youtube

Gm Locking Differential How It Works Youtube

Special instructions and parts list for these models can be found on page 11. Forward Tandem Axle. Rear Tandem Axle. 34DS. 34RS. 38DS. 38RS. DS340.

Exploded View Rs461 1a The Gear Centre Heavy Light Duty Transmissions Differentials Pto Transfer Case

Exploded View Rs461 1a The Gear Centre Heavy Light Duty Transmissions Differentials Pto Transfer Case

Before towing the vehicle place the transmission in neutral, and lift the rear wheels off the ground, remove the axle shafts, or disconnect the driveline to avoid damage to the transmission during towing. The description and specifications contained in this service publication are current at the time of printing.

New Rockwell Differentials Rebuilt Rockwell Differential Rockwell Differential Parts

New Rockwell Differentials Rebuilt Rockwell Differential Rockwell Differential Parts

1922- Eaton Axle Company buys back the Torbensen Axle division of Republic Motor Truck 1923 - Torbensen Axle purchases two spring manufacturing plants 1923 - Torbensen Axle officially becomes Eaton Axle and Spring, manufacturing was approaching 150,000 axles annually and 10,000 springs daily 1926 - Eaton Axle and Spring launches production of

Eaton 2 Speed Axle Wiring Diagram Wiring Site Resource

Eaton 2 Speed Axle Wiring Diagram Wiring Site Resource

www.eaton.com Technical Data Effective: April 2007 Page 3 Basic Wiring for Motor Contol Symbols Standardized symbols make diagrams easier to read. Both line and wiring diagrams are a language of pictures. It is not difficult to learn the basic symbols. Once you do, you are able to read diagrams quickly, and can often understand a circuit at a ...

Rebuilt Dana Differentials New Used Models Available 877 776 4600

Rebuilt Dana Differentials New Used Models Available 877 776 4600

The Eaton ELocker™ differential may be deactivated via the switch while the vehicle is in motion. When a front or rear differential is locked, the behavior and maneuverab ility of a vehicle is altered. Steering res ponse and vehicle maneuverab ility may be reduced dramatically. Steering may be difficult with a front Eaton ELocker™ differential

Chrysler 9 25 Differential Parts West Coast Differentials

Chrysler 9 25 Differential Parts West Coast Differentials

The drive axle wheel differential lock is an air-actuated clutch which positively locks the differential gearing in the rear ax le. When this clutch is engaged, power flows to the tires without any differential action, giving each wheel all the torque the road con ditions ... When filled with an Eaton approved syn-thetic lubricant at the ...

Big Job Rear Axle Question Ford Truck Enthusiasts Forums

Big Job Rear Axle Question Ford Truck Enthusiasts Forums

Call your Eaton differential expert today. We stock any Eaton parts your shop may need to rebuild new or used rear end units such as gearing, cases, seals, gaskets, Axle and bearing kits specifically for on highway, off highway, industrial, agricultural, construction, mining and logging. Buy Your differential at a warehouse discount price.

Eaton Com

Eaton Com

The rear axle gearing is driven from the output shaft side gear and inter-axle driveline. Note: Varied road surface conditions can result in unequal torque distribution between the two axle assemblies. Input torque Lockout disengaged Drive is from differential through helical gears to forward gearing Drive is

Generic Rear Axle Info

Generic Rear Axle Info

Eaton 2 Speed Axle Wiring Diagram. Get someone in the cab and shift the 2 speed with the key on and see if the power toggles between the 2 terminals. Let me see what i can turn up and ill get back with you. Eaton 2 Sd Rear Axle Switch Wiring Diagram Eaton Diy Wiring.

Dana 60 Parts Down To Fab

Dana 60 Parts Down To Fab

*carrier options include S=Single Speed, D=Differential Lock, R=Parking Brake Ready Forward Axle Rear Axle Axle Capacity Gear Size DSP40(P) RSP40 40,000 Lbs 15.40˝/15.65˝ Hypoid Gear, Nom. DSP41(P) RSP41 40,000 Lbs 15.40˝/15.65˝ Hypoid Gear, Nom. DSH40(P) RSH40 40,000 Lbs 15.75˝ Hypoid Gear, Nom.

John Deere Power Train Hydrostatic Transmission Eaton

John Deere Power Train Hydrostatic Transmission Eaton

Axle Shafts - Diff Lock Models ............................ 34 ... Use this book to order parts for your Spicer® Axle. ... Diff Brg Adjuster - Flange Half.53 pages

2 Speed Axle Electric Over Air Thru 2600

2 Speed Axle Electric Over Air Thru 2600

511373 Axle Hsg Hardware Kit - Capscrews Rear Axles 511375 Axle Hsg Hardware Kit - Studs Rear Axles D461, D462, D463 D521, D581, D601 D651 511376 D-Hsg Cover Hardware Kit Forward Axles 170 & 190 D170, D190, S170E, S190E, DS90, S590 512896 Axle Hsg Hardware Kit Forward Axle R170, R190, S170, S190 512897 Axle Hsg Hardware Kit Rear Axle

Eaton Ds402 Front Rear Differential Power Divider Ratio 3 70 For Sale Online Ebay

Eaton Ds402 Front Rear Differential Power Divider Ratio 3 70 For Sale Online Ebay

My 66 f600 has a 2 speed eaton rear end. When i was driving it home it quit working. Learn all about 2 speed axles including how they work proper operation and proper maintenance. Wiring 2 speed rear axle diagram wiring schematic diagram ezgo golf cart rear axle diagram wiring diagram diagram and names of school buses ezgo golf.

Gm 8 Rear Axle Differential Parts Catalog West Coast Differentials

Gm 8 Rear Axle Differential Parts Catalog West Coast Differentials

Pinion page Power. Divider page Seals page Inter-Axle. Lockout page 11 .. JD EATON 5. 2. 3. 1 .. diagrams below. Failure to.The Eaton power divider differential is used to divide the power between the front and rear axle equally. The full locking power divider provides maximum traction and improved ability to .

Eaton H072 Page 7 Pirate 4x4

Eaton H072 Page 7 Pirate 4x4

Use this book to order parts for your Eaton Axle. ... 1 DIFF. CARRIER & BEARING CAPS. 1 121737 121754 216223 121774 121791 213652 119792.29 pages

Eaton Rs404 Differential Misc Part

Eaton Rs404 Differential Misc Part

EATON AXLE. EATON AXLE. Sort By: Quick view Compare . 120750 Genuine Eaton Spicer Two Speed Electric Shift Motor Unit 2 Bolt Mount. $362.67. Add to Cart. Quick view Compare . 113744 Eaton Spicer Circuit Board. $52.37. Add to Cart. Quick view Compare . 054254 Eaton Spicer Magnetic Axle Housing Fill Plug .750-14 NPTF-1 ...

2 Speed Rear Dif Issue Ford Truck Enthusiasts Forums

2 Speed Rear Dif Issue Ford Truck Enthusiasts Forums

My 66 f600 has a 2 speed eaton rear end. Drive axles drive axle assembly tag 1. Identifies all component parts of the axle including special oem requirements such as yokes or flanges 4. 2 wires going into the shift motorone is low and the other one is hi. Specification number assigned to the axle built by spicer.

Side Bearing Cup Gm8 5 10b Gearcentre Canada Heavy Light Duty Transmissions Differentials Pto Transfer Case

Side Bearing Cup Gm8 5 10b Gearcentre Canada Heavy Light Duty Transmissions Differentials Pto Transfer Case

ra351 rear 79 ra355 front 81 ra355/ra472 rear 84 ra472 front 87 ra474 front 92 ra474 rear 97 page # model sl-sqhd front 101 sl-sqhd rear 106 sl-sq100/sqhpfront 109 sqhp/qar rear 118 sl-sq100 rear 121 sshd front 124 sshd-shr-thr-uhr rear 128 world axle 140, 141 & 145 series front 131 world axle 140, 141 & 145 series rear 139 rs15-210/rs17-220 ...

Media Spicerparts Com

Media Spicerparts Com

Detroit Locker History Anatomy Faqs About The Toughest Differential In Town Onallcylinders

Detroit Locker History Anatomy Faqs About The Toughest Differential In Town Onallcylinders

Eaton Fuller 9 Speed Transmission Diagram Wiring Site Resource

Eaton Fuller 9 Speed Transmission Diagram Wiring Site Resource

Rockwell Differentials E Pro Gear

Rockwell Differentials E Pro Gear

Gm 8 2 Rear Axle Differential Parts Catalog West Coast Differentials

Gm 8 2 Rear Axle Differential Parts Catalog West Coast Differentials

Eaton 2 Speed Axle On Lrdg Chevrolets Mlu Forum

Eaton 2 Speed Axle On Lrdg Chevrolets Mlu Forum

Canadawideparts Com

Canadawideparts Com

Gm 7 5 7 625 Rear Axle Differential Parts Catalog West Coast Differentials

Gm 7 5 7 625 Rear Axle Differential Parts Catalog West Coast Differentials

Media Spicerparts Com

Media Spicerparts Com

Eaton Differential And Exchange Gear And Differential Co

Eaton Differential And Exchange Gear And Differential Co

2002 2008 C7h0 42 Rear Axle Eaton Two Speed 22060t Hph Part 2 Details Chevrolet Kodiak Kodiak Mexico

2002 2008 C7h0 42 Rear Axle Eaton Two Speed 22060t Hph Part 2 Details Chevrolet Kodiak Kodiak Mexico

Rear Axle Differential Lock Eaton Everything About The Eaton Elocker Limited Slip Differential Movable Blocking Clutch

Rear Axle Differential Lock Eaton Everything About The Eaton Elocker Limited Slip Differential Movable Blocking Clutch

Locking Differential Wikipedia

Locking Differential Wikipedia

Rebuilt Eaton Differential For Sale At Discount Prices 877 776 4600

Rebuilt Eaton Differential For Sale At Discount Prices 877 776 4600

Sweptline Org 1963 1968 Online Parts Catalog Axle Rear

Sweptline Org 1963 1968 Online Parts Catalog Axle Rear

Rear Axle Parts Bearings 1930 1960 Plymouth Dodge Desoto Chrysler

Rear Axle Parts Bearings 1930 1960 Plymouth Dodge Desoto Chrysler

Oshkosh M911 6x8

Oshkosh M911 6x8

49810 Eaton 2 Speed Differential Axle Switch Wiring Harness Plug And Cable

49810 Eaton 2 Speed Differential Axle Switch Wiring Harness Plug And Cable

Biopsy Of A Toyota E Locker Swap Off Road Com

Biopsy Of A Toyota E Locker Swap Off Road Com

Dana 60 Small Parts

Dana 60 Small Parts

Gm 14 Bolt 10 5 Rear Axle Differential Parts Catalog West Coast Differentials

Gm 14 Bolt 10 5 Rear Axle Differential Parts Catalog West Coast Differentials

0 Response to "40 eaton rear end diagram"

Post a Comment

Iklan Atas Artikel

Iklan Tengah Artikel 1

Iklan Tengah Artikel 2

Iklan Bawah Artikel