37 kohler starter parts diagram
Kohler Engine Parts Lookup. Shop our huge parts diagram database, searchable by brand, model number, spec number, part number and save. If all you have is a serial number call us at 888-652-3990 or email us sales@opeengines.com and we would be glad to look it up fo you. *The prices shown here in the parts diagram are list prices. Kohler Starters and Repair Parts. Kohler Starter: 9 tooth, CCW rotation. Part #: SND0007. OEM Replacement This part is aftermarket equipment designed to replace the original manufacturer's part numbers specified here. It is manufactured using high-quality materials, to the same specifications as the original part.
Kohler Starter Parts. Kohler starter parts are here at Jack's. Kohler is one of the most trusted names in small engines. For over 15 years, Jack's has been one of the most trusted names in online small engine part sales. Let us supply the Kohler starter parts you need to make your repair quick and easy.

Kohler starter parts diagram
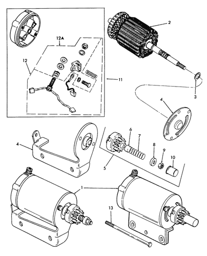
43-018 - Recoil Starter Spring Replaces Kohler 12-089-06-S Replaces Kohler 12-089-06-S Fits Kohler Engine Models CH11-CH640, CV11-CV493, K181, M8-M16, and TH16-TH18 Parts lookup for Kohler Engine power equipment is simpler than ever. Enter your model number in the search box above or just choose from the list below. Model‑Item NamePrice1217003SKohler Part # 1217003S ArmatureARMATURE 1217003S$99.00$227.06; Save...1217004SKohler Part # 1217004S ArmatureARMATURE 1217004S$128.66$135.43; Sav...1222714SKohler Part # 1222714S CapCAP 1222714S$10.18$10.72; Save...View 22 more rows
Kohler starter parts diagram. These technical documents and manual will help you learn more about your Kohler ... to efficient repair, ordering the correct parts and engine replacement. Kohler repair parts and parts diagrams for Kohler M8-301609 - Kohler Magnum Engine, Made for Gardenway, 8hp, 6kW Order Status Customer Support 512-288-4355 My Account Login to your PartsTree.com to view your saved list of equipment. Fits. KOHLER Air Cooled with 10HP engines, Air Cooled with 10HP engines, Air Cooled with 12HP engines, Air Cooled with 12HP engines, Air Cooled with 8.5HP engines, Air Cooled with 8.5HP engines. Replaces. KOHLER 63 098 01-S, 63-098-01-S, 6309801, 6309801S. Kohler Part # 1709811S 12 Volt Electric Starter Assembly. Genuine Kohler 12 Volt Electric Starter Assembly, 17 098 11-S - 1709811-S, Fits CH440 and ECH440 engines, Free Shipping, No Tax, 2 to 3 day delivery Replaces... $169.95 $278.62. Save: 39% off. Add Qty:
185 Products — Kohler Starter Parts available online from Lawn Mower Pros. We are an Authorized Kohler Dealer and Service Center carrying a large selection of ... Questions & Answers for the Kohler 3209804s Ask us about the Kohler 3209804s Starter Assembly. Please no repair questions. Your Q&A may be posted to Jackssmallengines.com to help other shoppers, like you, with their purchasing decisions. Thank you. starter. Retractable starters contain a powerful, recoil spring that is ... Kohler genuine service parts can be purchased from Kohler authorized dealers.88 pages FOR KOHLER ORIGINAL EQUIPMENT PARTS WITH PARTS LOOKUP DIAGRAMS, PLEASE READ BELOW BEFORE CLICKING ON THE DIAGRAM. The parts lookup website is original equipment parts only.This website has aftermarket and OEM mix on the most common parts. Please note that when you go to the new website if any items are in your cart they will not transfer over. All though they will be saved for 24 hours. When ...
Model‑Item NamePrice1217003SKohler Part # 1217003S ArmatureARMATURE 1217003S$99.00$227.06; Save...1217004SKohler Part # 1217004S ArmatureARMATURE 1217004S$128.66$135.43; Sav...1222714SKohler Part # 1222714S CapCAP 1222714S$10.18$10.72; Save...View 22 more rows Parts lookup for Kohler Engine power equipment is simpler than ever. Enter your model number in the search box above or just choose from the list below. 43-018 - Recoil Starter Spring Replaces Kohler 12-089-06-S Replaces Kohler 12-089-06-S Fits Kohler Engine Models CH11-CH640, CV11-CV493, K181, M8-M16, and TH16-TH18
Voltage Regulator Rectifier Kohler Yesterday S Tractors Kohler Engines Electrical Diagram Engineering
Mv18qs 58533 18hp Kohler Engine 1 85 12 93 076 Electric Starter 18hp Mv18qs 58533 New Holland Agriculture
15 Wiring Diagram For Lawn Mower Kohler Engine Engine Diagram Wiringg Net Briggs Stratton Diagram Stratton
Buy Caltric Compatible With Starter New Holland Mower G4030 G4035 G4050 Kohler 23hp Gas All Online In Greece B007i6k4go
Kohler K321 6054 H L Diehl 14 Hp 10 4 Kw Specs 6006 60443 Parts Diagram For Retractable Starter 23 10 1 Tp 691 B Rev 10 18 2006
Kohler Kt610 3012 Kohler 6000 Series Engine Made For Ariens 19hp 14 2kw 07 Starting Parts Lookup With Diagrams Partstree
Electrical Solutions For Small Engines And Garden Pulling Tractorsusing A Remote Starter Cart Starting System
Lawn Mowers Garden Patio Suneducationgroup Com Starter Rope W Handle Part 14 160 01 S Genuine Kohler Kit
K241as 46659d 10hp Kohler Engine 4 71 9 71 086 Starter Assembly 10 12 14hp K241as K241aqs K301as K301aqs K321s K321as K321aqs New Holland Agriculture
0 Response to "37 kohler starter parts diagram"
Post a Comment