37 briggs and stratton carburetor parts diagram
Features. Carburetor Replaces for Briggs & Stratton 799727 Supersedes part number 496796 - 499153 - 695412 91886 - 690194 - 698620,for Briggs & Stratton 14hp 15hp 16hp 17hp 18hp Intek Engine Lawn Mower Garden Tractor Small Gas Engine Motor, Description: Briggs And Stratton 31C707-0154-E1 Parts Diagram For Carburetor with regard to Briggs And Stratton Carburetor Parts Diagram, image size 1180 X 1408 px, and to view image details please click the image.. Here is a picture gallery about briggs and stratton carburetor parts diagram complete with the description of the image, please find the image you need.
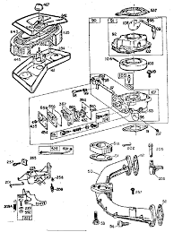
Briggs and Stratton 303777-1147-E1 Carburetor, Fuel Supply, Kit - Carburetor Overhaul Exploded View parts lookup by model. Complete exploded views of all the major manufacturers. It is EASY and FREE
Briggs and stratton carburetor parts diagram
Find the operator's manual or illustrated parts list for your Briggs & Stratton engine or product by following the instructions below. Looking for a part number? Use the Parts Lookup tool to find your part number, availability & pricing, and order online. Briggs and Stratton 131G32-0001-01 Carburetor Exploded View parts lookup by model. Complete exploded views of all the major manufacturers. Briggs and Stratton 135212-0140-01 Exploded View parts lookup by model. Complete exploded views of all the major manufacturers. ... See: Briggs & Stratton exploded parts diagrams. ... Found on Diagram: Carburetor Group-Parts; 498298 . Carburetor . $136.49 Options Add to Cart. 691437 . Screw (Throttle Valve ...
Briggs and stratton carburetor parts diagram. In this catalog, you will find Briggs & Stratton’s popular Red Box parts, Shop Packs, Tools, Accessories, Do It Yourself (DIY) display packed parts and much more. To locate the suggested list price of a part, refer to the Master Price List MS-7299. Briggs & Stratton Original Service Replacement Parts come with a ninety (90) day Parts Lookup Tool. This interactive page will allow you to find the exact replacement part you need, using official parts diagrams from the manufacturer. Even better, once you find your part, you can easily add it to your cart and check out – getting you up and running even faster. To begin, please click the brand of your engine or equipment. on 3.5 Briggs And Stratton Carburetor Diagram. Your Briggs and Stratton carburetor is an integral part of your small engine, so it's Carburetor cleaner dissolves deposits in your carburetor and choke, and. Briggs and Stratton hp problem. drummernick's Avatar However there is no adjustment on this carb. The main jet looks good - I've had the. Briggs and stratton carburetor parts diagram. 1 16 of 103 results for briggs stratton carburetor diagrams skip to main search results. Email newsletter sign up. Troy bilt 675 series briggs and stratton parts diagram 289707 briggs stratton part diagram briggs amp stratton 675 series engine parts and diagrams briggs and stratton 675 series parts ...
Briggs and Stratton Illustrated Parts Diagrams available online from LawnMowerPros and ready to assist you in finding your repair parts. We are an Authorized Briggs and Stratton Small Engine Dealer carrying a large selection of Illustrated Parts Lists. Briggs & Stratton Carburetor - Items tagged as "Briggs and stratton parts diagram". Briggs and Stratton 135212-0140-01 Exploded View parts lookup by model. Complete exploded views of all the major manufacturers. ... See: Briggs & Stratton exploded parts diagrams. ... Found on Diagram: Carburetor Group-Parts; 498298 . Carburetor . $136.49 Options Add to Cart. 691437 . Screw (Throttle Valve ... Briggs and Stratton 131G32-0001-01 Carburetor Exploded View parts lookup by model. Complete exploded views of all the major manufacturers.
Find the operator's manual or illustrated parts list for your Briggs & Stratton engine or product by following the instructions below. Looking for a part number? Use the Parts Lookup tool to find your part number, availability & pricing, and order online.

Landscape (1935/42) // Briggs Dyer (American, 1911-1970) published by the Works Progress Administration
Brigg Engine Stratton Carburetor Diagram | ... (0133-01 - 0133-01) Briggs & Stratton Briggs & stratton 18 hp engine | Briggs & stratton, Stratton, Model

Mobile Delousing Unit, Truck Equipment, Plan of Operation and Erection Procedure, Presentation Drawing (1943) // Bertrand Goldberg American, 1913-1997

Landscape (1935/42) // Briggs Dyer (American, 1911-1970) published by the Works Progress Administration
0 Response to "37 briggs and stratton carburetor parts diagram"
Post a Comment