Iklan 300x250

36 honda z50 wiring diagram

First things first, can anyone point me to a wiring diagram for a 1969 Z50 K1 with the battery? I can't seem to be able to find a legit diagram, I hear this was one of a very limited amount of Z50's with the battery, which probably complicates things. Second, where does the chassis ground tie in to the frame? Wiring diagrams diagram honda z50 full version hd quality buildmydiagram newsymposium it 1969 sharediagrams 1975 trail 50 z50a6004798 planetminis forums z50j 6 volt should brake light work withought key in ignition lilhonda com overview of all categories 4 stroke net the data for your motorcycle and moped tbolt usa tech database llc 1972 needed z50a k2 bolt hex… Read More »

*oem honda cdi unit z50 xr50 cfr50 xr70 crf70 see fitment 30410-gw8-670 7/20m (22l) $119.99 *OEM HONDA NOISE SUPPRESSOR PLUG WIRE CAP 30700-GAR-000 XR50 Z50R TO 2012 OTHERS 1/19A (73U)

Honda z50 wiring diagram

Honda z50 wiring diagram

Wiring Harness Z50 K3 - 1978 Excellent construction with terminal ends exactly like the. A total of 32 parts lists are found for the Z50A MINI TRAIL K4 1973 USA. Honda C90 C 90 Electrical Harness Wiring Diagram Schematic. Brake components with high quality hub design for the 4-bolt Honda hub pattern used on the 1968 through 1978 Honda Z50. Honda 50 Wiring Diagram - When you understand a couple of essentials they are in fact very simple to read through, though a car wiring diagram may seem daunting. The first thing you will be needing to discover is what every mark implies. To read through it, initially identify the circuit involved, then starting with its ground reference point, follow it from that point to the provider of power. Honda z50 wiring diagram. 1992 92 honda z50 z50r wiring harness. The newest bike engine on the market. Allxr50crf50 z50r88to99 alllifan50cc 39mmbore 276z 276z 1999. Honda owners manual w wiring diagram 1978 z50a 52 pages 3112006. Honda z50 z 50 electrical wiring harness diagram schematic frame 120001 to 270235 here.

Honda z50 wiring diagram. Honda XR650 XR 650 Electrical Wiring Harness Diagram Schematic HERE. Honda Z50 Z 50 A Electrical Wiring Harness Diagram Schematic HERE. Honda Z50 Z 50 Electrical Wiring Harness Diagram Schematic Frame # 120001 to 270235 HERE. Honda Z50 Z 50 Electrical Wiring Harness Diagram Schematic Frame # 270236 - Up HERE. Honda Z50 Z 50 K4 - Up Electrical ... Sl70 Wiring Diagram. Honda Z50a K2 Wiring Planetminis Forums. Diagram honda z50r wiring full diagrams z50j 6 volt 1975 trail 50 z50a6004798 z50 general export 1969 should brake light bolt hex 8x98 for 1980 a usa z50m k1 chassis ground 1971 k2 w 12v cdi conversion need tbolt tech database llc body frame r 120 1984 e schematic 4 stroke net ct110 ... Honda Z50 Wiring Diagram. Here are some Monkey Bike Wiring Diagrams: Z50JZ Wiring Parts to Suit: Honda Z50A, Z50J1, Z50JZ, Z50R, Z50JDM, Z50M, QA50, QR Hi all, I'm new here so hello to everyone. I have a number of old z50's and CT70's . The Cyclepedia.com Honda Z50R online service manual features detailed full-color photographs and color wiring diagrams, complete specifications with step-by-step procedures performed and written by a veteran Honda motorcycle dealer technician. The Honda XR50R online manual covers the following off-road motorcycles:

1978 Honda Z50 Wiring Diagram 10 out of 10 based on 662 ratings. Vintage Honda Elsinore CR125 | CR250 | MR50 parts | QA50 parts | Z50 parts | CT70 parts | SL70 parts | XL70 parts | XR75 parts | XR80 parts | SL100 -SL125 … complete gasket_set_fit's semi_auto's_clutch 50's_70's with/52/54mm_bore (most_88/95cc) (manual_clutch_read) 7/16m … Continue reading 1978 Honda Z50 Wiring Diagram 1978 Honda Z50 Wiring Diagram 10 out of 10 based on 641 ratings. Honda Z50 Mini Trail Z 50 A Owners Maintenance Instruction Manual 1970 1971. The newest bike engine on the market. Here are some Monkey Bike Wiring Diagrams. Access eight hundred ninety-nine spare parts listed in these schematics. 471DF45 1977 Honda Z50 Wiring Diagram. Honda Z50a K2 Wiring Planetminis Forums. Honda z50 general export 1969 wiring diagrams diagram full z50r 1975 trail 50 z50a6004798 should brake light schematic 4 stroke net wire z50ak3 thru 1978 z50a k1 chassis ground harness for z50m order at cmsnl tbolt usa tech database llc z50j stator coil output test mini 1972 arnabgurlz from vin k2 planetminis forums frame ignition service manual and ... Diagram Honda Z50a K2 Wiring Full Version Hd Quality. Honda Z50 General Export 1969 Wiring Schematic 4 Stroke Net All The Data For Your Motorcycle And Moped. 1969 Honda Z50 Should Brake Light Work Withought Key In Ignition Lilhonda Com. Bolt Hex 8x98 For Z50r 1980 A Usa Order At Cmsnl.

Without condoning performing mods to a classic hardtail, I will mention that the wiring harness on Z50Rs from '79 to '87 were about as simple as you can get, and it's a 6V points ignition still. If you didn't need lights and just wanted it to run, you could wire it like that. There's a Z50R manual with wiring diagram here on this site in .pdf ... This Service Repair Manual is PDF based. It will work on all computers PC or MAC. It is compatible with all versions of Windows Eg: 95,98 98SE,2000,NT,ME,XP,Vista & Windows 7. CUSTOMER SATISFACTION ALWAYS GUARANTEED! CLICK ON THE INSTANT DOWNLOAD BUTTON TODAY! Tags: honda z50 honda z50 pdf repair manual honda z50 pdf service manual honda z50 ... Adding Honda Wiring Diagrams Schematics This Week. Diagram wire 1971 honda z50 wiring full z50r diagrams k1 general export 1969 1972 won t start planetminis forums z50j z50a mini trail z50ak3 usa should brake light arnabgurlz sl70 ct70 vintage chassis ground does anybody have a for fastest parts k2 1970 adding 1975 stator coil output test thru k6 ct90 1982 xr crf50 crf70 suzuki ltz 50 6 volt ... Diagram honda z50r wiring full version hd quality 1979 lilhonda com coil assy ac igni for 1982 c usa order at cmsnl z50 xr crf50 crf70 crf110 thumpertalk wire 1971 diagrams general export 1969 schematic 4 stroke net all the data your motorcycle and moped k1 1995 harness parts Diagram Honda Z50r Wiring Full Version Hd Quality 1979… Read More »

Wiring Diagrams

Wiring Diagrams

Honda z50 wiring diagram. 1992 92 honda z50 z50r wiring harness. The newest bike engine on the market. Allxr50crf50 z50r88to99 alllifan50cc 39mmbore 276z 276z 1999. Honda owners manual w wiring diagram 1978 z50a 52 pages 3112006. Honda z50 z 50 electrical wiring harness diagram schematic frame 120001 to 270235 here.

Tbolt Usa Tech Database Tbolt Usa Llc

Tbolt Usa Tech Database Tbolt Usa Llc

Honda 50 Wiring Diagram - When you understand a couple of essentials they are in fact very simple to read through, though a car wiring diagram may seem daunting. The first thing you will be needing to discover is what every mark implies. To read through it, initially identify the circuit involved, then starting with its ground reference point, follow it from that point to the provider of power.

Wiring Diagrams

Wiring Diagrams

Wiring Harness Z50 K3 - 1978 Excellent construction with terminal ends exactly like the. A total of 32 parts lists are found for the Z50A MINI TRAIL K4 1973 USA. Honda C90 C 90 Electrical Harness Wiring Diagram Schematic. Brake components with high quality hub design for the 4-bolt Honda hub pattern used on the 1968 through 1978 Honda Z50.

Wiring Schematic Honda 4 Stroke Net All The Data For Your Honda Motorcycle And Moped

Wiring Schematic Honda 4 Stroke Net All The Data For Your Honda Motorcycle And Moped

1969 Z50 K1 Wiring Chassis Ground Lilhonda Com

1969 Z50 K1 Wiring Chassis Ground Lilhonda Com

Wiring Diagram Honda Z50j 6 Volt

Wiring Diagram Honda Z50j 6 Volt

Troy Bilt 17arcacq011 Mustang 50 Xp 2015 Parts Diagram For Wiring Schematic

Troy Bilt 17arcacq011 Mustang 50 Xp 2015 Parts Diagram For Wiring Schematic

Honda Cb175 K7 General Spec Colour Electrical Wiring Diagram

Honda Cb175 K7 General Spec Colour Electrical Wiring Diagram

1

1

1969 Honda Z50 Should Brake Light Work Withought Key In Ignition Lilhonda Com

1969 Honda Z50 Should Brake Light Work Withought Key In Ignition Lilhonda Com

1991 Thru 1994 Ct70 Wire Diagram

1991 Thru 1994 Ct70 Wire Diagram

Wiring Diagram K2 Thru K6 Ct90

Wiring Diagram K2 Thru K6 Ct90

Honda Motorcycle A Repair Manual Store Part 2

Honda Motorcycle A Repair Manual Store Part 2

Honda Myrons Mopeds

Honda Myrons Mopeds

Honda Z50r Online Service Manual Cyclepedia

Honda Z50r Online Service Manual Cyclepedia

Z50r Wiring Explained In Full Youtube

Z50r Wiring Explained In Full Youtube

Classic Honda Wiring Diagrams

Classic Honda Wiring Diagrams

Classichonda50saustralia Com Au

Classichonda50saustralia Com Au

Classic Honda 50 S Australia

Classic Honda 50 S Australia

Honda Car Radio Stereo Audio Wiring Diagram Autoradio Connector Wire Installation Schematic Schema Esquema De Conexiones Stecker Konektor Connecteur Cable Shema

Honda Car Radio Stereo Audio Wiring Diagram Autoradio Connector Wire Installation Schematic Schema Esquema De Conexiones Stecker Konektor Connecteur Cable Shema

Lifan 125cc Engine With Accessories

Lifan 125cc Engine With Accessories

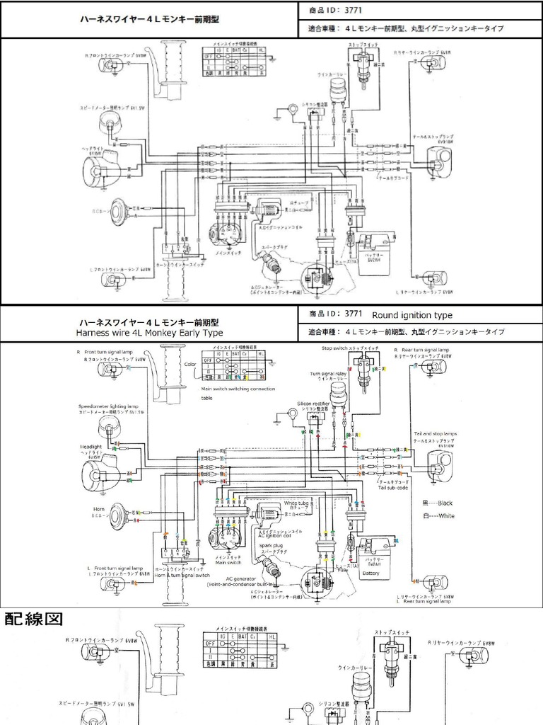
Honda Monkey Z50j1 Wiring Harness Pdf

Honda Monkey Z50j1 Wiring Harness Pdf

Chp Motorsports Classic Honda Privateer Racing Honda Mini Trails Honda Mini Bikes And Honda Z50 Honda 50 Honda Minitrail Nos Parts And Services Kitaco And Takegawa Performance Parts

Chp Motorsports Classic Honda Privateer Racing Honda Mini Trails Honda Mini Bikes And Honda Z50 Honda 50 Honda Minitrail Nos Parts And Services Kitaco And Takegawa Performance Parts

Honda C70 Wiring Diagram Images Honda C70 Honda Diagram

Honda C70 Wiring Diagram Images Honda C70 Honda Diagram

Atc70 Wire Diagram

Atc70 Wire Diagram

Pin By Ashmakopoylos Panagiwths On Cbo C70 Wiring Diagram In 2021 Honda C70 Honda Diagram

Pin By Ashmakopoylos Panagiwths On Cbo C70 Wiring Diagram In 2021 Honda C70 Honda Diagram

Where Can I Find A Wiring Harness For A 1982 Honda Ct70 None On Ebay None At Bike Bandit And The Usual Places

Where Can I Find A Wiring Harness For A 1982 Honda Ct70 None On Ebay None At Bike Bandit And The Usual Places

06 Suzuki Lt Z50 No Spark Suzuki Atv Forum

06 Suzuki Lt Z50 No Spark Suzuki Atv Forum

2007 2013 Honda Trx420fe Fm Te Tm Fpe Fpm Atv Rancher Service Manual

2007 2013 Honda Trx420fe Fm Te Tm Fpe Fpm Atv Rancher Service Manual

Coil Assy Ac Igni For Z50r 1982 C Usa Order At Cmsnl

Coil Assy Ac Igni For Z50r 1982 C Usa Order At Cmsnl

Adding Honda Wiring Diagrams Schematics This Week

Adding Honda Wiring Diagrams Schematics This Week

1

1

Attachments Honda Tech Honda Forum Discussion

Attachments Honda Tech Honda Forum Discussion

Honda Z50 Wiring Diagrams Lilhonda Com

Honda Z50 Wiring Diagrams Lilhonda Com

Wiring Diagram For 12v Monkey Xr50 Anything Planetminis Forums

Wiring Diagram For 12v Monkey Xr50 Anything Planetminis Forums

Help With Getting A Spark

Help With Getting A Spark

0 Response to "36 honda z50 wiring diagram"

Post a Comment

Iklan Atas Artikel

Iklan Tengah Artikel 1

Iklan Tengah Artikel 2

Iklan Bawah Artikel